ВИЗАТОР
Новости японской автоиндустрии
Главная
Новости
FAQ
Аукционы
Руководства по ремонту
Nissan Wingroad Y12: полное руководство по ремонту и обслуживанию на русском языке
Вы здесь:
Главная
Руководства по ремонту
Nissan Wingroad Y12: полное руководство по ремонту и обслуживанию на русском языке
Трансмиссия
Вариатор (CVT)
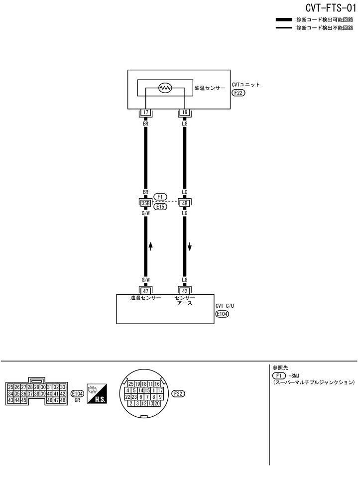
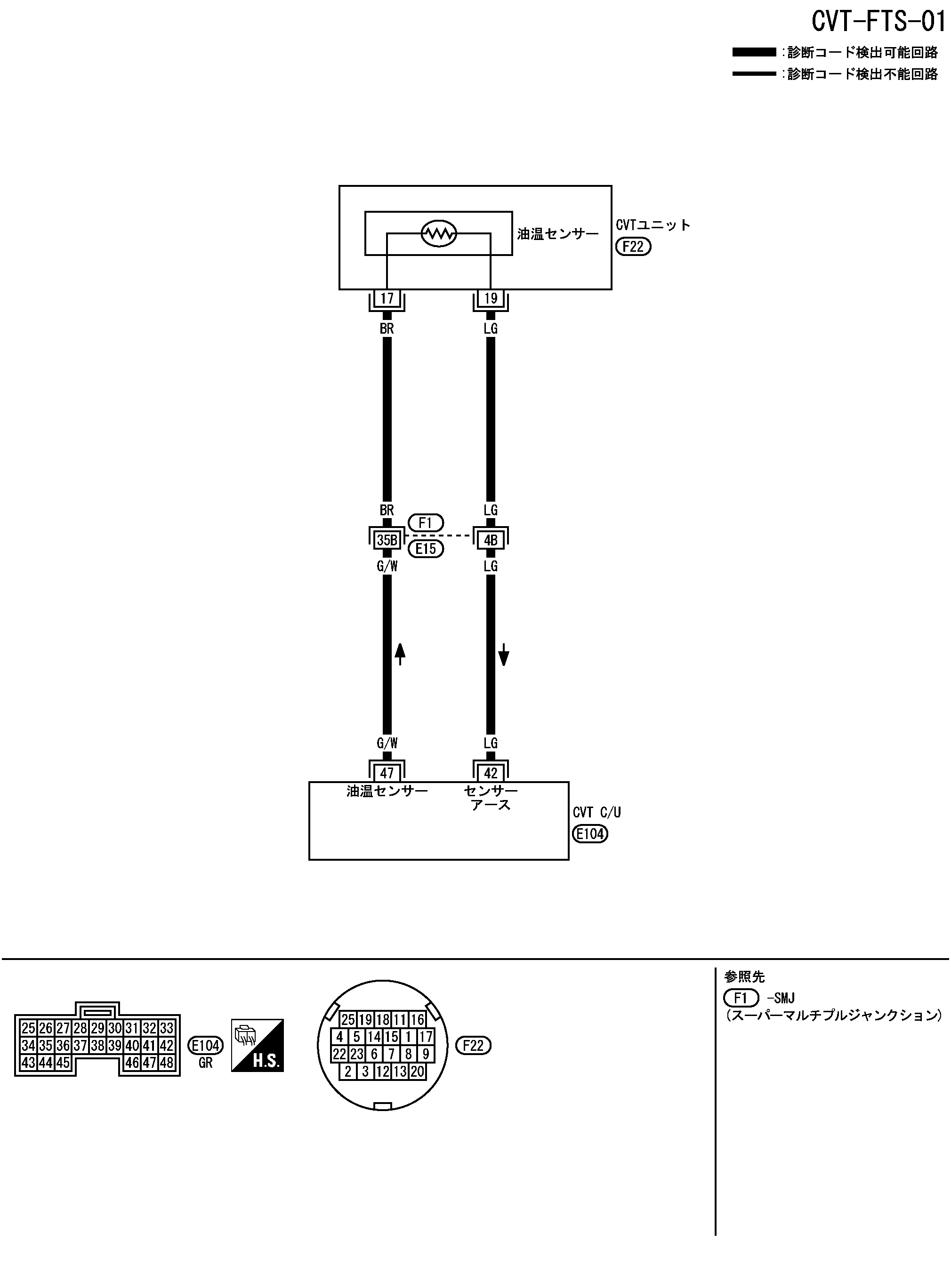
Схема подключения - fts - dtc p0710 датчик температуры масла
Схема подключения - fts - dtc p0710 датчик температуры масла
配線図 - FTS -
📄
Открыть схему TCWB0503J.PDF
Предыдущий: Логика самодиагностики dtc p0710 датчик температуры масла
Назад
Следующий: Порядок проверки dtc p0710 датчик температуры масла
Вперед