ВИЗАТОР
Новости японской автоиндустрии
Главная
Новости
FAQ
Аукционы
Руководства по ремонту
Nissan Wingroad Y12: полное руководство по ремонту и обслуживанию на русском языке
Вы здесь:
Главная
Руководства по ремонту
Nissan Wingroad Y12: полное руководство по ремонту и обслуживанию на русском языке
Трансмиссия
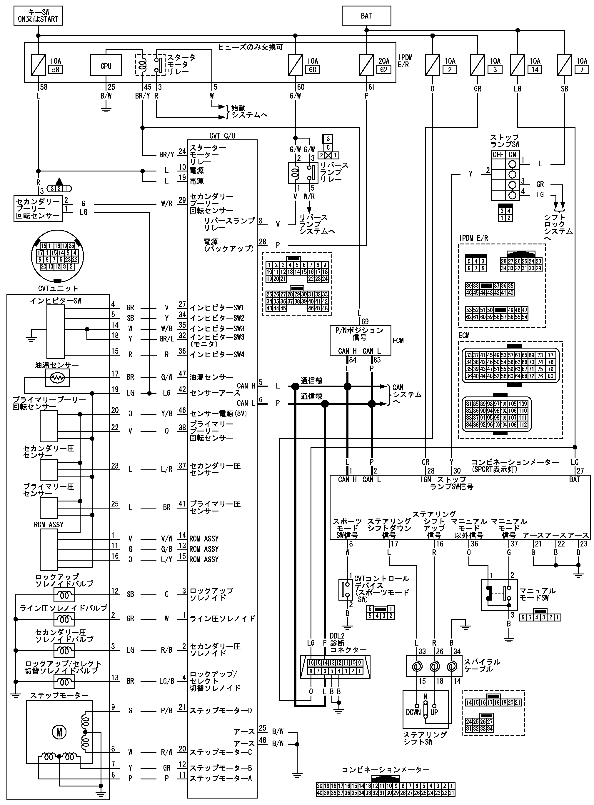
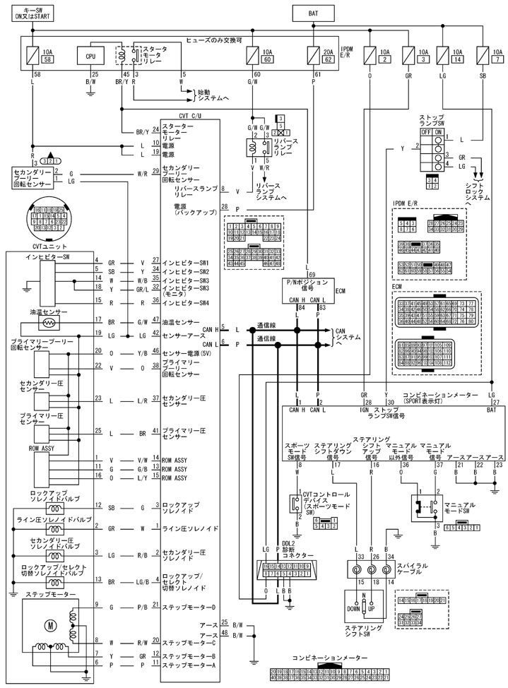
Вариатор (CVT)
Схема диагностики неисправностей
Схема диагностики неисправностей
принципиальная схема
📄
Открыть схему TCWB0518J.PDF
Предыдущий: Диагностика неисправности монтажного положения компонента
Назад
Следующий: Предварительная диагностика, осмотр, диагностика неисправностей
Вперед