ВИЗАТОР
Новости японской автоиндустрии
Главная
Новости
FAQ
Аукционы
Руководства по ремонту
Nissan Wingroad Y12: полное руководство по ремонту и обслуживанию на русском языке
Вы здесь:
Главная
Руководства по ремонту
Nissan Wingroad Y12: полное руководство по ремонту и обслуживанию на русском языке
Трансмиссия
Вариатор (CVT)
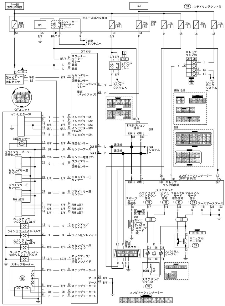
принципиальная схема системы вариатора
принципиальная схема системы вариатора
принципиальная схема
Предыдущий: Схема системы CVT
Назад
Следующий: система управления переключением передач CVT
Вперед