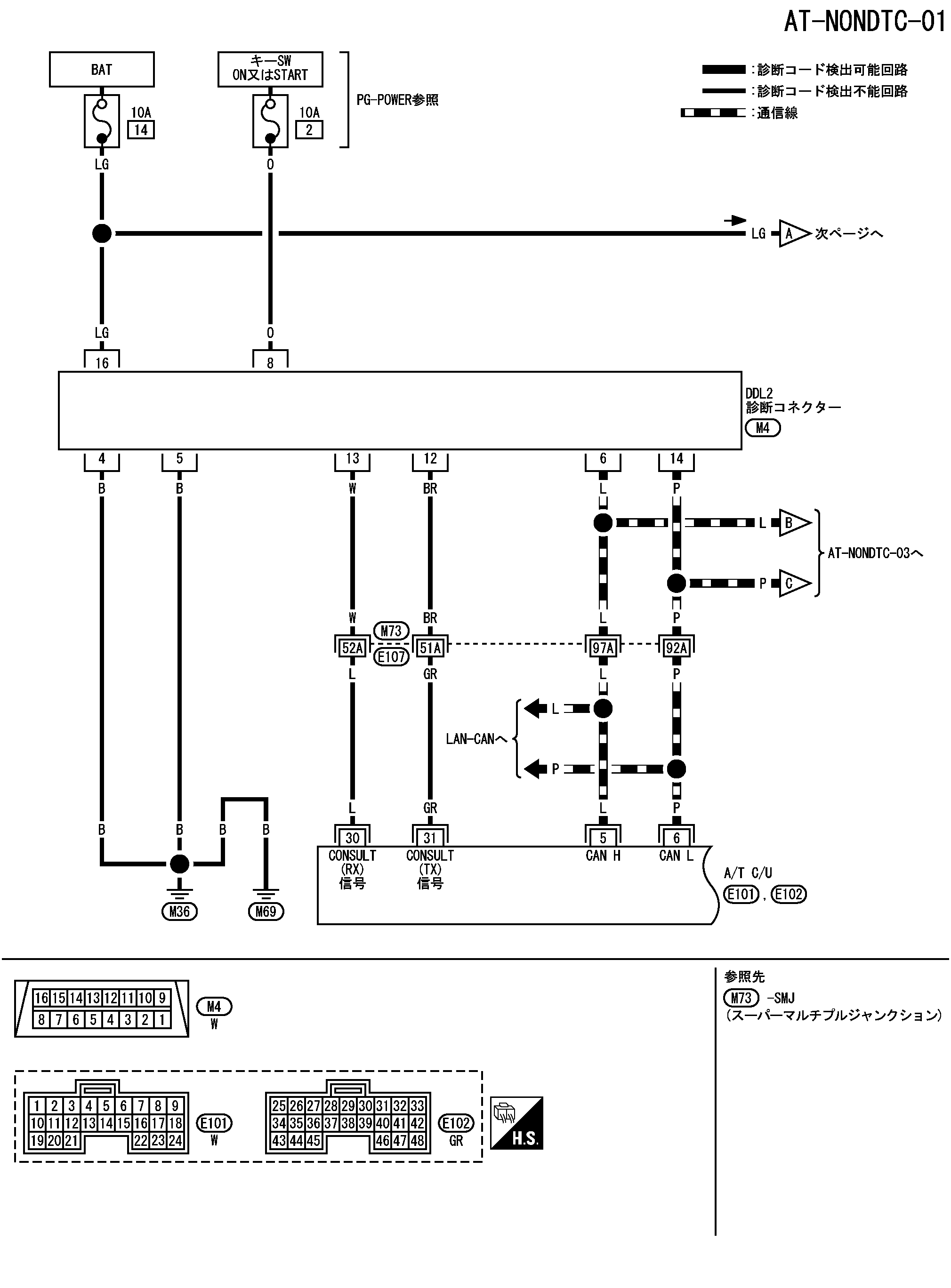
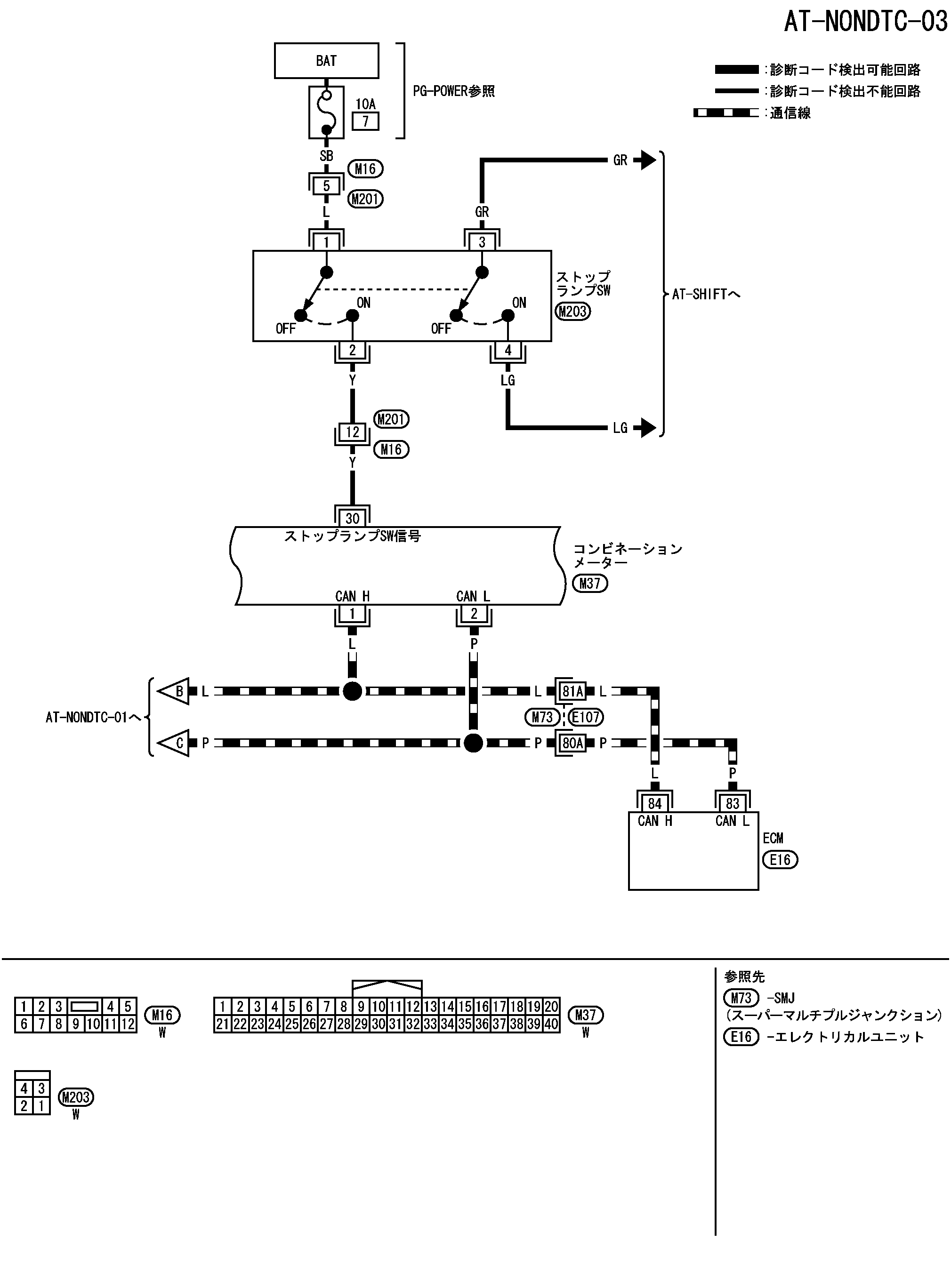
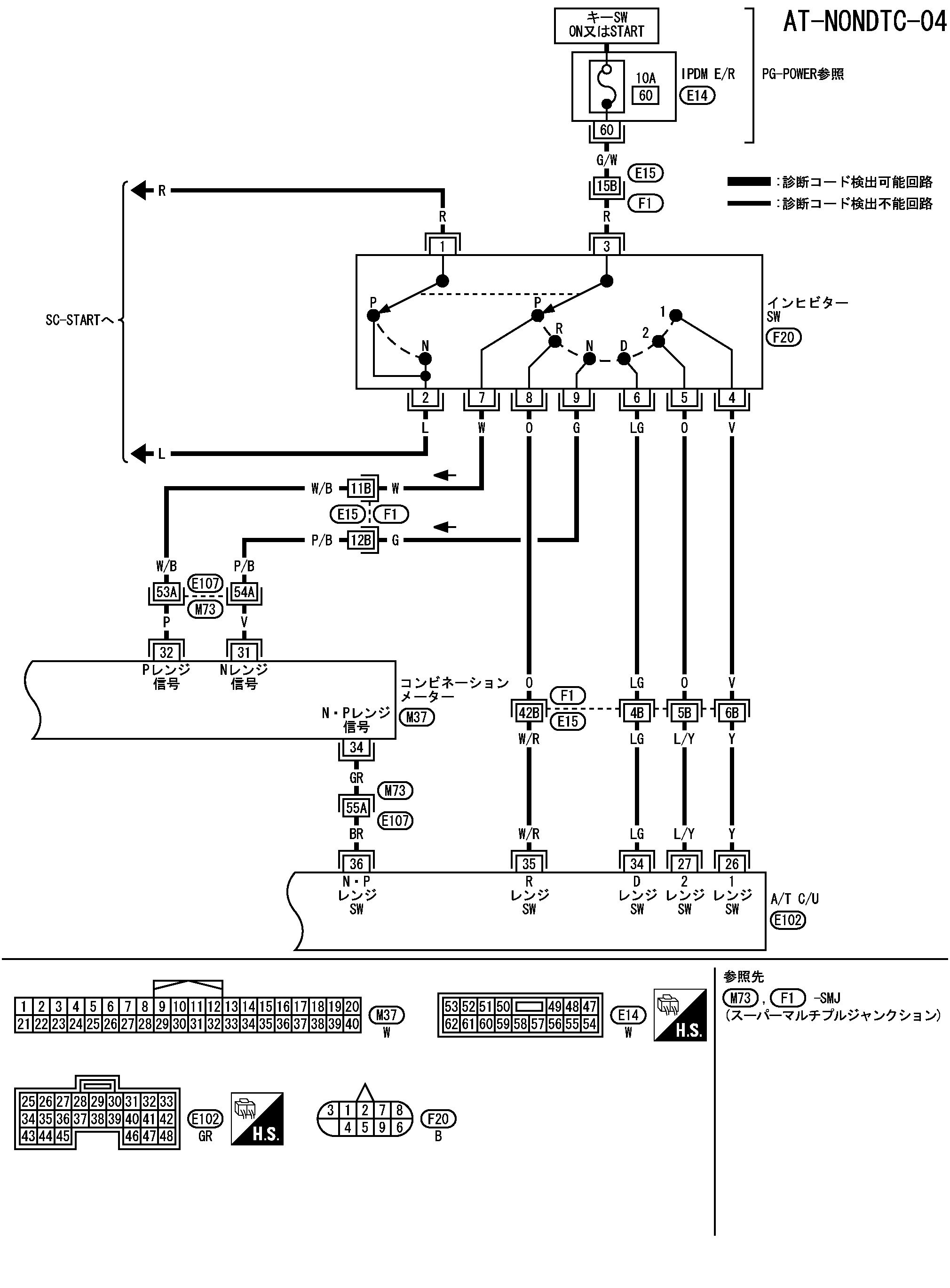
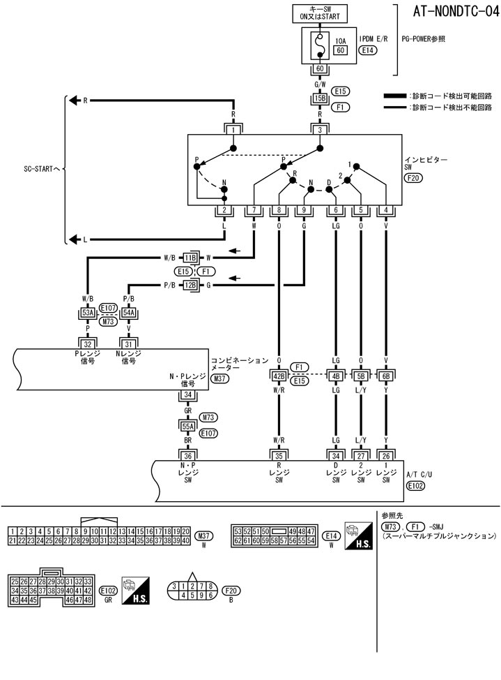
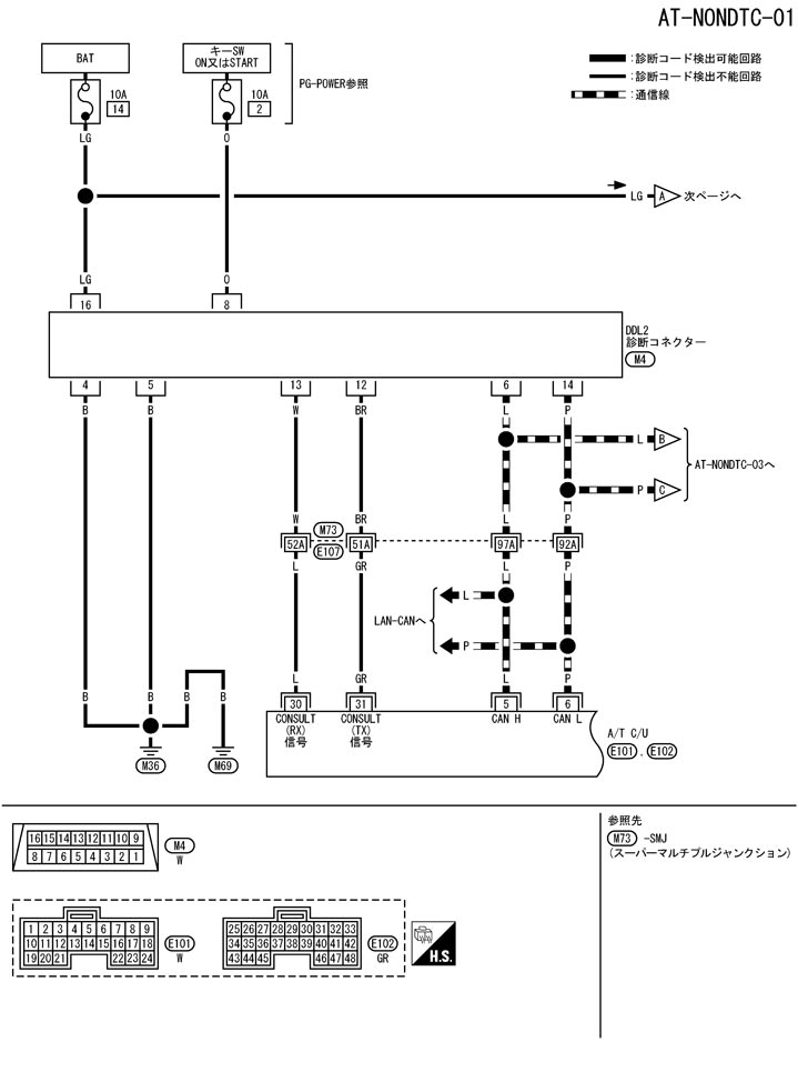
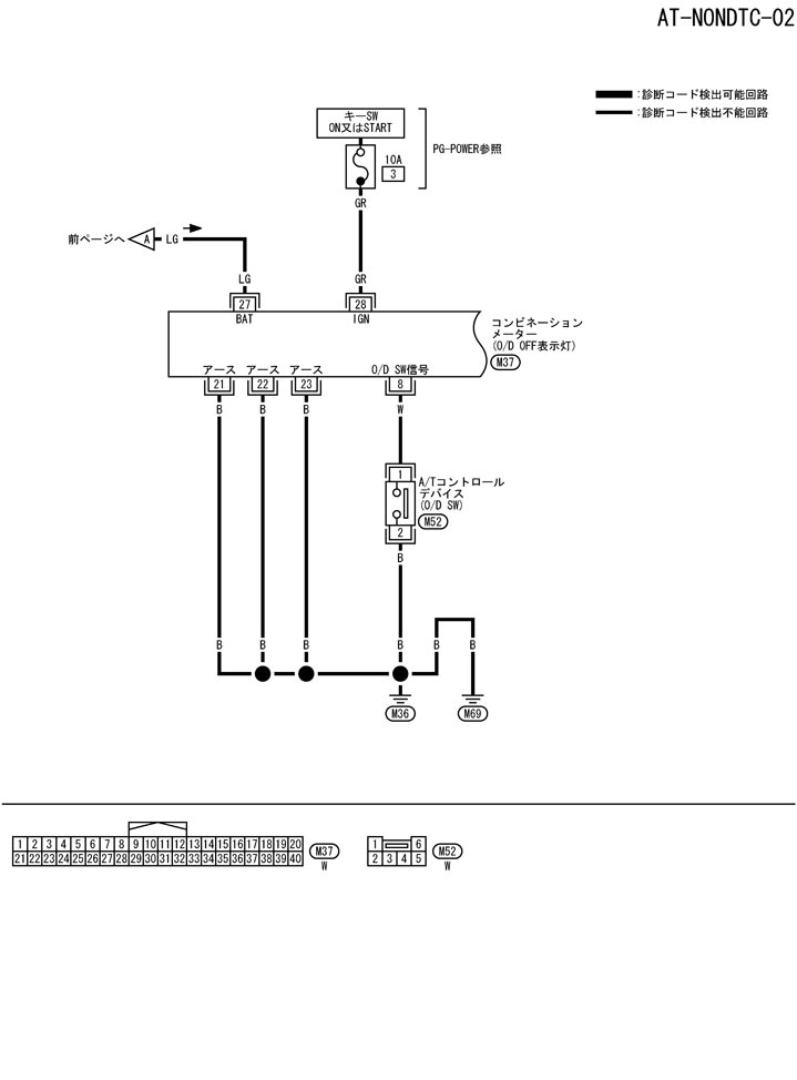
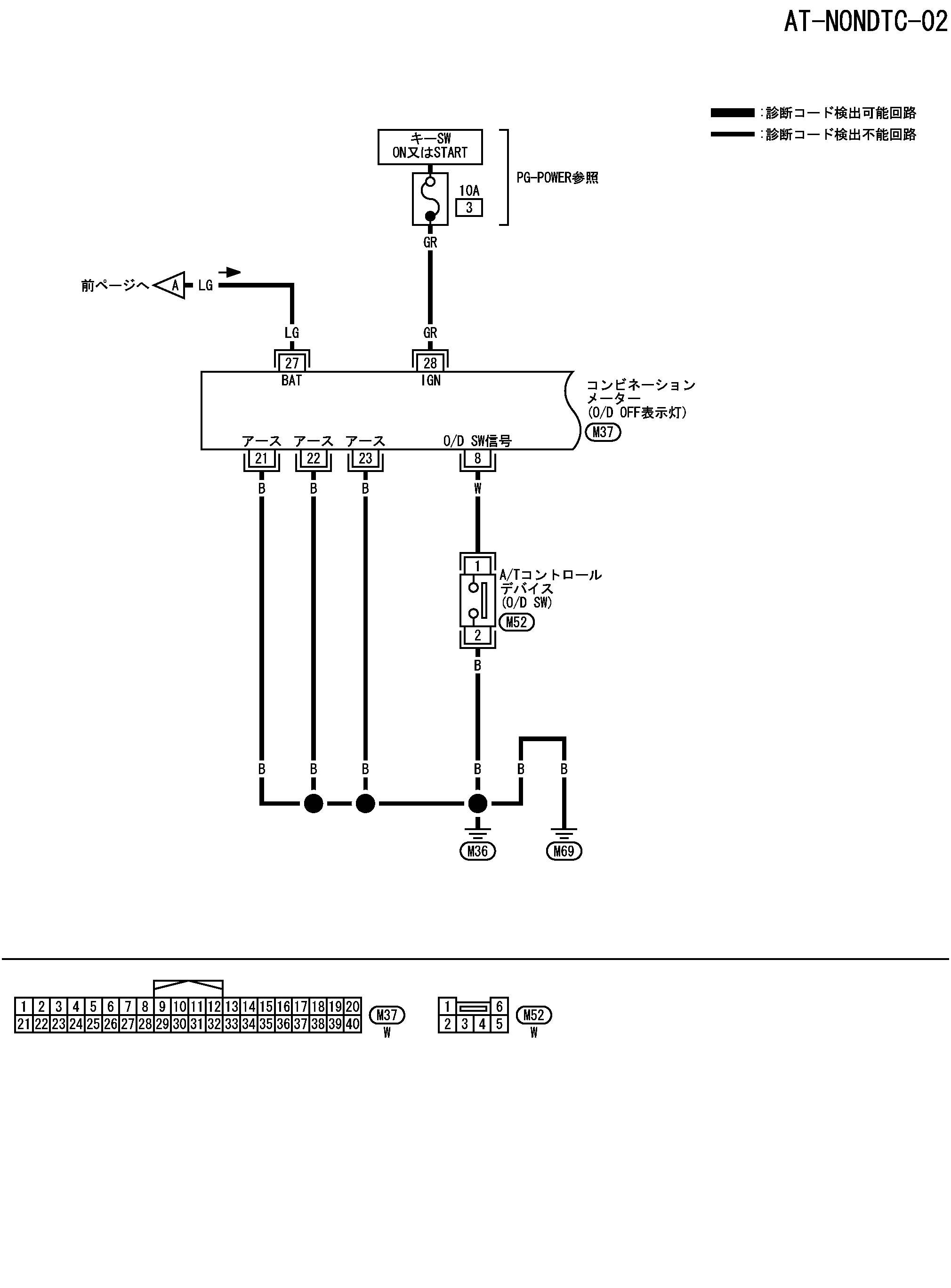
配線図 - NONDTC - (2WD)