ВИЗАТОР
Новости японской автоиндустрии
Главная
Новости
FAQ
Аукционы
Руководства по ремонту
Nissan Wingroad Y12: полное руководство по ремонту и обслуживанию на русском языке
Вы здесь:
Главная
Руководства по ремонту
Nissan Wingroad Y12: полное руководство по ремонту и обслуживанию на русском языке
Трансмиссия
Автоматическая коробка передач (A/T)
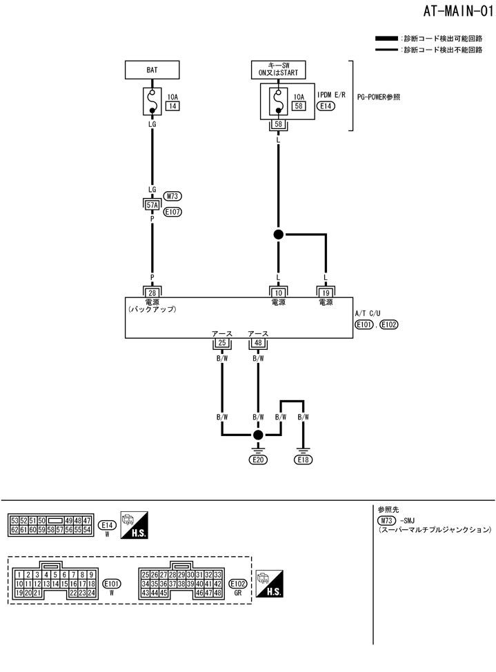
Схема подключения – главная – система электропитания
Схема подключения – главная – система электропитания
配線図 - MAIN -
📄
Открыть схему TCWB0490J.PDF
Предыдущий: a/t c/u опорное значение входного/выходного сигнала система электропитания
Назад
Следующий: Процедура проверки системы электроснабжения
Вперед