ВИЗАТОР
Новости японской автоиндустрии
Главная
Новости
FAQ
Аукционы
Руководства по ремонту
Nissan Wingroad Y12: полное руководство по ремонту и обслуживанию на русском языке
Вы здесь:
Главная
Руководства по ремонту
Nissan Wingroad Y12: полное руководство по ремонту и обслуживанию на русском языке
Трансмиссия
Автоматическая коробка передач (A/T)
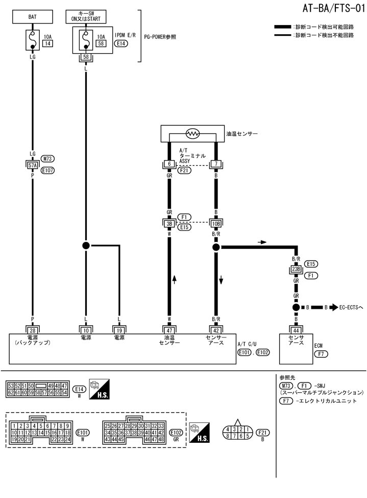
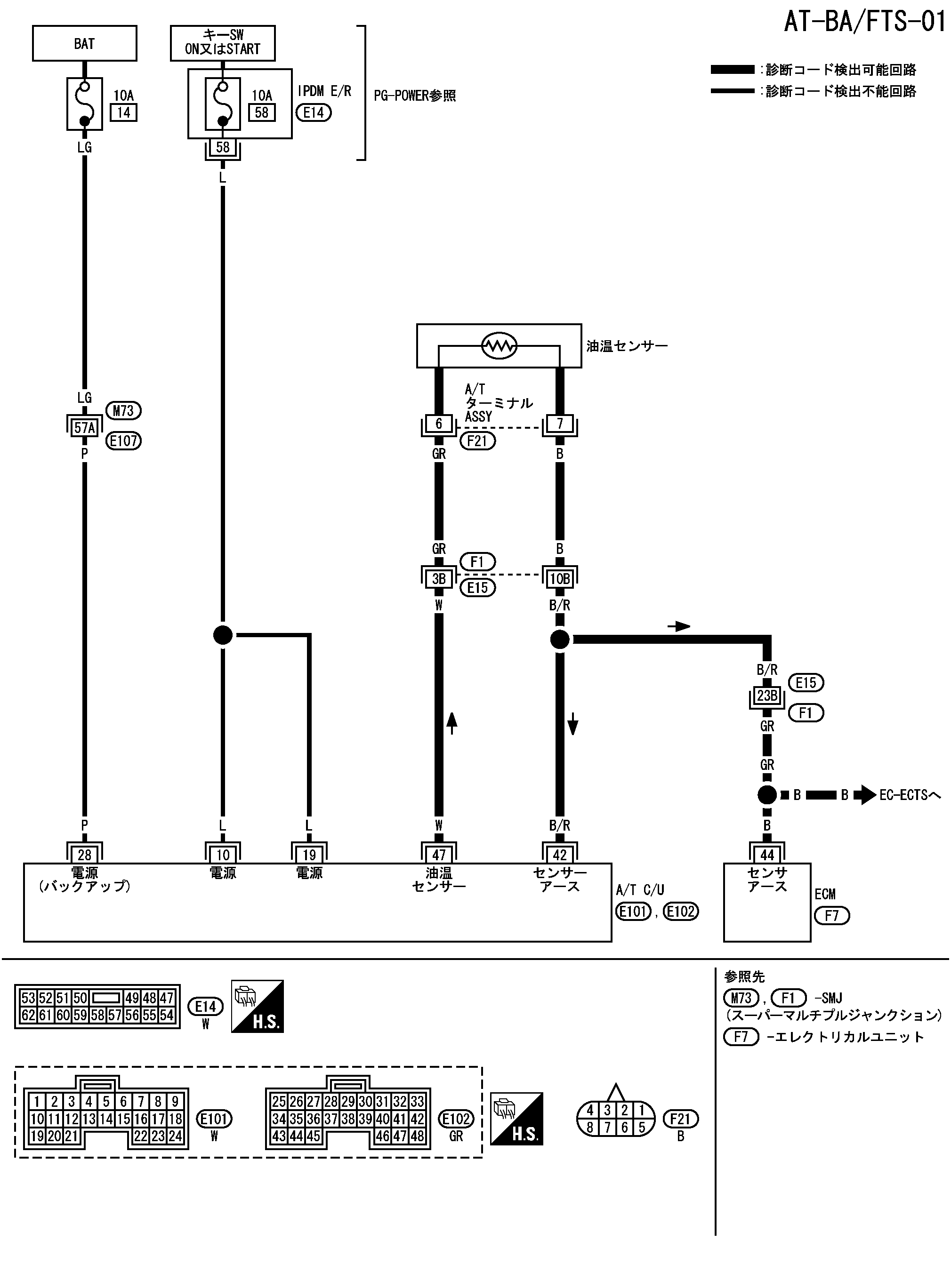
Схема подключения - BA/FTS - DTC Датчик напряжения аккумуляторной батареи/температуры масла
Схема подключения - BA/FTS - DTC Датчик напряжения аккумуляторной батареи/температуры масла
配線図 - BA/FTS -
📄
Открыть схему TCWB0488J.PDF
Предыдущий: Логика самодиагностики DTC, датчик напряжения аккумуляторной батареи/температуры масла
Назад
Следующий: Процедура проверки датчика напряжения аккумуляторной батареи/температуры масла DTC
Вперед