ВИЗАТОР
Новости японской автоиндустрии
Главная
Новости
FAQ
Аукционы
Руководства по ремонту
Nissan Wingroad Y12: полное руководство по ремонту и обслуживанию на русском языке
Вы здесь:
Главная
Руководства по ремонту
Nissan Wingroad Y12: полное руководство по ремонту и обслуживанию на русском языке
Трансмиссия
Автоматическая коробка передач (A/T)
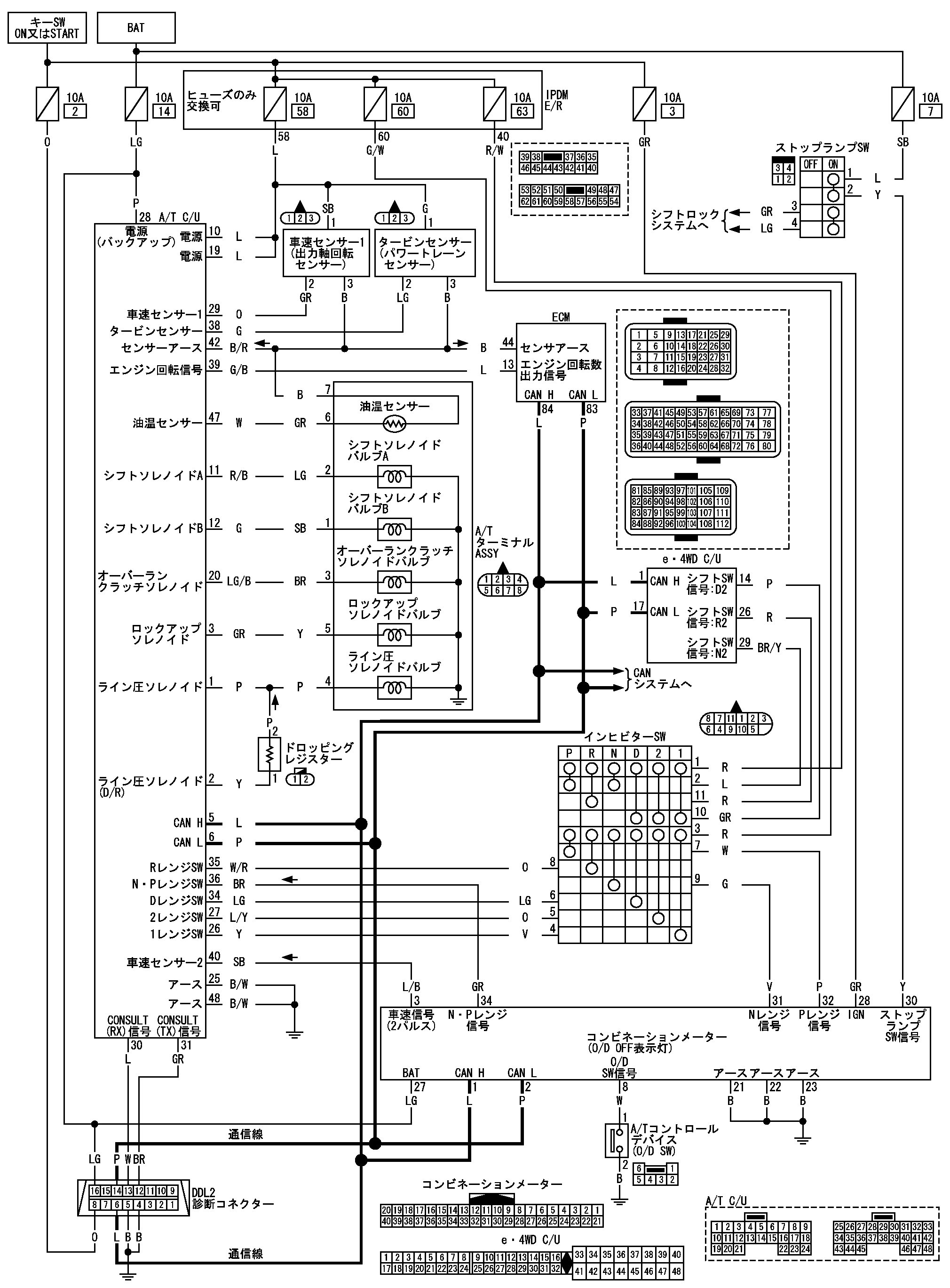
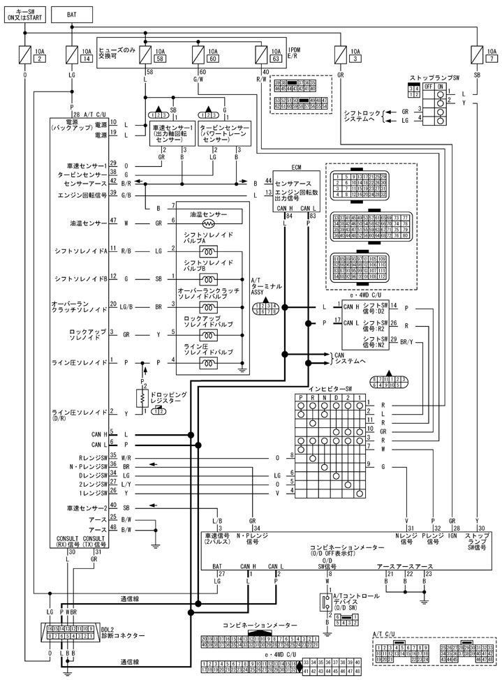
Принципиальная схема (4wd) диагностика неисправностей
Принципиальная схема (4wd) диагностика неисправностей
Принципиальная схема (4WD)
📄
Открыть схему TCWB0481J.PDF
Предыдущий: Принципиальная схема (2wd) диагностика неисправностей
Назад
Следующий: Предварительная диагностика, осмотр, диагностика неисправностей
Вперед