ВИЗАТОР
Новости японской автоиндустрии
Главная
Новости
FAQ
Аукционы
Руководства по ремонту
Nissan Wingroad Y12: полное руководство по ремонту и обслуживанию на русском языке
Вы здесь:
Главная
Руководства по ремонту
Nissan Wingroad Y12: полное руководство по ремонту и обслуживанию на русском языке
Трансмиссия
Автоматическая коробка передач (A/T)
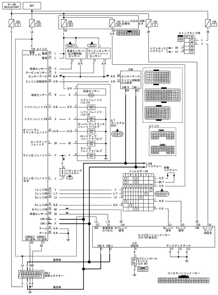
Принципиальная схема (2wd) системы a/t
Принципиальная схема (2wd) системы a/t
Принципиальная схема (2WD)
Предыдущий: Схема системы А/Т
Назад
Следующий: Принципиальная схема (4wd) системы a/t
Вперед