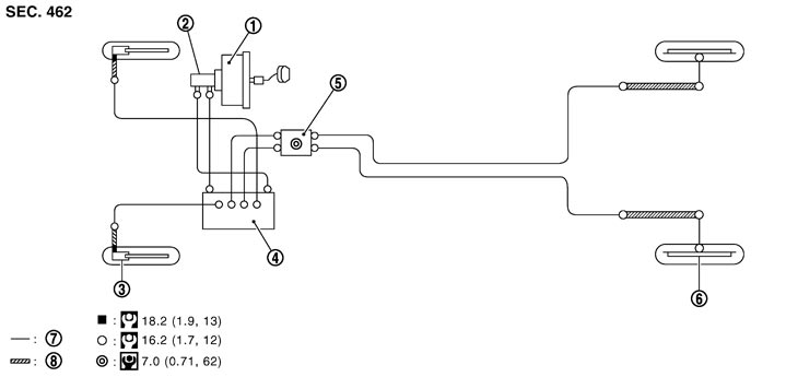
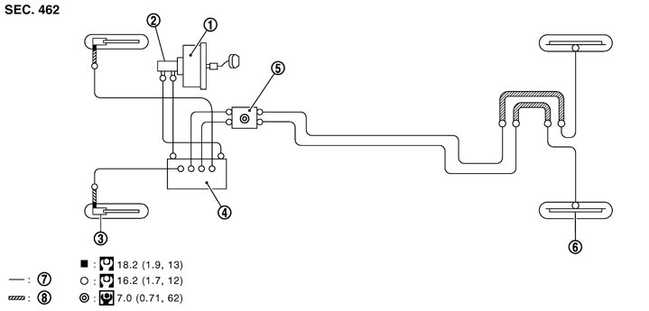
Схема гидравлических трубопроводов
2WD車
|
1. |
ブレーキブースター |
2. |
ブレ−キマスターシリンダー |
3. |
フロントディスクブレーキ |
|
4. |
ABSアクチュエーター・C/U |
5. |
コネクター |
6. |
リヤドラムブレーキ |
|
7. |
ブレーキチューブ |
8. |
ブレーキホース |
|
|
|
|
: ユニオンボルト |
|
: フレアナット |
|
:コネクター取付ボルト |
|
イラスト内のシンボルマークについては、GIセクション部品構成図内で使用している記号一覧を参照する。 |
|||||
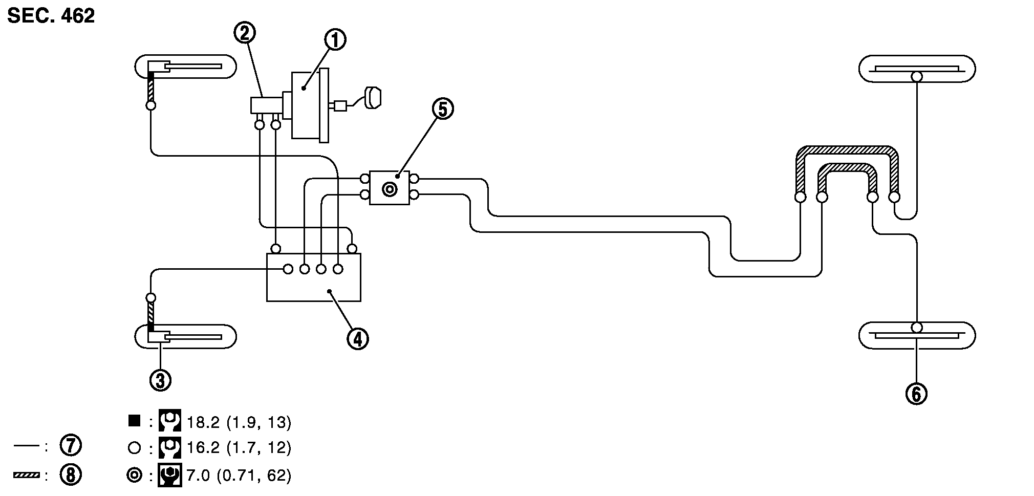
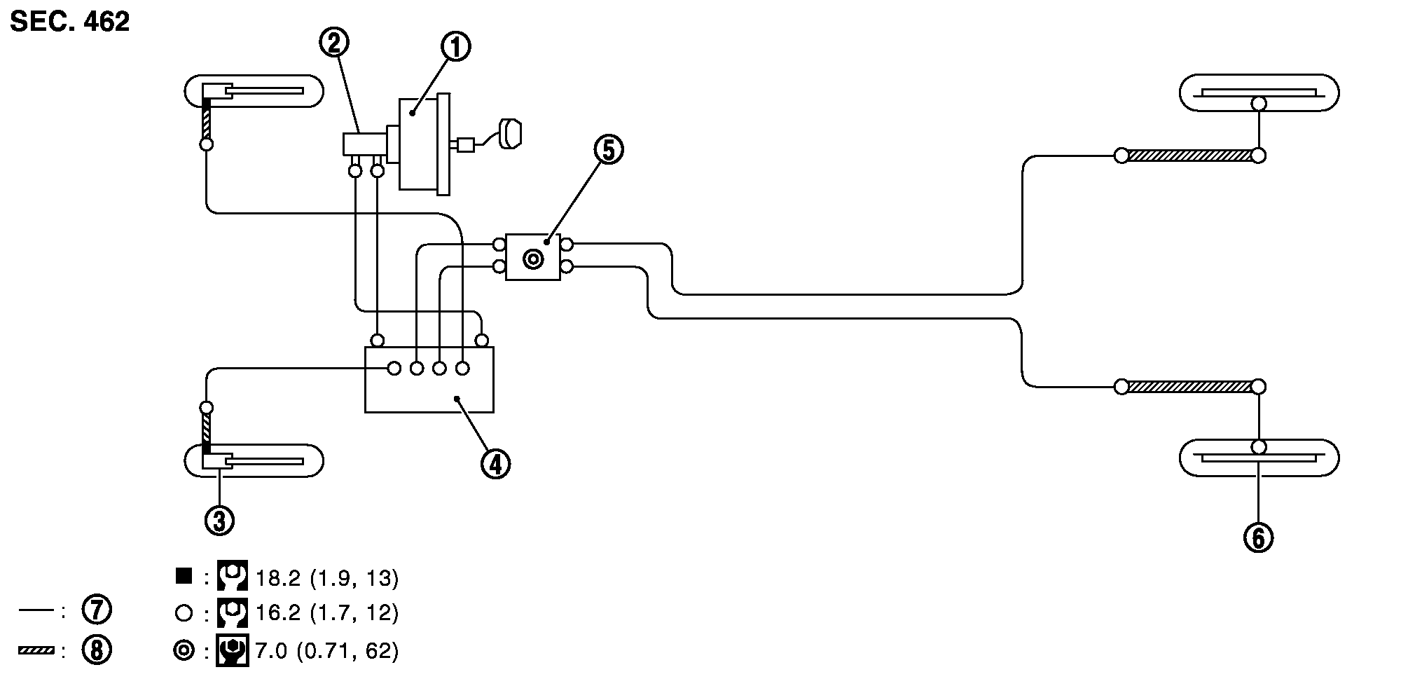
4WD車
|
1. |
ブレーキブースター |
2. |
ブレ−キマスターシリンダー |
3. |
フロントディスクブレーキ |
|
4. |
ABSアクチュエーター・C/U |
5. |
コネクター |
6. |
リヤドラムブレーキ |
|
7. |
ブレーキチューブ |
8. |
ブレーキホース |
|
|
|
|
: ユニオンボルト |
|
: フレアナット |
|
:コネクター取付ボルト |
|
イラスト内のシンボルマークについては、GIセクション部品構成図内で使用している記号一覧を参照する。 |
|||||
■ 注意 ■
- ブレーキチューブの取り外しは、フレアナットレンチを用いて行い、フレアナット及びブレーキチューブに傷を付けないよう作業すること。また、取り付ける際は、フレアナットトルクレンチを用いて規定トルクで締め付けること。
- 取付時、ねじれ及び折れがないこと。
- ステアリングを左右に転舵したとき、他部品に干渉がないこと。
- ブレーキフルードの漏れを発見したときは、必ず部品を分解し、異常(組付不良、損傷、摩耗、変形等)があれば新品と交換すること。
- ブレーキホースを急激に曲げたり、ねじったり、強く引っ張ったりしないこと。
- 各構成部品の取外時、接続部にゴミやホコリ等の異物が入らないようカバーをすること。
- 銅ワッシャーは再使用不可部品のため、再使用しないこと。