Разборка, сборка

 
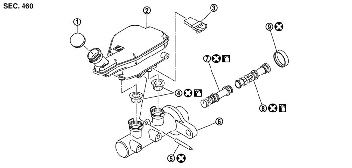
 構成図


PFIA0811J.JPG

1.
リザーバーキャップ
2.
リザーバータンク
3.
ブレーキ液面SWコネクター
4.
グロメット
5.
ピン
6.
シリンダーボディー
7.
セカンダリーピストン ASSY
8.
プライマリーピストン ASSY
9.
ストッパーキャップ
イラスト内のシンボルマークについては、GIセクション部品構成図内で使用している記号一覧を参照する。ただし、その他のシンボルマ−クについては下記を参照する。

: ニッサンブレーキフルードNo. 2500

 
 分解

■ 注意 ■
リザーバータンクASSYは、作業上取り外す必要がある場合のみ取り外すこと。
    1.図のようにマイナスドライバーを用いて、ストッパーキャップのツメを起こし、マスターシリンダーよりストッパーキャップを取り外す。
    BRA0031D.JPG
    ■ 注意 ■
    マスターシリンダー内のピストンが飛び出すおそれがあるため、ストッパーキャップを押さえながら行うこと。

    2.シリンダーボディーのフランジ部を図のように万力で固定する。
    SFIA0533J.JPG
    ■ 注意 ■
    • 万力には銅板、布などを介して固定すること。
    • シリンダーボディーを万力に固定する際、万力を締めすぎないこと。


    3.ピンポンチ(汎用工具:直径約4 mm)を用いて、リザーバータンクの取付ピンを取り外す。
    SFIA0534J.JPG
    4.マスターシリンダーASSYを万力より取り外す。
    5.リザーバータンクASSY及びグロメットをシリンダーボディーより取り外す。
    6.シリンダー内壁に傷を付けないようプライマリーピストンASSYをまっすぐ引き抜く。
    7.フランジ部を木片などの軟らかいものに軽くたたきつけ、シリンダー内壁に傷を付けないようセカンダリーピストンASSYをまっすぐ引き抜く。
    BRA0033D.JPG

 
 分解後の点検
 
 シリンダーボディー

  • シリンダー内壁に損傷、摩耗、さび及びピンホールがないか点検し、異常がある場合は交換する。
 
 組み立て

■ 注意 ■
  • 洗浄、組み立ての際、灯油、ガソリン等の鉱物系油、及びニッサンラバーグリースは使用しないこと。
  • シリンダー内壁及びピストン、カップシール等にゴミやホコリなどの異物が付着していないことを確認し、組立時、工具で傷を付けないこと。
  • 各部品は、落下させないこと。また、万一落下させた場合、落下した部品は使用しないこと。

    1.シリンダーボディー内面及びピストンASSYの接触面にニッサンブレーキフルードNo. 2500を塗布し、シリンダーボディーにセカンダリーピストンASSY、プライマリーピストンASSYを順に挿入する。
    SFIA1441J.JPG
    ■ 注意 ■
    • プライマリーピストンASSY及びセカンダリーピストンASSYは再使用不可部品のため、再使用しないこと。
    • ピストンカップの取付方向に注意し、シリンダー内壁にかみ込まないようまっすぐに挿入すること。
    • インナーキットは必ずASSYで交換すること。


    2.ストッパーキャップでピストンを押さえながら、ストッパーキャップのツメがシリンダーボディーの溝に掛かるまで確実に押し込み、取り付ける。
    BRA0535D.JPG
    ■ 注意 ■
    ストッパーキャップは再使用不可部品のため、再使用しないこと。
    3.グロメットにニッサンブレーキフルードNo. 2500を塗布し、シリンダーボディーに取り付ける。
    ■ 注意 ■
    グロメットは再使用不可部品のため、再使用しないこと。
    4.リザーバータンクをシリンダーボディーに組み付ける。
    5.シリンダーボディーのフランジ部を図のように万力で固定する。
    SFIA0533J.JPG
    ■ 注意 ■
    • シリンダーボディーのブレーキチューブ取付側が下になるように固定すること。
    • 万力には銅板、布などを介して固定すること。
    • シリンダーボディーを万力に固定する際、万力を締めすぎないこと。


    6.図のように取付ピンが挿入できる程度にリザーバータンクを傾け、取付ピンを挿入する。取付ピンがマスターシリンダーのピン穴を通過したところで、リザーバータンクが水平になるようにし、反対側のリザーバータンク取付ピン穴に取付ピンが挿入側と同一の取付状態になるように取り付ける。
    SFIA0534J.JPG
    ■ 注意 ■
    取付ピンは再使用不可部品のため、再使用しないこと。