ВИЗАТОР
Новости японской автоиндустрии
Главная
Новости
FAQ
Аукционы
Руководства по ремонту
Nissan Wingroad Y12: полное руководство по ремонту и обслуживанию на русском языке
Вы здесь:
Главная
Руководства по ремонту
Nissan Wingroad Y12: полное руководство по ремонту и обслуживанию на русском языке
Тормоза
Система управления тормозами
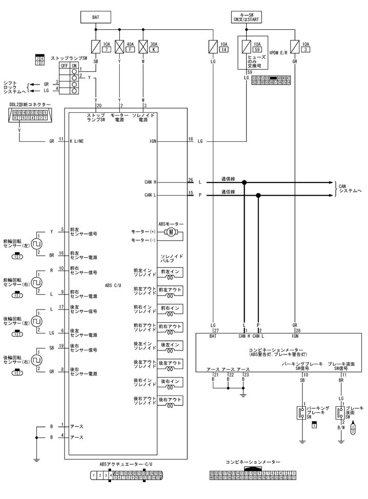
Схематический обзор системы
Схематический обзор системы
принципиальная схема
Предыдущий: Схема системы Обзор системы
Назад
Следующий: Обзор функций компонента Обзор системы
Вперед