ВИЗАТОР
Новости японской автоиндустрии
Главная
Новости
FAQ
Аукционы
Руководства по ремонту
Nissan Wingroad Y12: полное руководство по ремонту и обслуживанию на русском языке
Вы здесь:
Главная
Руководства по ремонту
Nissan Wingroad Y12: полное руководство по ремонту и обслуживанию на русском языке
Тормоза
Система управления тормозами
Схема подключения - ABS - Диагностика неисправностей
Схема подключения - ABS - Диагностика неисправностей
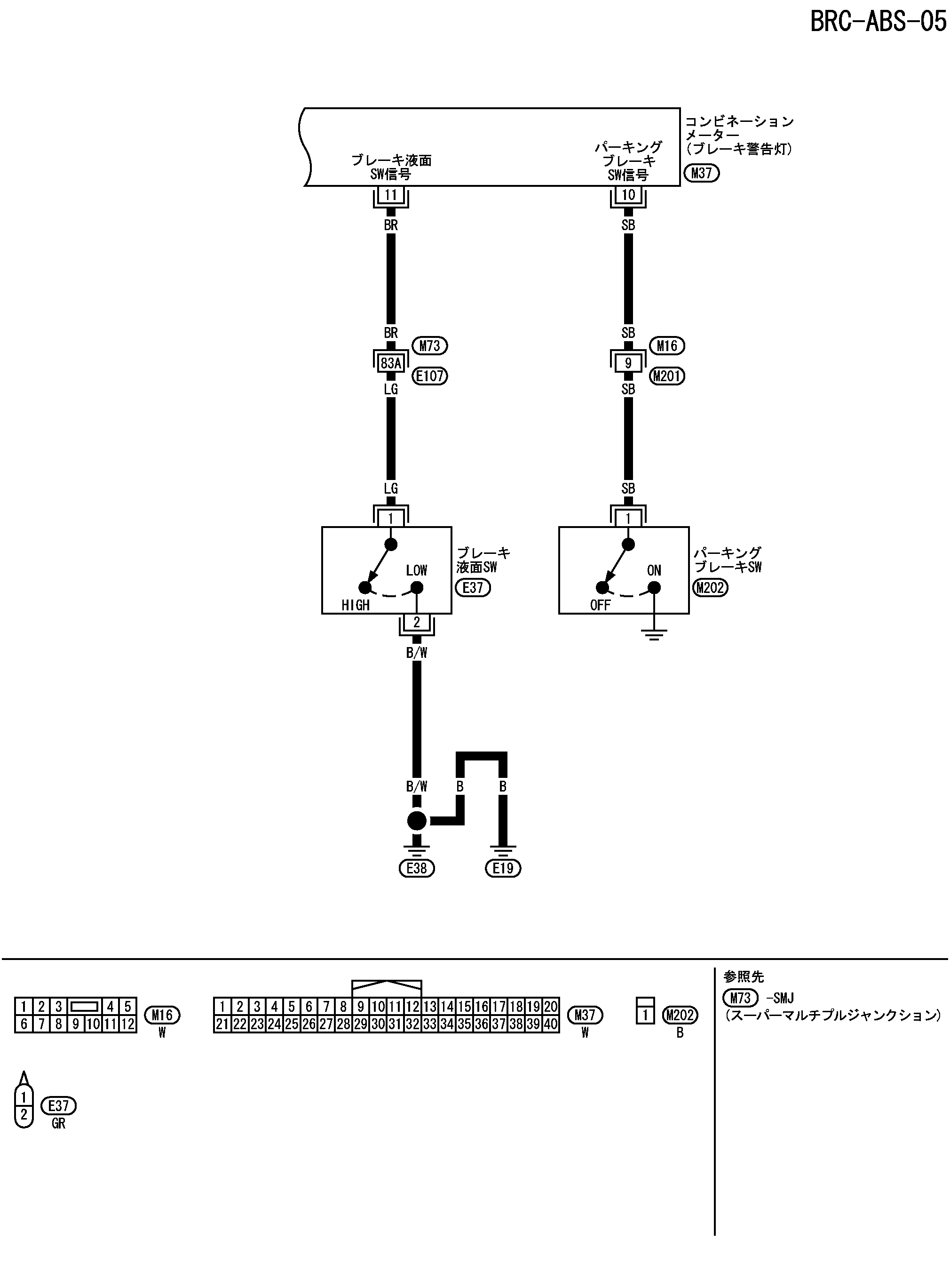
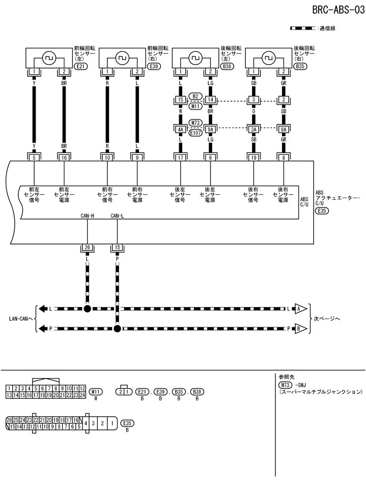
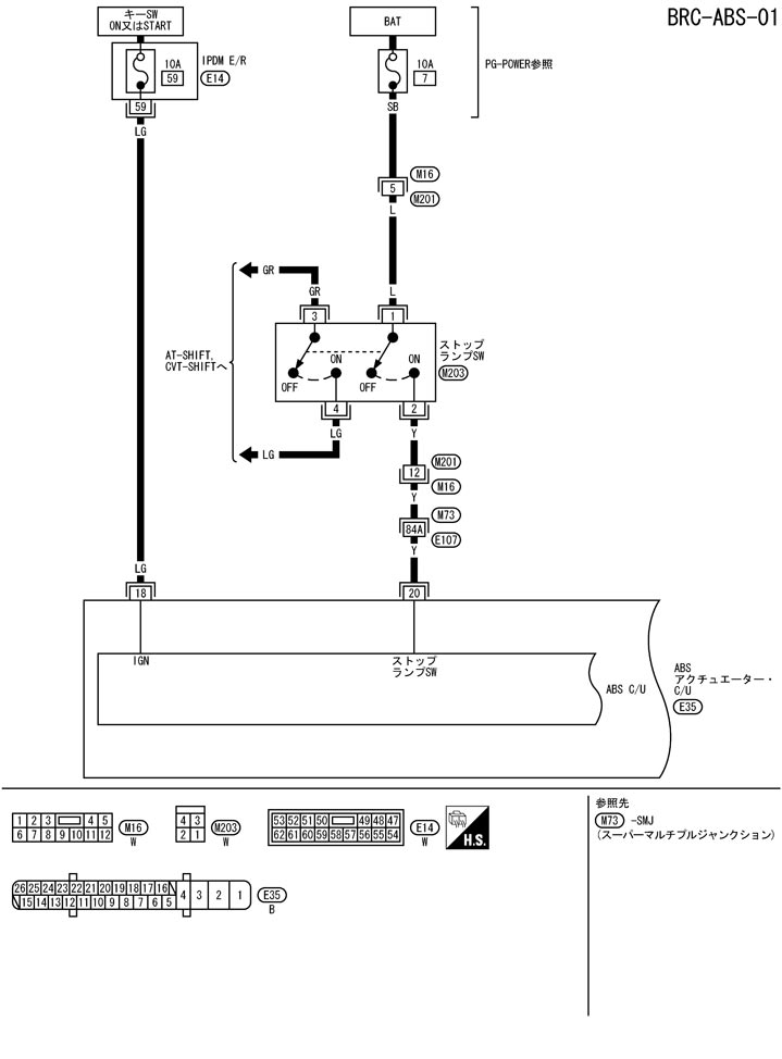
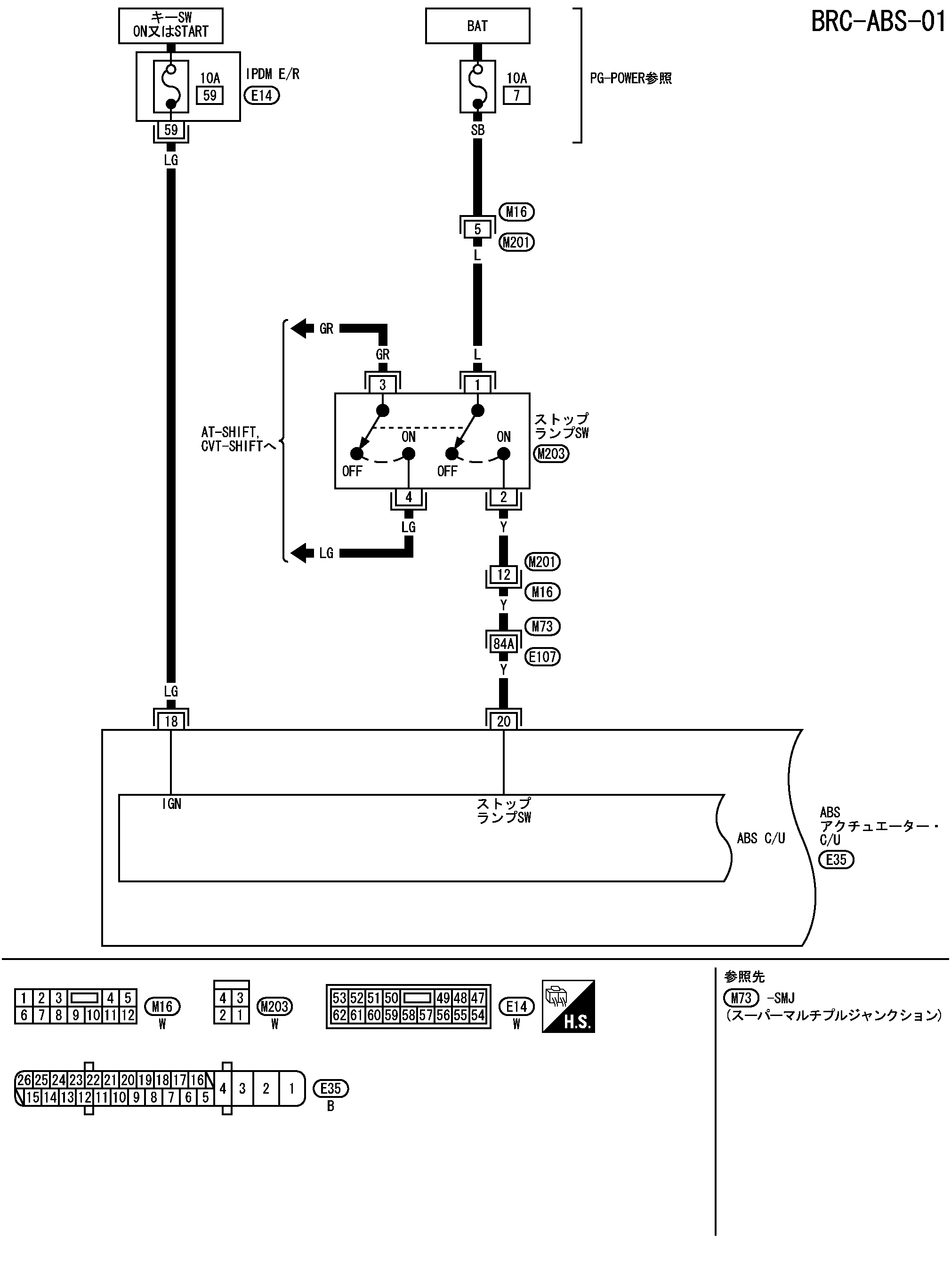
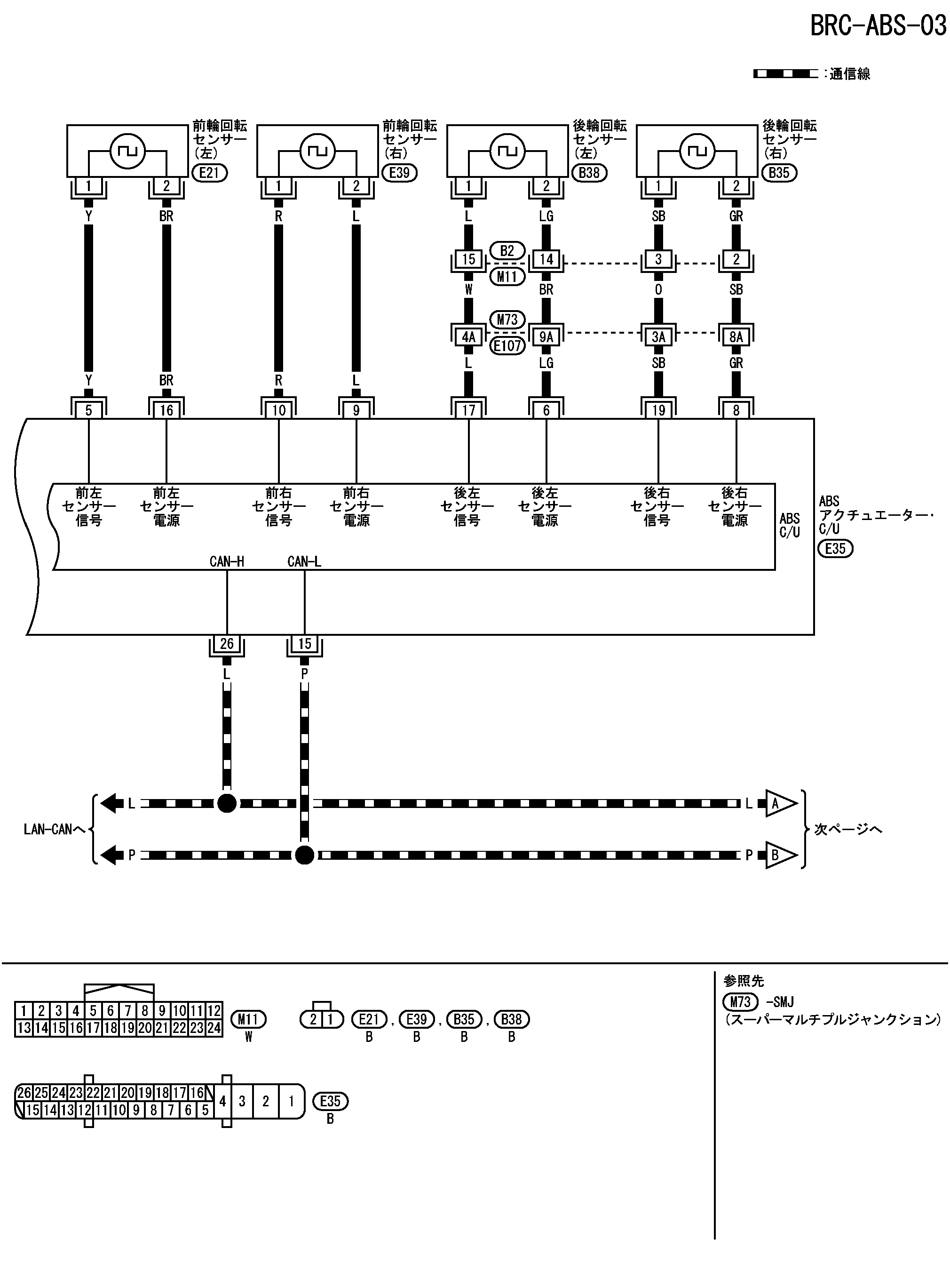
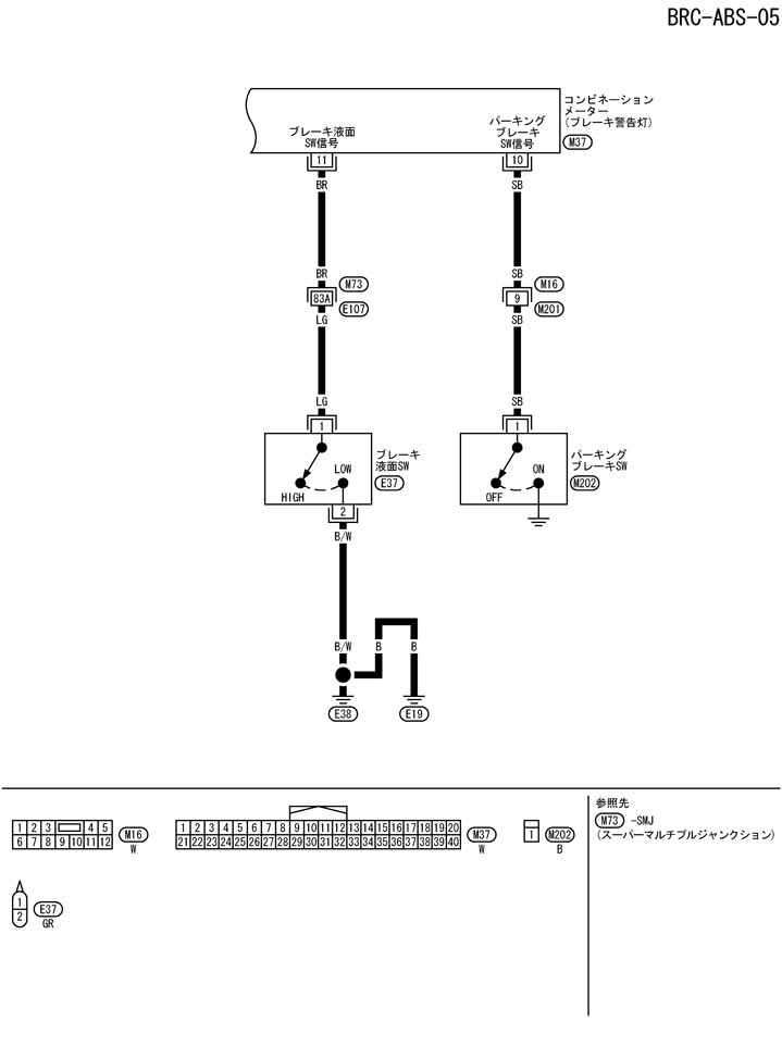
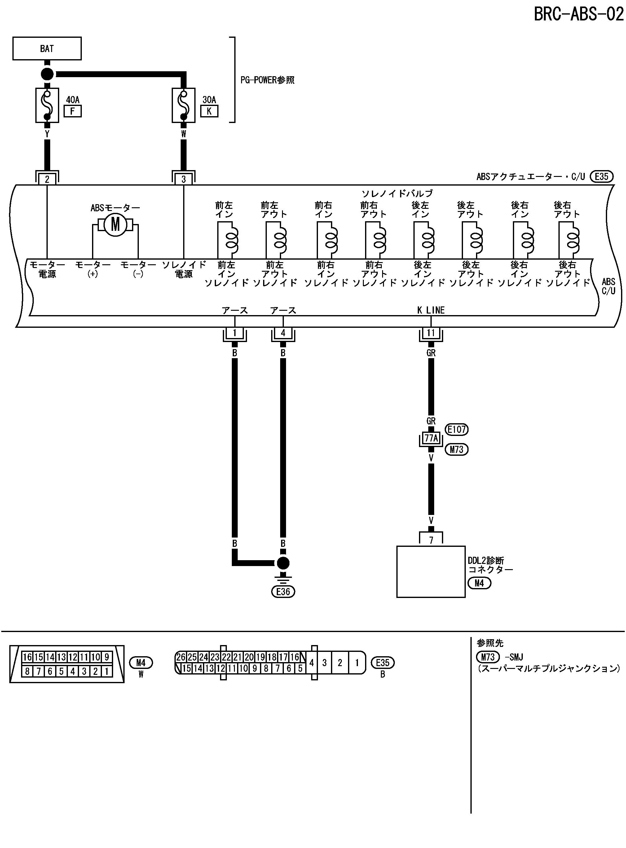
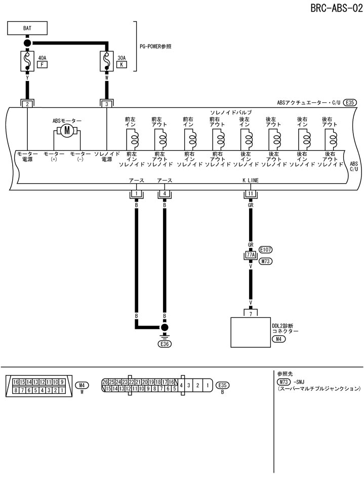
配線図 - ABS -
📄
Открыть схему TFWB0173J.PDF
📄
Открыть схему TFWB0174J.PDF
📄
Открыть схему TFWB0215J.PDF
📄
Открыть схему TFWB0176J.PDF
📄
Открыть схему TFWB0177J.PDF
Предыдущий: Схема диагностики неисправностей
Назад
Следующий: Диагностика неисправности входного/выходного сигнала блока управления, опорное значение
Вперед