ВИЗАТОР
Новости японской автоиндустрии
Главная
Новости
FAQ
Аукционы
Руководства по ремонту
Nissan Wingroad Y12: полное руководство по ремонту и обслуживанию на русском языке
Вы здесь:
Главная
Руководства по ремонту
Nissan Wingroad Y12: полное руководство по ремонту и обслуживанию на русском языке
Привод и мосты
Электрический привод колес
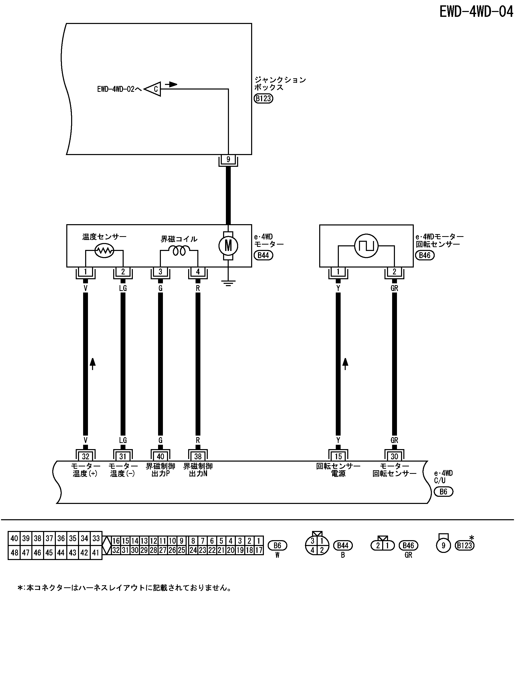
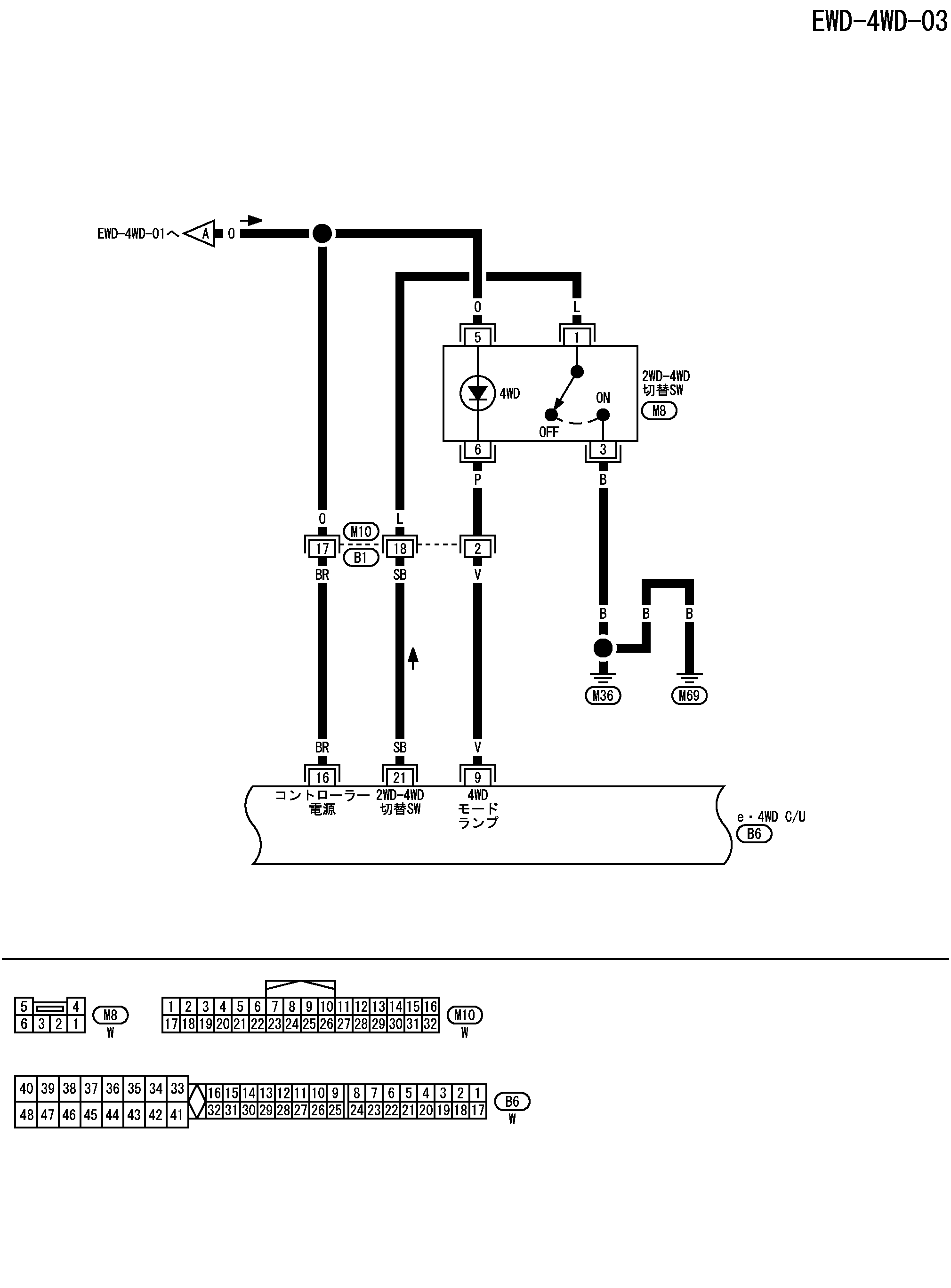
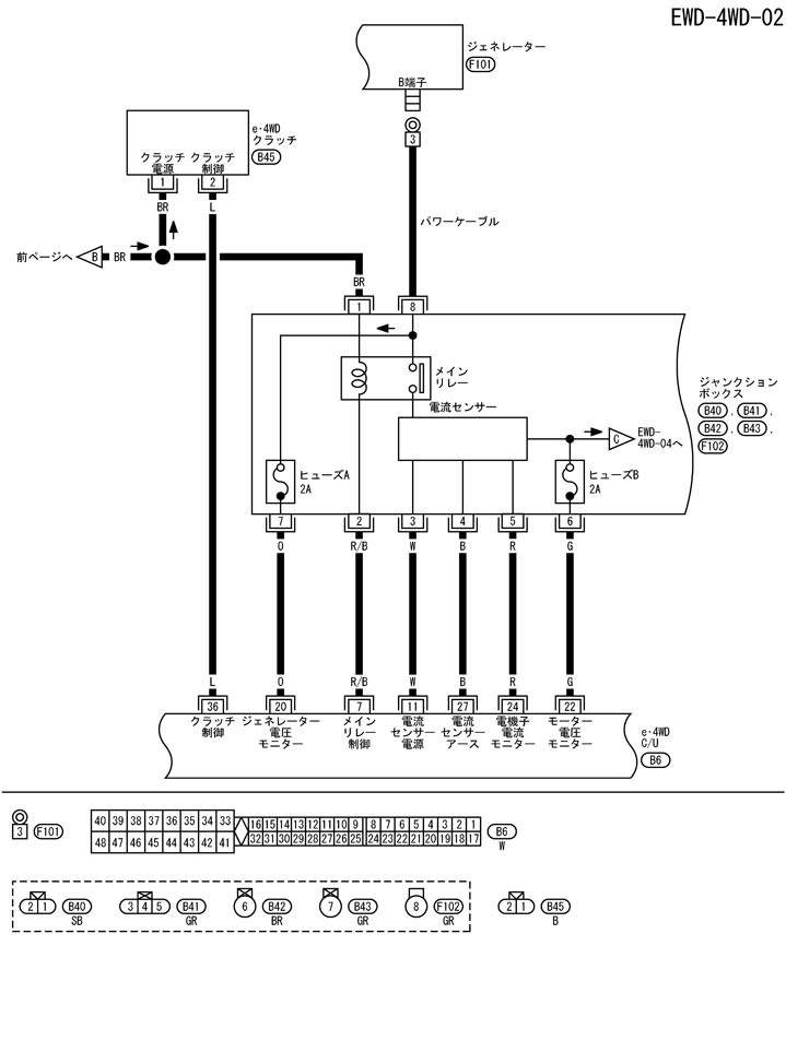
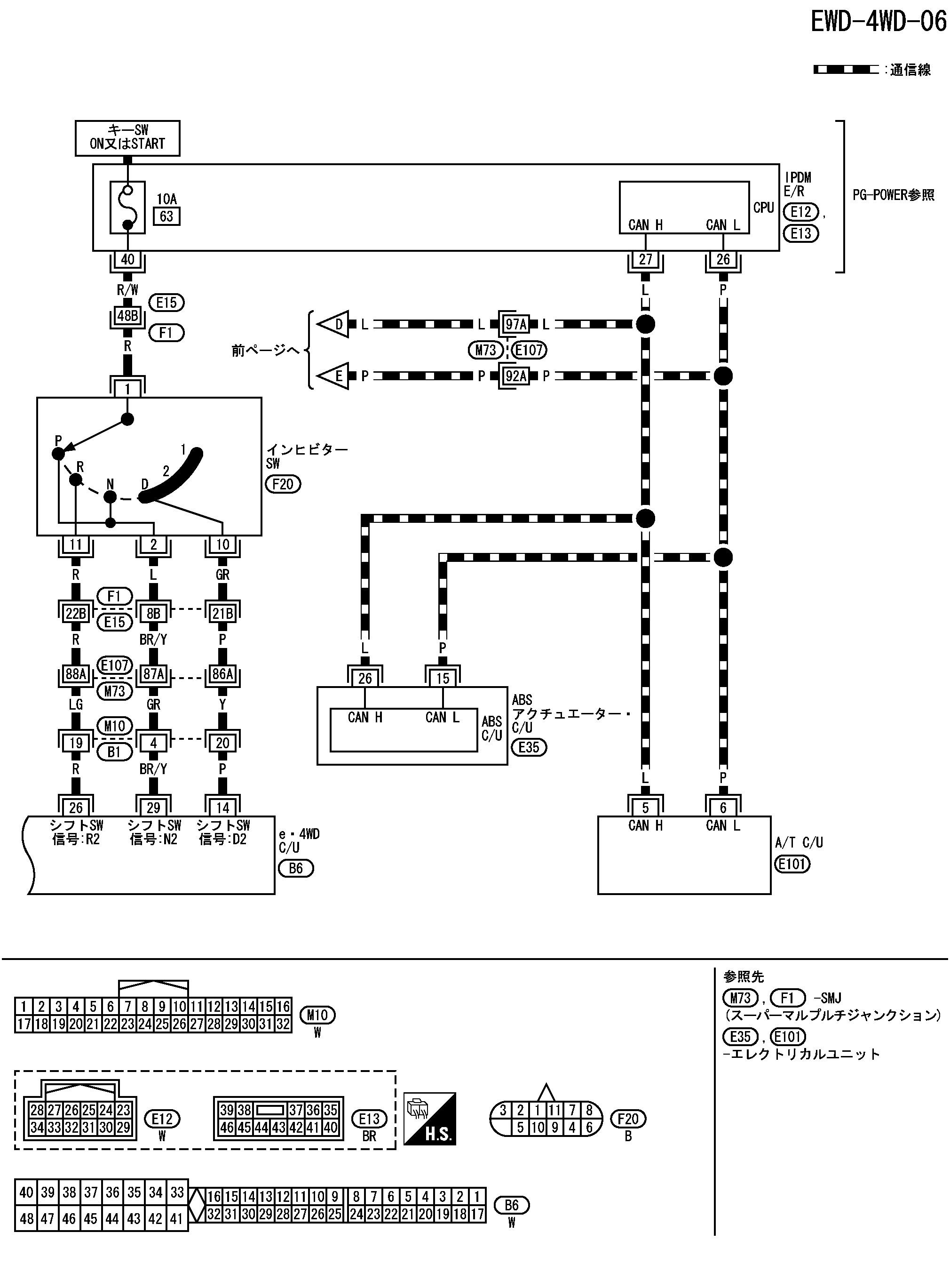
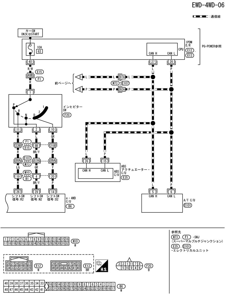
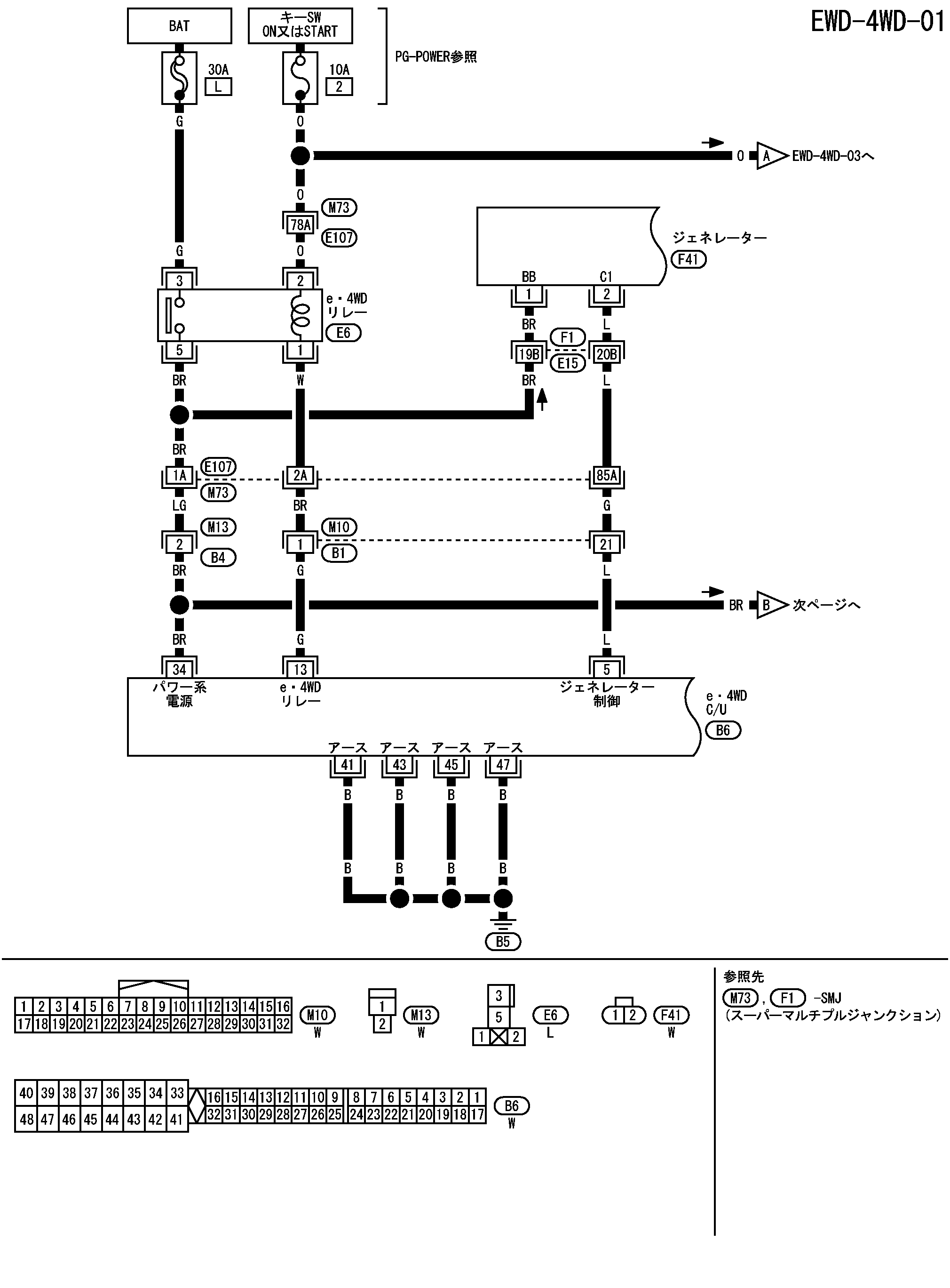
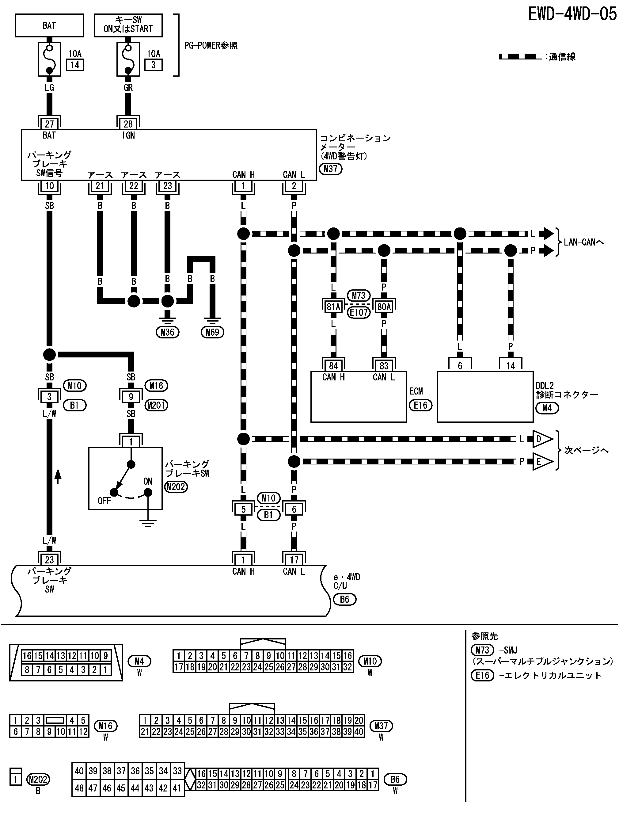
Схема подключения — 4wd — Диагностика неисправностей
Схема подключения — 4wd — Диагностика неисправностей
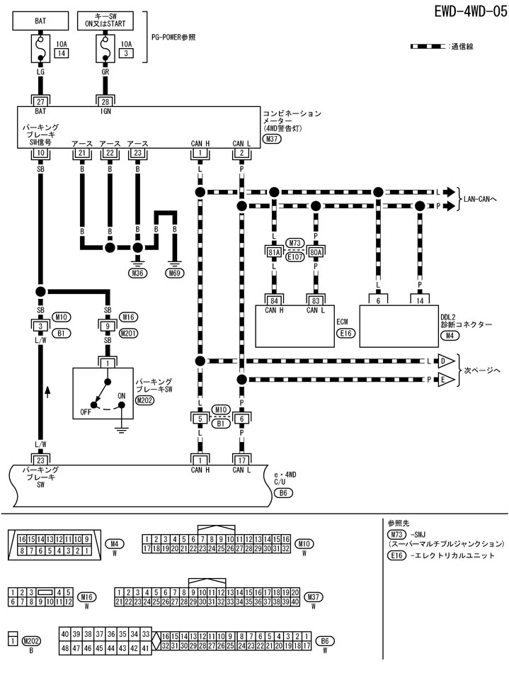
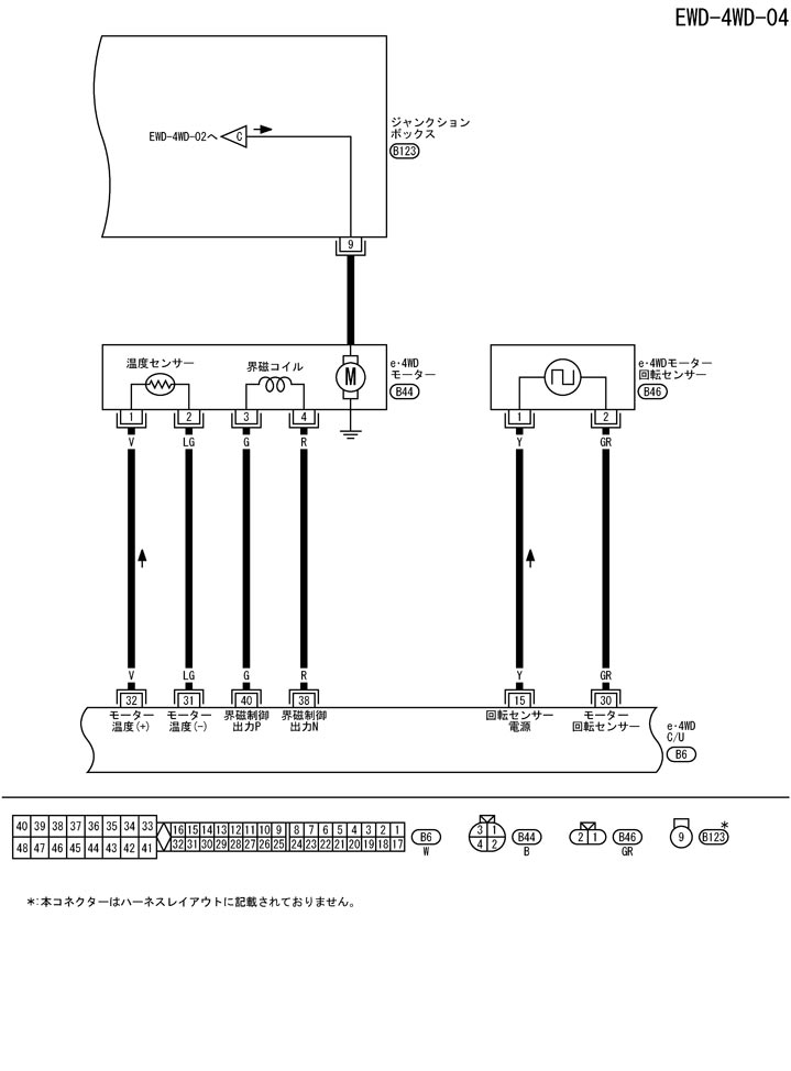
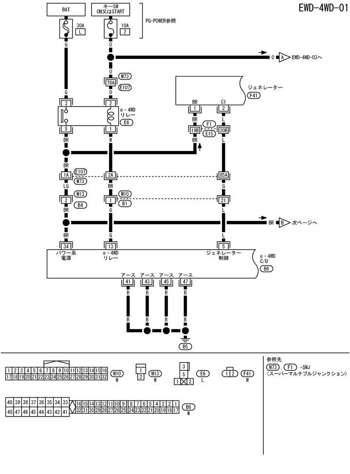
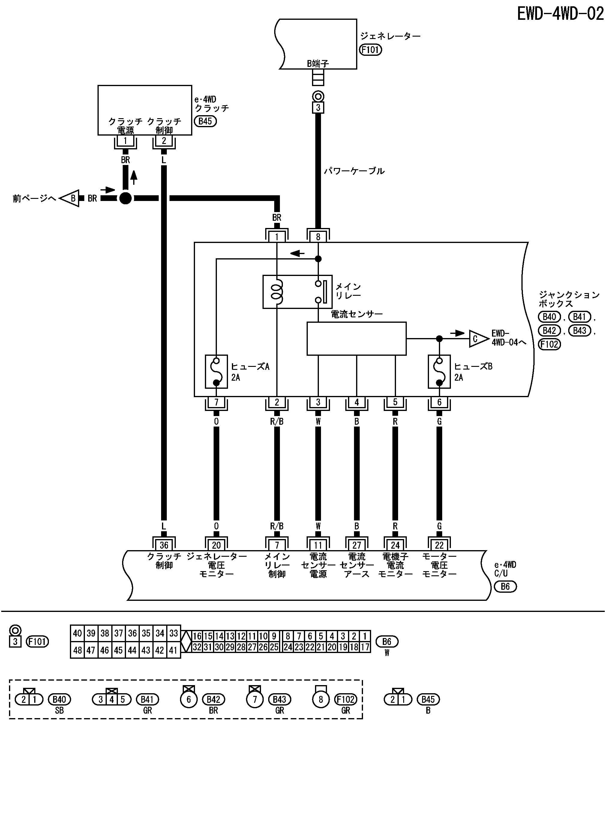
配線図 - 4WD -
📄
Открыть схему TDWB0095J.PDF
📄
Открыть схему TDWB0057J.PDF
📄
Открыть схему TDWB0096J.PDF
📄
Открыть схему TDWB0059J.PDF
📄
Открыть схему TDWB0097J.PDF
📄
Открыть схему TDWB0098J.PDF
Предыдущий: Схема диагностики неисправностей
Назад
Следующий: e/4wd c/u, диагностика неисправности опорного значения входного/выходного сигнала
Вперед