ВИЗАТОР
Новости японской автоиндустрии
Главная
Новости
FAQ
Аукционы
Руководства по ремонту
Nissan Wingroad Y12: полное руководство по ремонту и обслуживанию на русском языке
Вы здесь:
Главная
Руководства по ремонту
Nissan Wingroad Y12: полное руководство по ремонту и обслуживанию на русском языке
Привод и мосты
Электрический привод колес
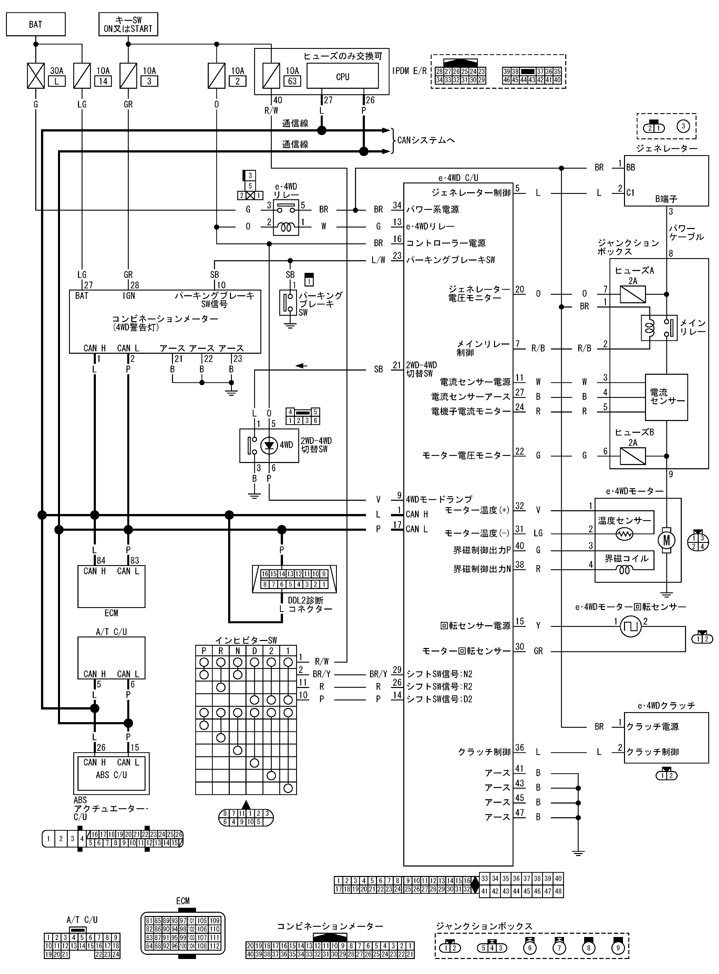
Принципиальная схема системы e/4wd
Принципиальная схема системы e/4wd
принципиальная схема
Предыдущий: может ли система связи e/4wd
Назад
Следующий: Функция самодиагностики системы e/4WD
Вперед