ВИЗАТОР
Новости японской автоиндустрии
Главная
Новости
FAQ
Аукционы
Руководства по ремонту
Nissan Wingroad Y12: полное руководство по ремонту и обслуживанию на русском языке
Вы здесь:
Главная
Руководства по ремонту
Nissan Wingroad Y12: полное руководство по ремонту и обслуживанию на русском языке
Кузов
Стекла, окна, зеркала
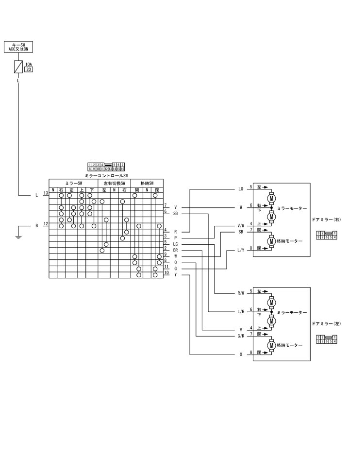
Схема зеркала на двери
Схема зеркала на двери
принципиальная схема
📄
Открыть схему TIWB1347J.PDF
Предыдущий: Положение установки компонента Дверное зеркало
Назад
Следующий: Схема подключения – зеркало – зеркало заднего вида
Вперед