ВИЗАТОР
Новости японской автоиндустрии
Главная
Новости
FAQ
Аукционы
Руководства по ремонту
Nissan Wingroad Y12: полное руководство по ремонту и обслуживанию на русском языке
Вы здесь:
Главная
Руководства по ремонту
Nissan Wingroad Y12: полное руководство по ремонту и обслуживанию на русском языке
Кузов
Стекла, окна, зеркала
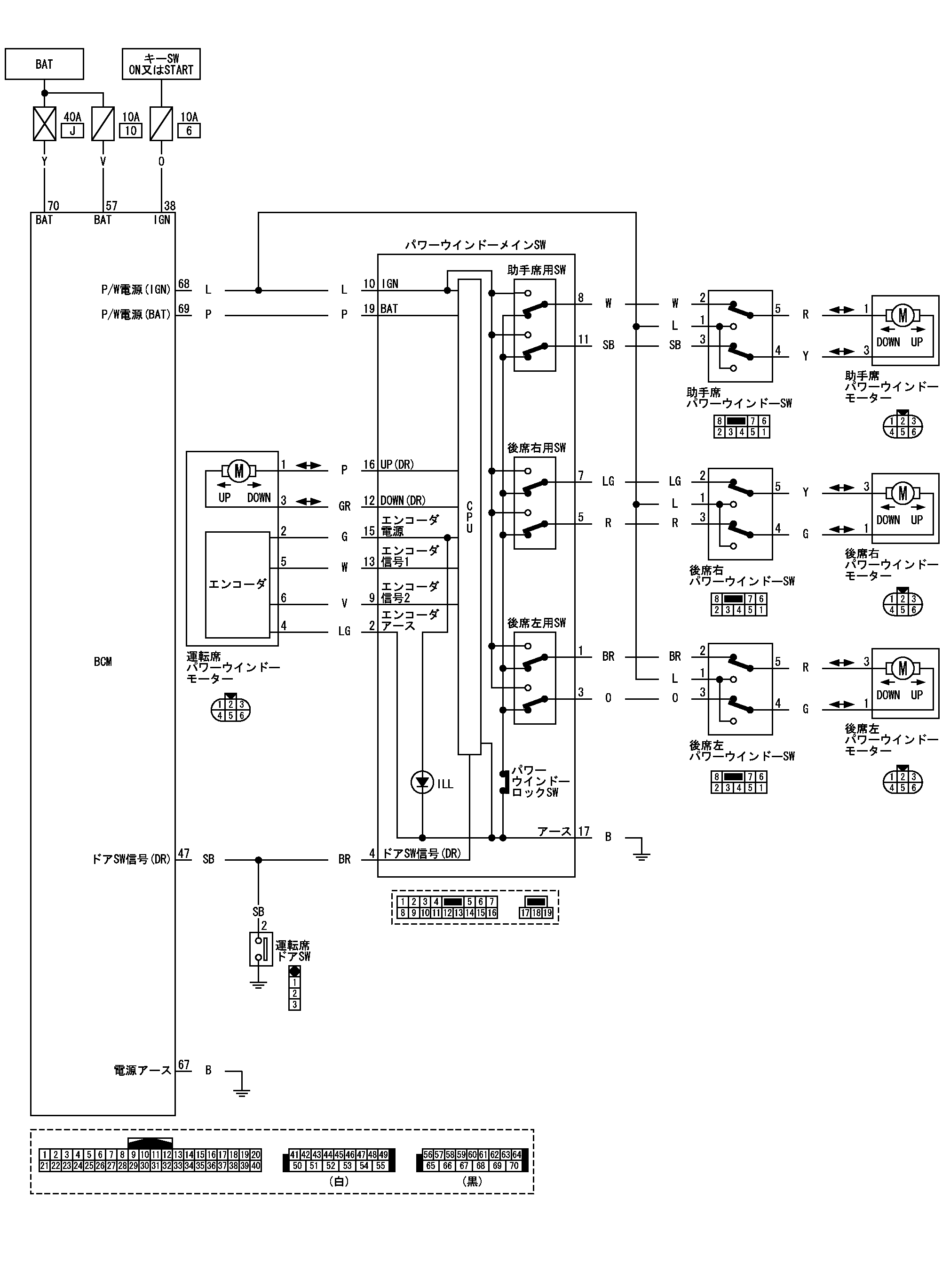
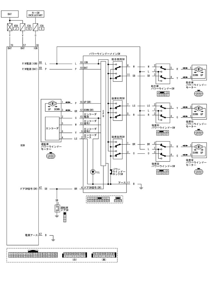
Схема системы электрических стеклоподъемников
Схема системы электрических стеклоподъемников
принципиальная схема
📄
Открыть схему TIWB0869J.PDF
Предыдущий: Положение установки компонента
Назад
Следующий: Схема подключения - окна - электрические стеклоподъемники
Вперед