ВИЗАТОР
Новости японской автоиндустрии
Главная
Новости
FAQ
Аукционы
Руководства по ремонту
Nissan Wingroad Y12: полное руководство по ремонту и обслуживанию на русском языке
Вы здесь:
Главная
Руководства по ремонту
Nissan Wingroad Y12: полное руководство по ремонту и обслуживанию на русском языке
Кузов
Стекла, окна, зеркала
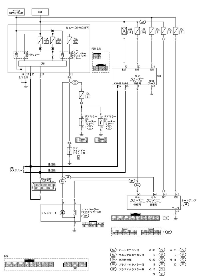
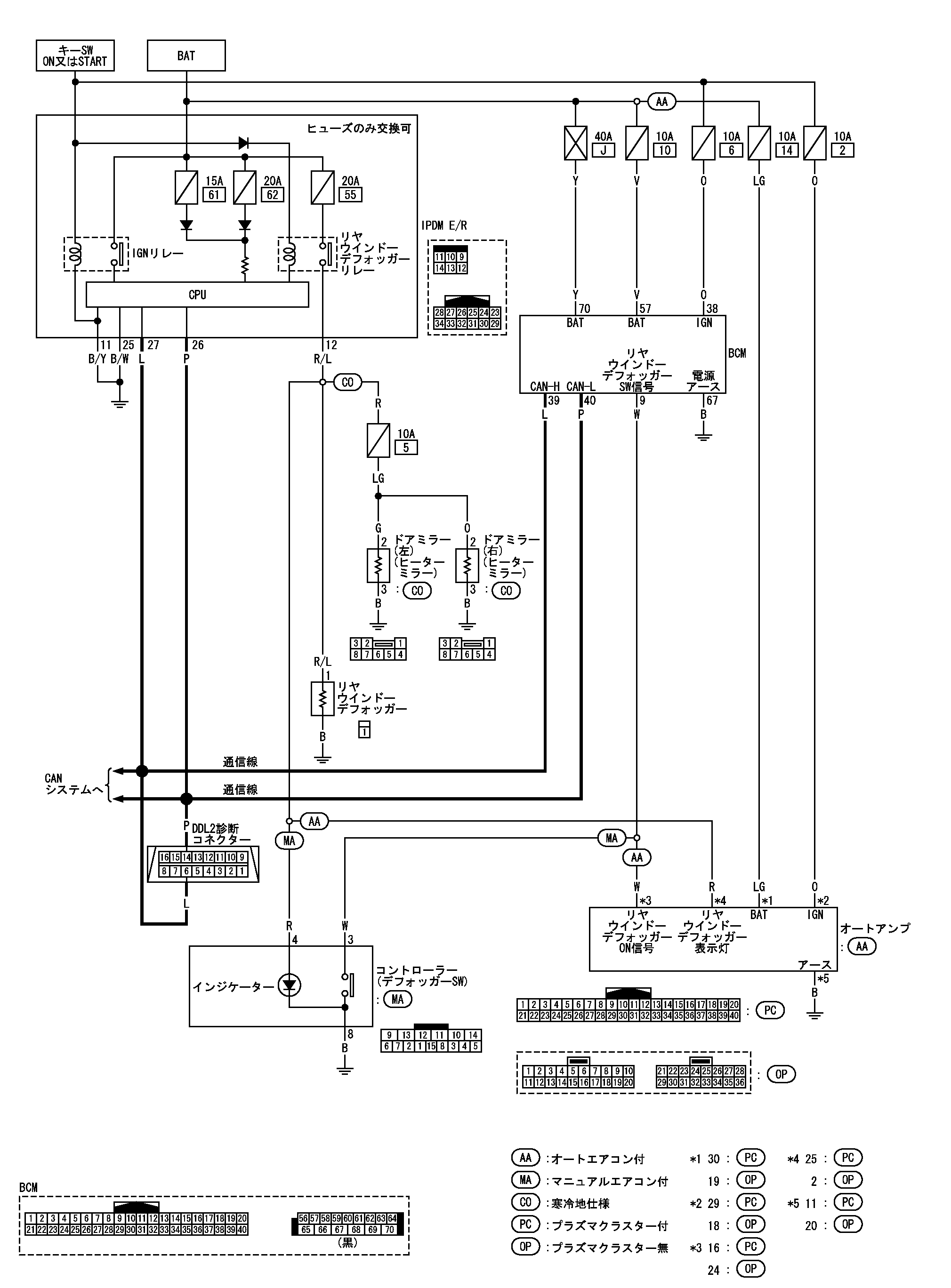
Схема обогревателя заднего стекла
Схема обогревателя заднего стекла
принципиальная схема
📄
Открыть схему TIWB1554J.PDF
Предыдущий: Место установки компонента Обогреватель заднего стекла
Назад
Следующий: Схема подключения - def - обогреватель заднего стекла
Вперед