一つの機能を複数のコントロールユニットで制御しているシステムの理解を深める為に、下記の内容を説明する。
機能別回路図:制御に関する、各コントロールユニットの入出力信号及び作動回路を示す。
機能別初期点検表:各コントロールユニットの入出力信号及び作動について、素早い点検方法を示す。

リヤウインドーデフォッガー制御機能故障診断情報(リヤウインドーデフォッガーがONしない。)

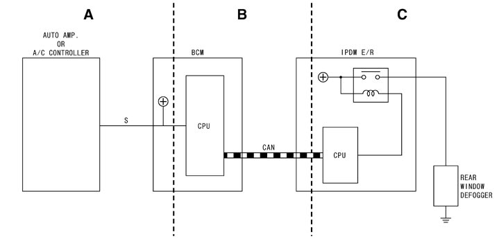
機能別回路図

S:
| リヤウインドーデフォッガーSW入力信号
|
CAN:
| リヤウインドーデフォッガーSW信号
|

機能別初期点検表
部位
| CONSULT-ll
| オート アクティブ テスト
|
BCM
| IPDM E/R
|
データ モニター
| アクティブ テスト
| データ モニター
| アクティブ テスト
|
A
|
|
|
|
|
|
B
| 有
| 有
| 有
|
|
|
C
|
|
| 有
| 有
| 有
|