ВИЗАТОР
Новости японской автоиндустрии
Главная
Новости
FAQ
Аукционы
Руководства по ремонту
Nissan Wingroad Y12: полное руководство по ремонту и обслуживанию на русском языке
Вы здесь:
Главная
Руководства по ремонту
Nissan Wingroad Y12: полное руководство по ремонту и обслуживанию на русском языке
Кузов
Кузов, замки, безопасность
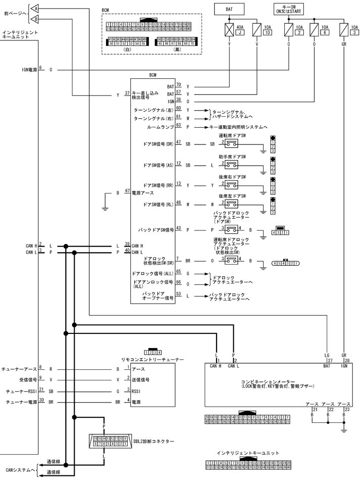
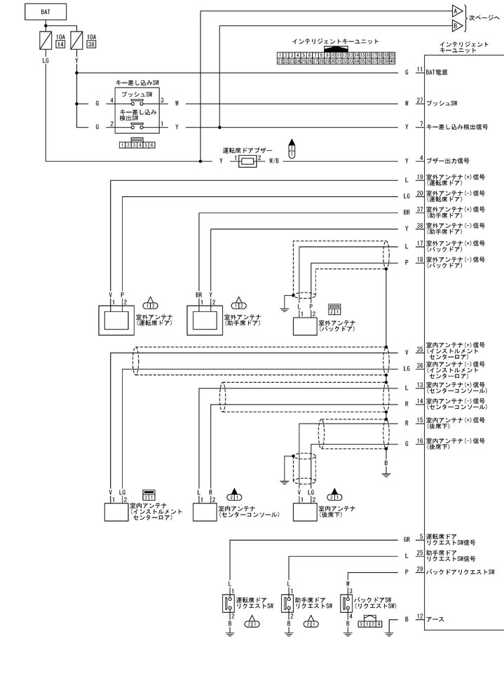
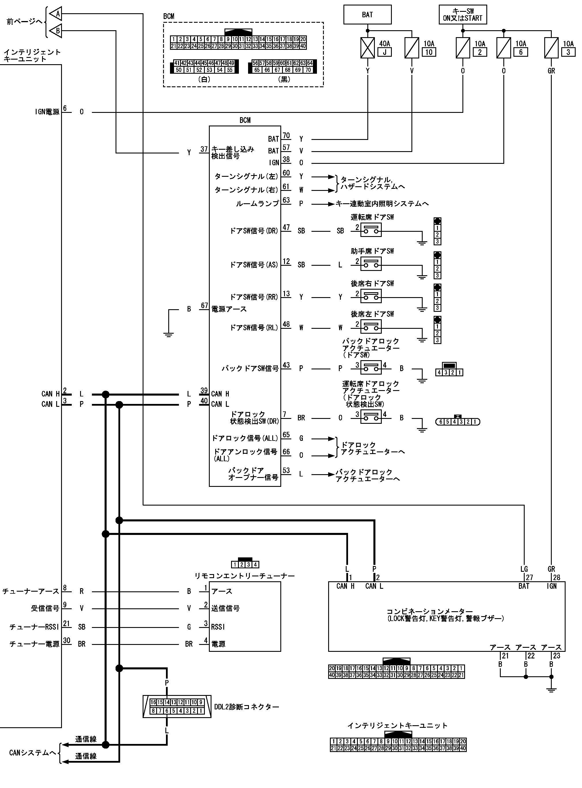
Схематическая интеллектуальная система ключей
Схематическая интеллектуальная система ключей
принципиальная схема
📄
Открыть схему TIWB0853J.PDF
Предыдущий: Положение установки компонентов, интеллектуальная система ключей
Назад
Следующий: Consult-ii оснащен интеллектуальной системой ключей
Вперед