ВИЗАТОР
Новости японской автоиндустрии
Главная
Новости
FAQ
Аукционы
Руководства по ремонту
Nissan Wingroad Y12: полное руководство по ремонту и обслуживанию на русском языке
Вы здесь:
Главная
Руководства по ремонту
Nissan Wingroad Y12: полное руководство по ремонту и обслуживанию на русском языке
Кузов
Кузов, замки, безопасность
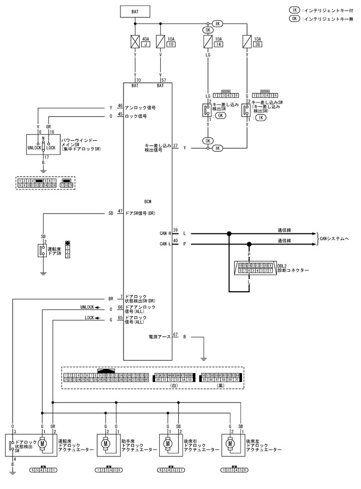
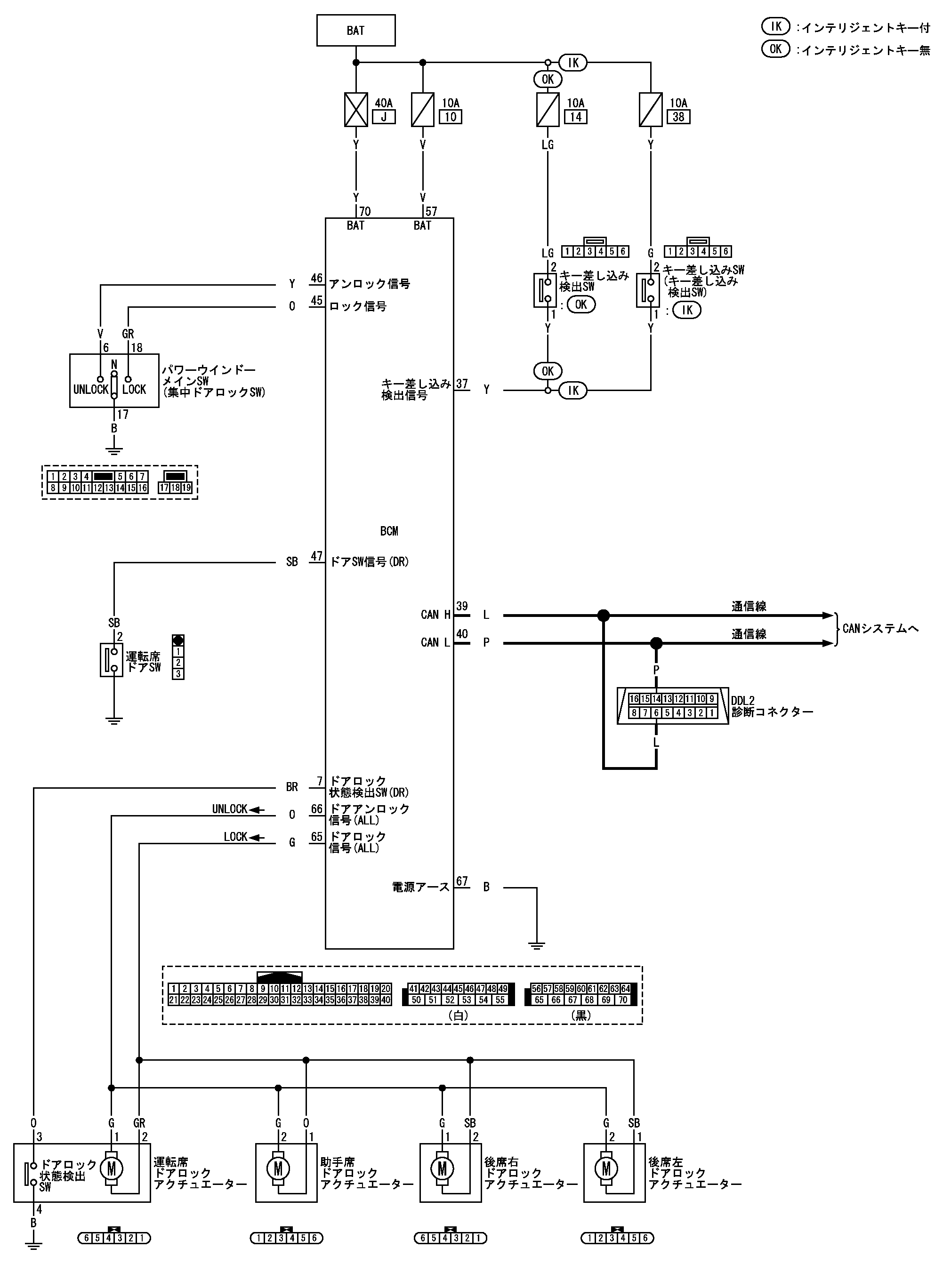
Схема центрального замка двери
Схема центрального замка двери
принципиальная схема
📄
Открыть схему TIWB0843J.PDF
Предыдущий: Положение установки компонента централизованная система дверных замков
Назад
Следующий: Схема подключения - д/замок - система центрального замка двери
Вперед