ВИЗАТОР
Новости японской автоиндустрии
Главная
Новости
FAQ
Аукционы
Руководства по ремонту
Nissan Wingroad Y12: полное руководство по ремонту и обслуживанию на русском языке
Вы здесь:
Главная
Руководства по ремонту
Nissan Wingroad Y12: полное руководство по ремонту и обслуживанию на русском языке
Кузов
Кузов, замки, безопасность
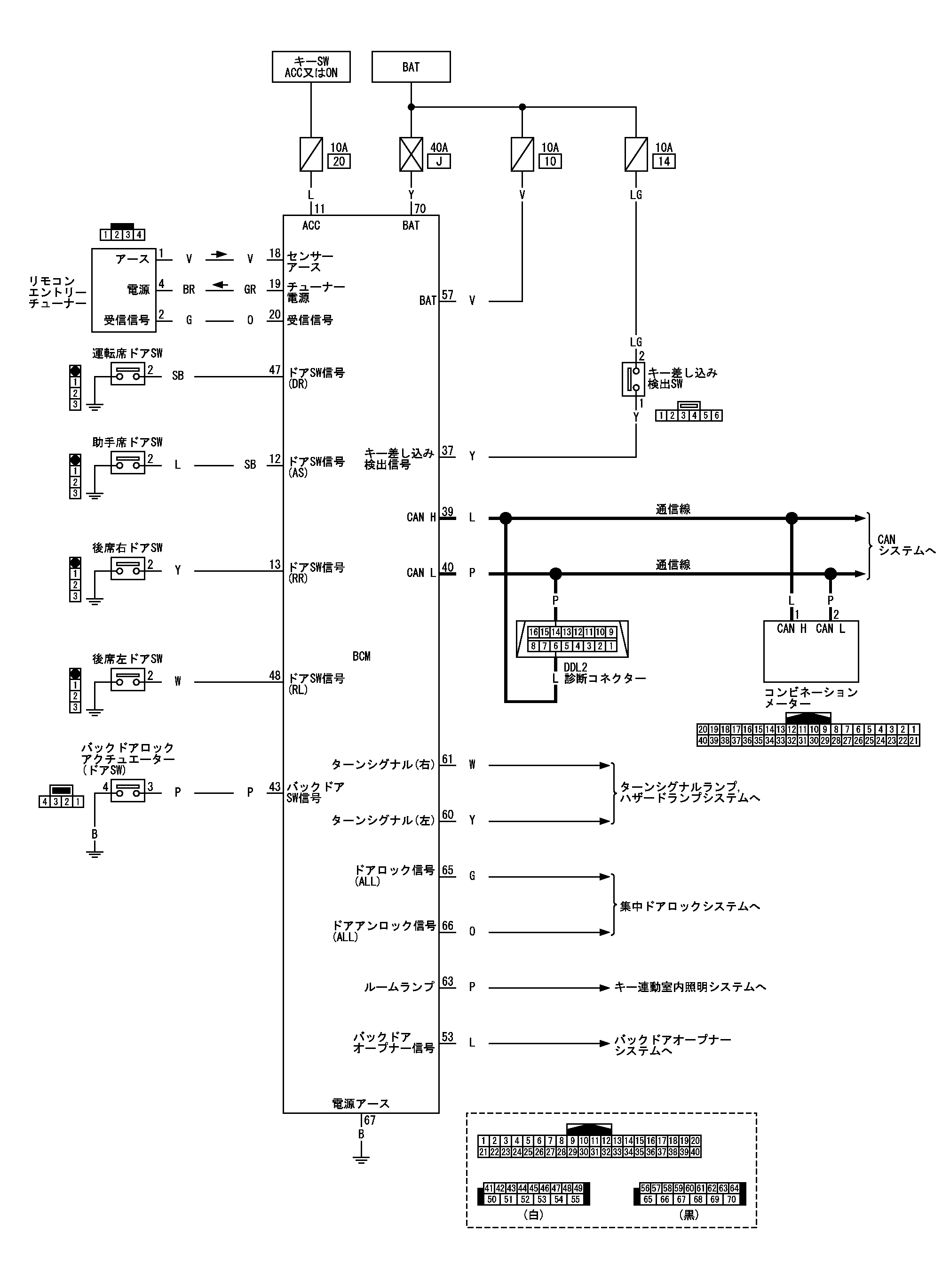
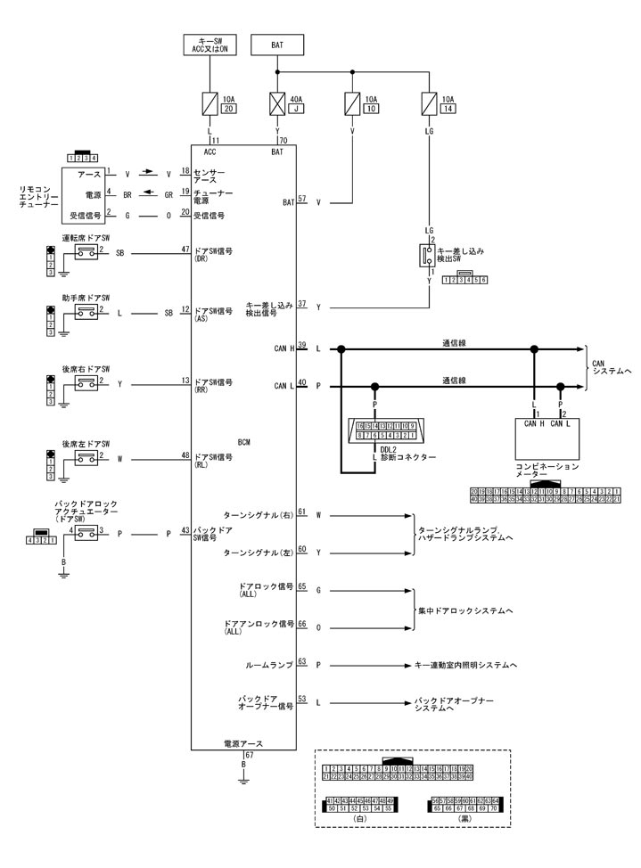
Схема системы входа с дистанционным управлением
Схема системы входа с дистанционным управлением
принципиальная схема
📄
Открыть схему TIWB0848J.PDF
Предыдущий: Положение установки компонента, система дистанционного управления входом
Назад
Следующий: Обзор работы Система входа с дистанционным управлением
Вперед