Снятие и установка

 
 構成図


SJIA1429J.JPG

1.
サイドデフロスターダクト(左)
2.
サイドベンチレーターダクト(左)
3.
インストルメントパネル
4.
サイドベンチレーターASSY(左)
5.
クラスターリッドC
6.
サイドベンチレーターASSY(右)
7.
サイドベンチレーターダクト(右)
8.
サイドデフロスターダクト(右)
9.
デフロスターノズル
10.
センターベンチレーターダクト(左)
11.
センターベンチレーターダクト(右)



 
 センターベンチレーターグリル
 
 取り外し

クラスターリッドCを取り外す。「IPインストルメントパネル」のインストルメント ASSYを参照。
 
 取り付け

取り付けは、取り外しの逆の手順で行う。
 
 サイドベンチレーターグリル
 
 取り外し

    1.インストルメントサイドフィニッシャー(右)を取り外す。「IP インストルメントパネル」のインストルメント ASSYを参照。
    2.クリップ(A)6箇所を外し、サイドベンチレーターASSY(右)(1)を取り外す。
    ZJIA1037J.JPG

    3.インストルメントサイドフィニッシャー(左)を取り外す。「IPインストルメントパネル」のインストルメント ASSYを参照。
    4.取付スクリュー(A)及びクリップ(B)5箇所を外し、サイドベンチレーターASSY(左)(1)を取り外す。
    ZJIA1038J.JPG
 
 取り付け

取り付けは、取り外しの逆の手順で行う。
 
 デフロスターノズル及びダクト
 
 取り外し

    1.インストルメントパネルを取り外す。「IPインストルメントパネル」のインストルメント ASSYを参照。
    2.取付スクリュー(A)2本及びクリップ(B)3箇所を外し、エアコンユニット(1)からサイドデフロスターダクト(左右)(2)、(3)及びデフロスターノズル(4)を取り外す。
    ZJIA1000J.JPG
 
 取り付け

取り付けは、取り外しの逆の手順で行う。
 
 サイドベンチレーターダクト
 
 取り外し

    1.インストルメントパネルを取り外す。「IPインストルメントパネル」のインストルメント ASSYを参照。
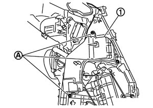
    2.取付スクリュー(A)及びクリップ(B)を外し、サイドベンチレーターダクト(左)(1)を取り外す。
    ZJIA1001J.JPG

    3.ステアリングコラムASSY取付ナット4本を外し、ステアリングコラムASSYを下げる。「PS パワーステアリング」のステアリングコラム を参照。
    4.ステアリングメンバー取付ボルトを外し、手前にずらした状態で、取付スクリュー(A)及びクリップ(B)を外し、サイドベンチレーターダクト(右)(1)を取り外す。エアコンユニットを参照。
    ZJIA1002J.JPG
    参考:
    冷媒の回収及びエンジン冷却水の抜き取りは行わない。
 
 取り付け

取り付けは、取り外しの逆の手順で行う。
 
 センターベンチレーターダクト
 
 取り外し

    1.インストルメントパネルを取り外す。「IPインストルメントパネル」のインストルメント ASSYを参照。
    2.取付スクリュー(A)各2本を外し、センターベンチレーターダクト(左右)(1)及び(2)を取り外す。
    ZJIA1003J.JPG
 
 取り付け

取り付けは、取り外しの逆の手順で行う。
 
 フットダクト
 
 取り外し

    1.インストルメントパネルを取り外す。「IPインストルメントパネル」のインストルメント ASSYを参照。
    2.ステアリングメンバーを取り外す。エアコンユニット を参照。
    参考:
    冷媒の回収及びエンジン冷却水の抜き取りは行わない。
    3.取付スクリュー(A)3本を外し、フットダクト(左)(1)を取り外す。
    ZJIA0824J.JPG

    4.取付スクリュー(A)3本を外し、フットダクト(右)(1)を取り外す。
    ZJIA0825J.JPG

 
 取り付け

取り付けは、取り外しの逆の手順で行う。
 
 フロアダクト
 
 構成図


SJIA1330J.JPG

1.
フロントフロアダクト
2.
リヤフロアダクト(左)
3.
クリップ
4.
リヤフロアダクト(右)





 
 取り外し

    1.フロントシートを取り外す。「SEシート」のフロントシートを参照。
    2.センターコンソールを取り外す。「IPインストルメントパネル」のインストルメント ASSYを参照。
    3.ダッシュサイドフィニッシャー(左右)を取り外す。「EI外装·内装」の取り外し、取り付けを参照。
    4.センターピラーロアガーニッシュ(左右)を取り外す。「EI外装·内装」の取り外し、取り付けを参照。
    5.フロントフロアダクト(1)を取り外す。
    ZJIA0827J.JPG

    6.車両横側からフロアカーペットをめくり、フロントフロアスペーサー(左右)を取り外す。「EI 外装·内装」のフロアトリムを参照。
    7.クリップ(A)2箇所を取り外し、リヤフロアダクト(左右)(1)及び(2)を取り外す。
    ZJIA0828J.JPG
 
 取り付け

取り付けは、取り外しの逆の手順で行う。