Разборка, сборка
|
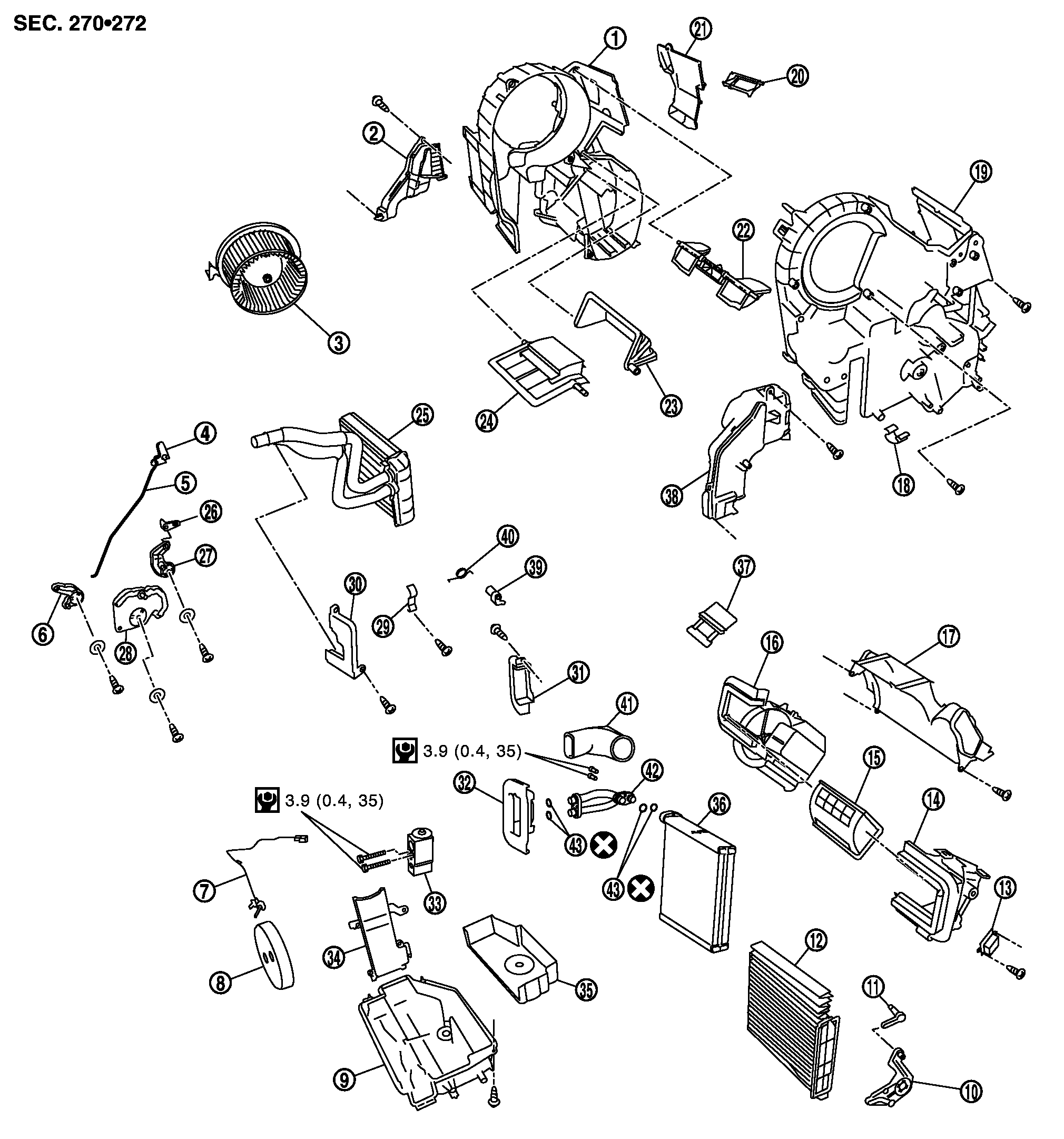
1. |
ブロアケース(右) |
2. |
フットダクト(右) |
3. |
ブロアファンモーター |
|
4. |
ベント·デフレバー |
5. |
ベント·デフロッド |
6. |
ベント·デフリンク |
|
7. |
サーモアンプ |
8. |
ヒーターパイプパッキン |
9. |
ロアブロアケース |
|
10. |
インテークドアリンク |
11. |
インテークレバー |
12. |
クリーンフィルター |
|
13. |
ブロアファンレジスター |
14. |
インテークケース(左) |
15. |
インテークドア |
|
16. |
インテークケース(右) |
17. |
アタッチメントケース |
18. |
クリップ |
|
19. |
ブロアケース(左) |
20. |
カバー |
21. |
カバー |
|
22. |
ベント·デフドア |
23. |
フットドア |
24. |
エアミックスドア |
|
25. |
ヒーターコア |
26. |
フットレバー |
27. |
フットリンク |
|
28. |
メインリンク |
29. |
ヒーターパイプクリップ |
30. |
ヒーターパイプカバー |
|
31. |
エクスパンションバルブカバー |
32. |
エクスパンションバルブグロメット |
33. |
エクスパンションバルブ |
|
34. |
カバー |
35. |
インシュレーター |
36. |
エバポレーター |
|
37. |
インテークモードドア(寒冷地仕様車のみ) |
38. |
フットダクト(左) |
39. |
エアミックスドアレバー |
|
40. |
スプリング |
41. |
シール |
42. |
クーラーパイプASSY |
|
43. |
Oリング |
|
|
|
|
|
|
:N·m (kg‐m, in‐lb) |
|
|
:再使用不可部品 |