一つの機能を複数のコントロールユニットで制御しているシステムの理解を深める為に、下記の内容を説明する。
- 機能別回路図: 制御に関する、各コントロールユニットの入出力信号及び作動回路を示す。
- 機能別初期点検表: 各コントロールユニットの入出力信号及び作動について、素早い点検方法を示す。

エアコン制御機能故障診断情報(コンプレッサーがONしない。)

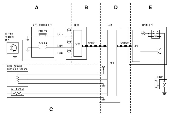
機能別回路図

L(1)
| :ブロアファンSW信号
|
L(2)
| :エアコンSW信号
|
L(3)
| :サーモアンプ信号
|
CAN(1)
| :エアコン信号
|
CAN(2)
| :コンプレッサヨウキュウ信号
|

機能別初期点検表
部位
| CONSULT‐II
| オートアクティブテスト
|
BCM
| ECM
| IPDM E/R
|
データモニタ
| データモニタ
| データモニタ
|
A
|
|
|
|
|
B
| 有
|
|
|
C
|
| 有
|
|
D
|
| 有
| 有
|
E
|
|
|
| 有
|