ВИЗАТОР
Новости японской автоиндустрии
Главная
Новости
FAQ
Аукционы
Руководства по ремонту
Nissan Wingroad Y12: полное руководство по ремонту и обслуживанию на русском языке
Вы здесь:
Главная
Руководства по ремонту
Nissan Wingroad Y12: полное руководство по ремонту и обслуживанию на русском языке
Кондиционирование
Автоматический кондиционер
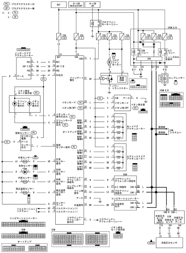
Схема системы автокондиционера
Схема системы автокондиционера
принципиальная схема
Предыдущий: Инструкция по эксплуатации Автоматическая система кондиционирования
Назад
Следующий: Компоненты системы автоматического кондиционирования воздуха
Вперед