ВИЗАТОР
Новости японской автоиндустрии
Главная
Новости
FAQ
Аукционы
Руководства по ремонту
Nissan Wingroad Y12: полное руководство по ремонту и обслуживанию на русском языке
Вы здесь:
Главная
Руководства по ремонту
Nissan Wingroad Y12: полное руководство по ремонту и обслуживанию на русском языке
Кондиционирование
Автоматический кондиционер
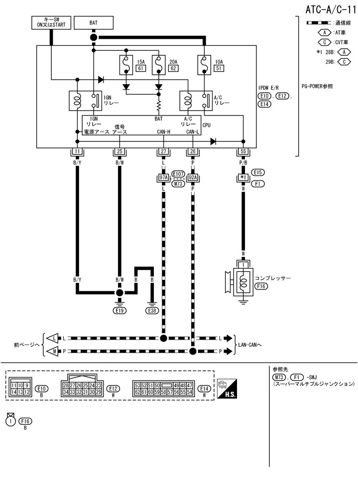
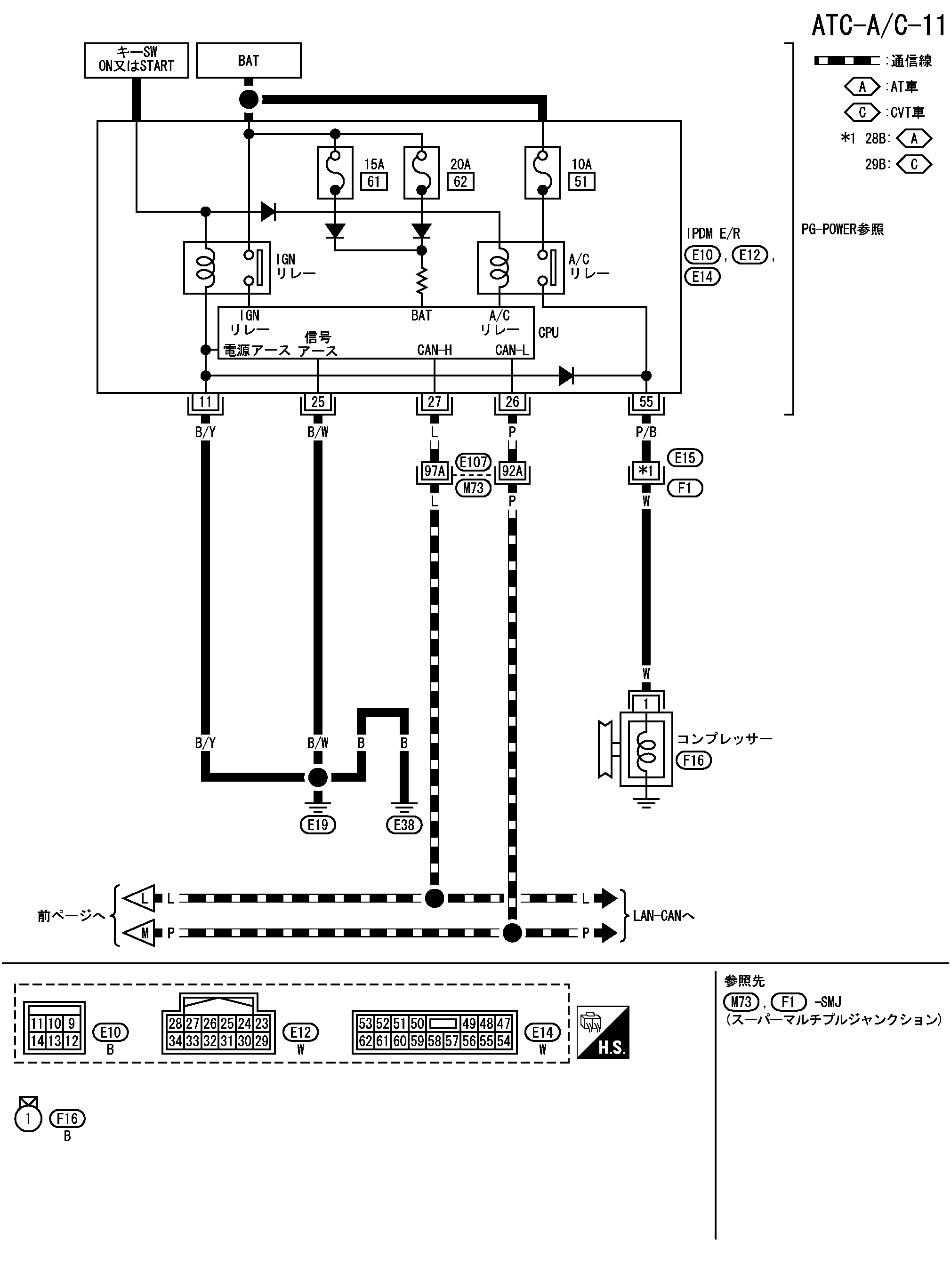
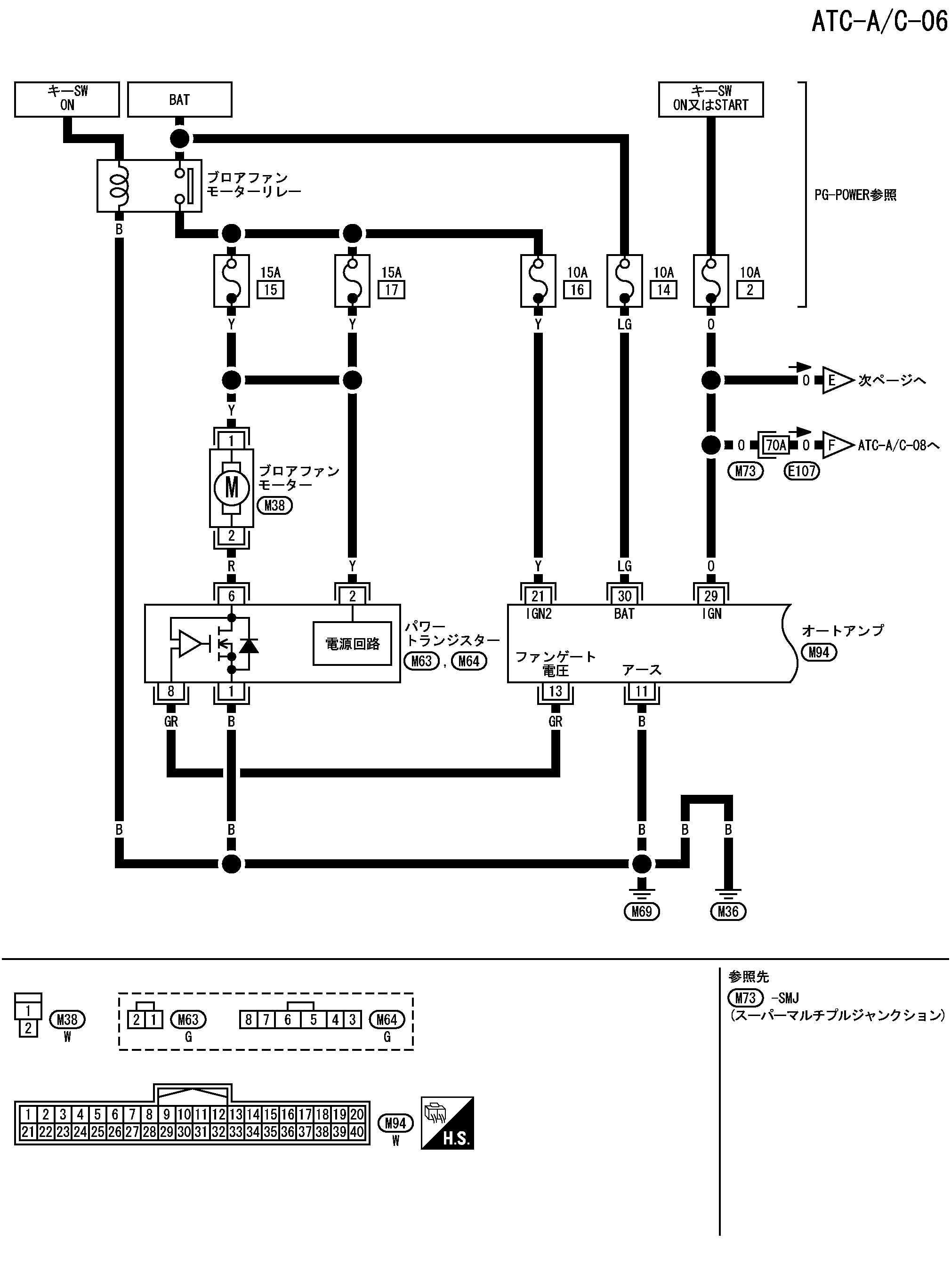
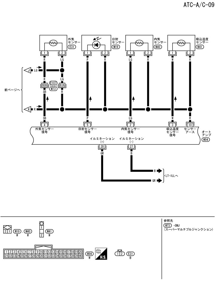
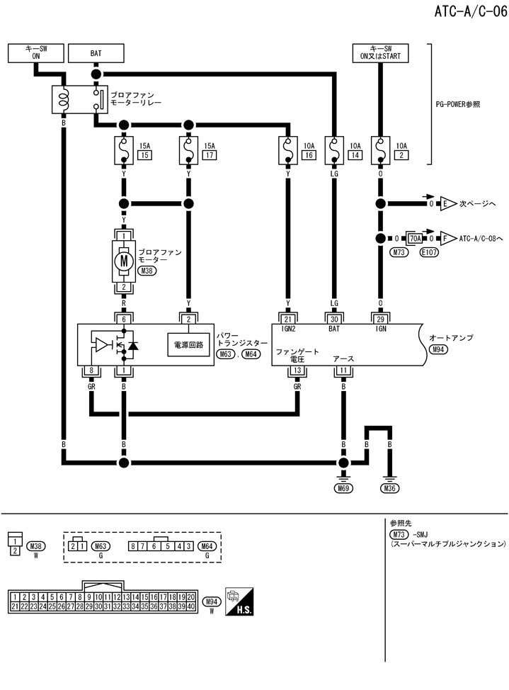
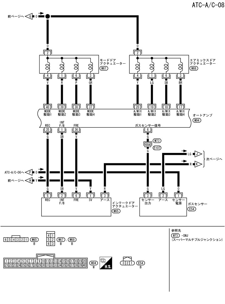
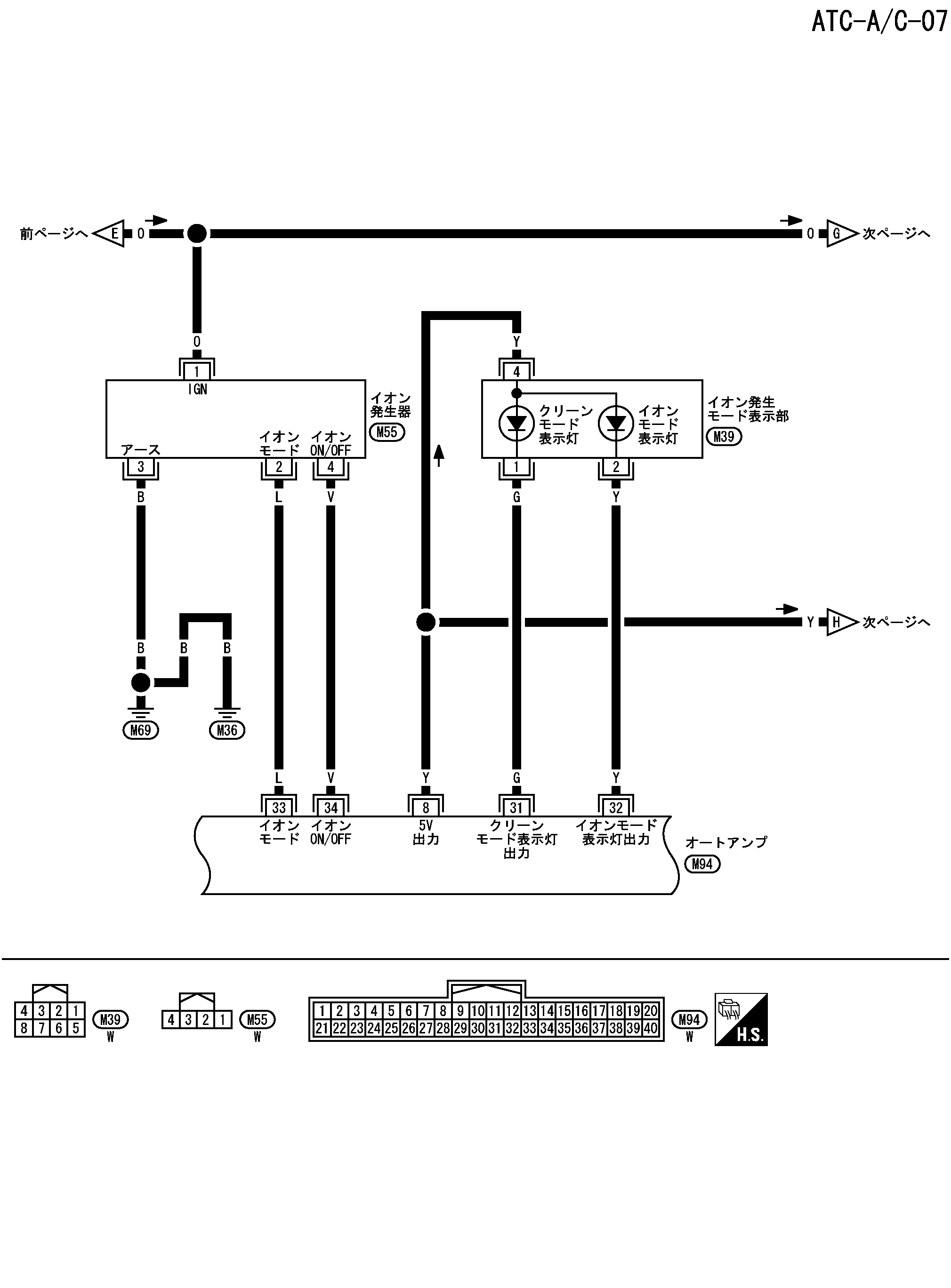
Схема подключения — кондиционер — диагностика неисправностей
Схема подключения — кондиционер — диагностика неисправностей
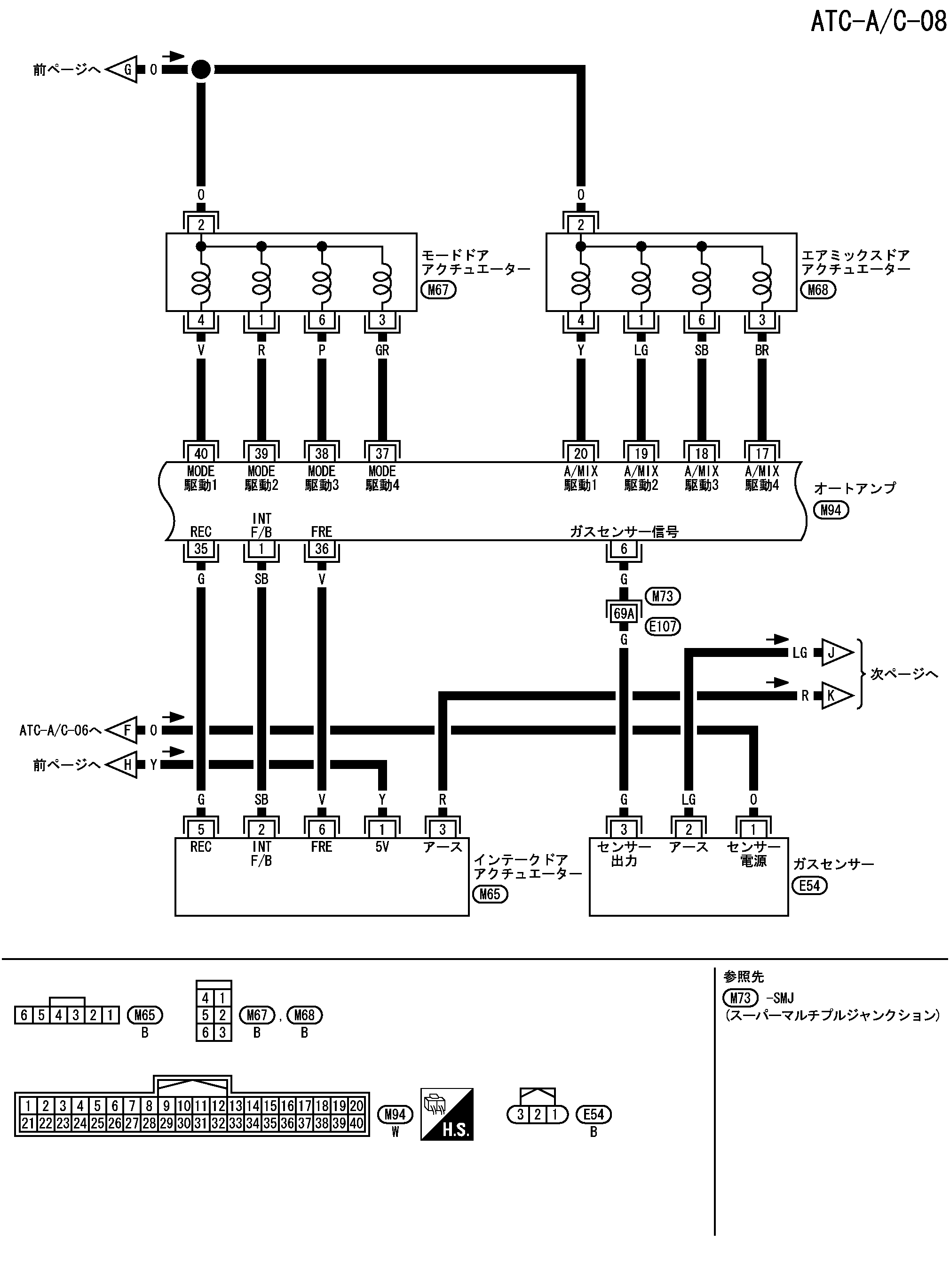
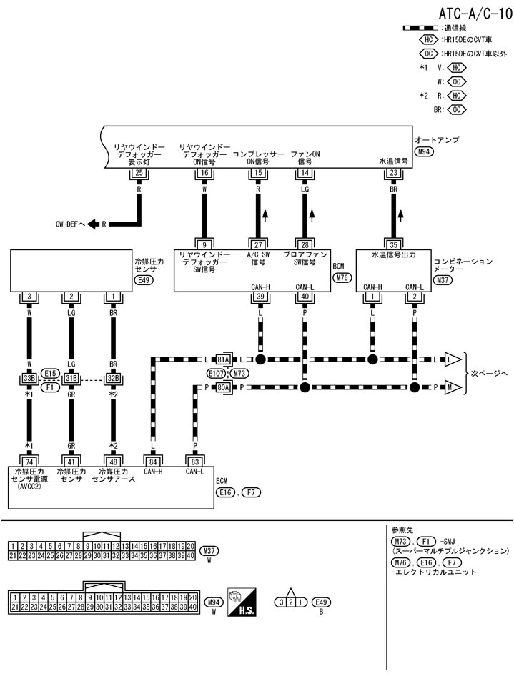
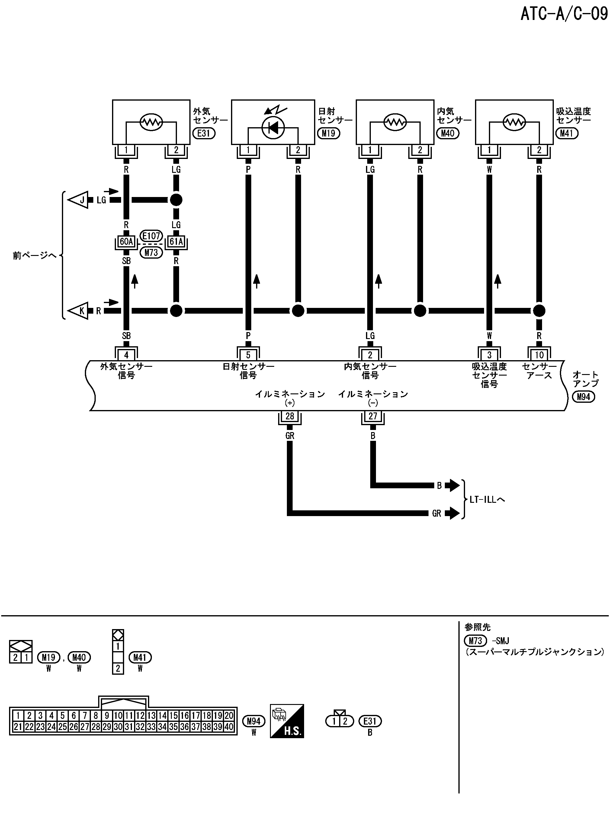
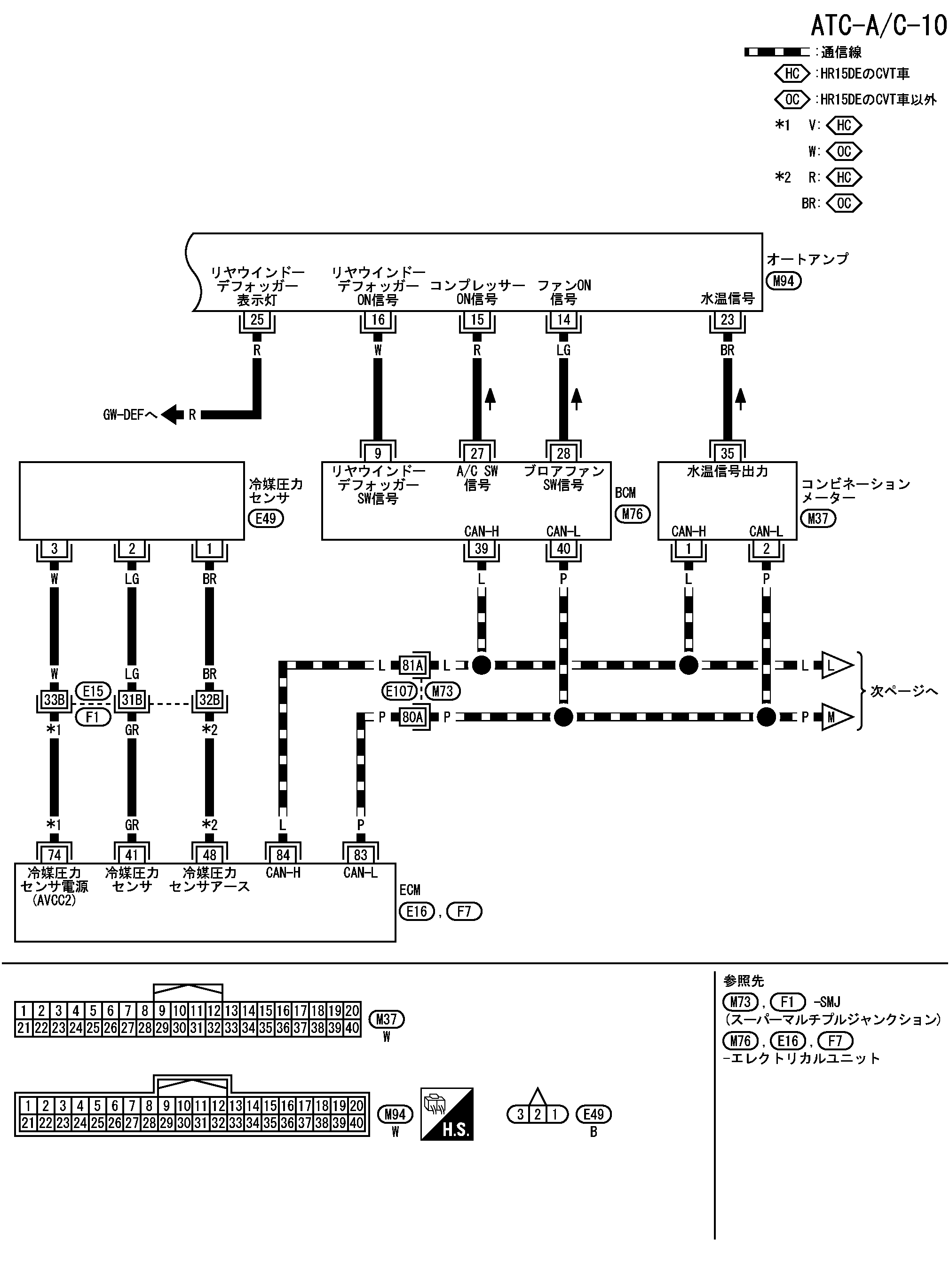
配線図 - A/C -
📄
Открыть схему TJWB0270J.PDF
📄
Открыть схему TJWB0271J.PDF
📄
Открыть схему TJWB0272J.PDF
📄
Открыть схему TJWB0273J.PDF
📄
Открыть схему TJWB0323J.PDF
📄
Открыть схему TJWB0324J.PDF
Предыдущий: Схема диагностики неисправностей
Назад
Следующий: Диагностика сбоя опорного значения входного/выходного сигнала автоматического усилителя
Вперед