Разборка, сборка
|
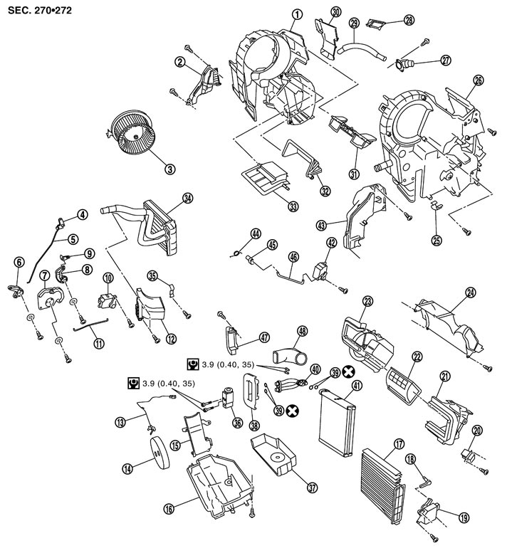
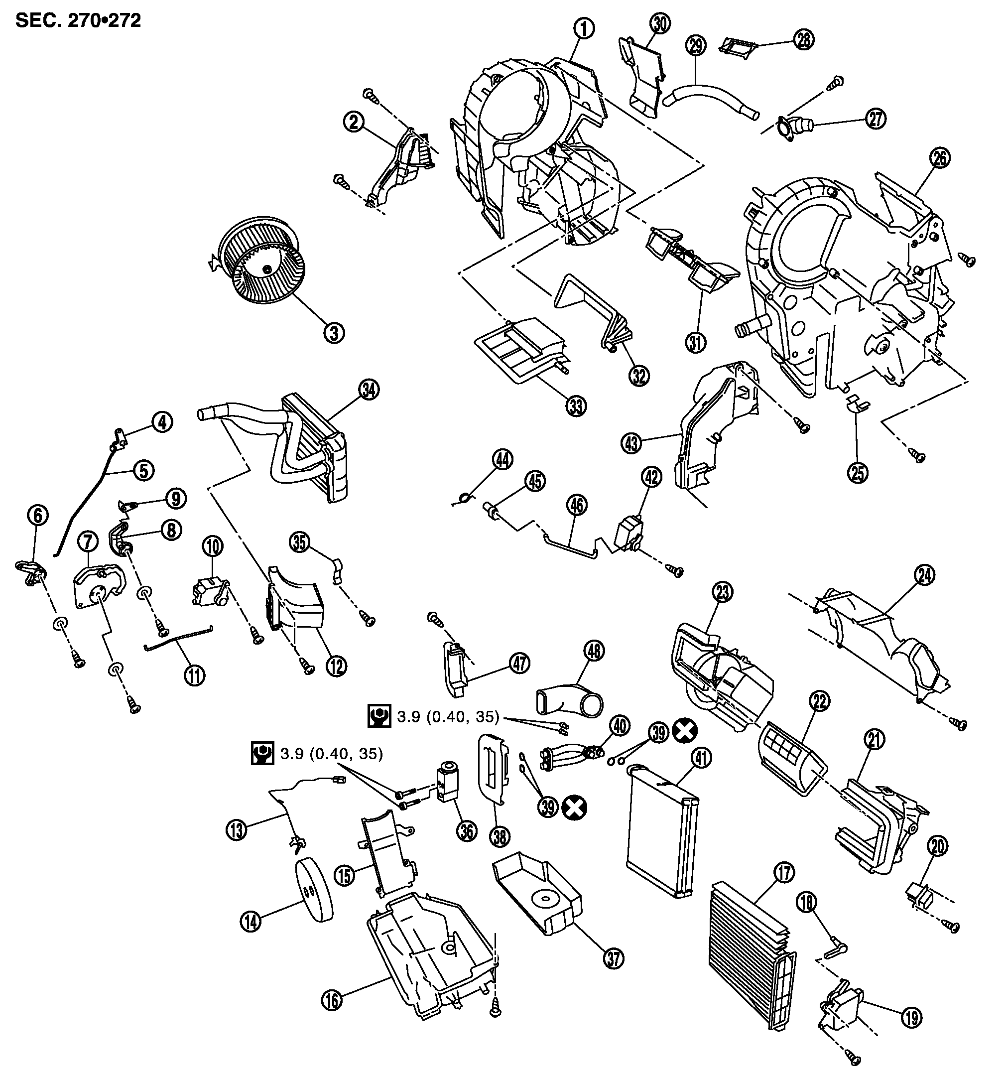
1. |
ブロアケース(右) |
2. |
フットダクト(右) |
3. |
ブロアファンモーター |
|
4. |
ベント·デフレバー |
5. |
ベント·デフロッド |
6. |
ベント·デフリンク |
|
7. |
メインリンク |
8. |
フットリンク |
9. |
フットレバー |
|
10. |
モードドアアクチュエーター |
11. |
モードドアロッド |
12. |
ヒーターパイプカバー |
|
13. |
吸込温度センサー |
14. |
ヒーターパイプパッキン |
15. |
カバー |
|
16. |
ロアブロアケース |
17. |
クリーンフィルター |
18. |
インテークレバー |
|
19. |
インテークドアアクチュエーター |
20. |
パワートランジスター |
21. |
インテークケース(左) |
|
22. |
インテークドア |
23. |
インテークケース(右) |
24. |
アタッチメントケース |
|
25. |
クリップ |
26. |
ブロアケース(左) |
27. |
アスピレーター |
|
28. |
カバー |
29. |
アスピレーターダクト |
30. |
カバー |
|
31. |
ベント·デフドア |
32. |
フットドア |
33. |
エアミックスドア |
|
34. |
ヒーターコア |
35. |
ヒーターパイプクリップ |
36. |
エクスパンションバルブ |
|
37. |
インシュレーター |
38. |
エクスパンションバルブグロメット |
39. |
Oリング |
|
40. |
クーラーパイプASSY |
41. |
エバポレーター |
42. |
エアミックスドアアクチュエーター |
|
43. |
フットダクト(左) |
44. |
スプリング |
45. |
エアミックスドアレバー |
|
46. |
エアミックスドアロッド |
47. |
エクスパンションバルブカバー |
48. |
シール |
|
|
:N·m (kg‐m, in‐lb) |
|
|
:再使用不可部品 |
参考:
アクチュエーターの取付後、自己診断ステップ3にて原点リセットを行う。自己診断機能を参照。