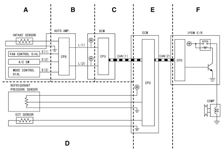
一つの機能を複数のコントロールユニットで制御しているシステムの理解を深める為に、下記の内容を説明する。
- 機能別回路図: 制御に関する、各コントロールユニットの入出力信号及び作動回路を示す。
- 機能別初期点検表: 各コントロールユニットの入出力信号及び作動について、素早い点検方法を示す。

オートエアコン制御機能故障診断情報(コンプレッサーがONしない。)

機能別回路図

L(1)
| :ブロアファンSW信号
| S(3)
| :デフロスター信号
|
L(2)
| :エアコンSW信号
| CAN(1)
| :エアコン信号
|
S(1)
| :ブロアファンON信号
| CAN(2)
| :コンプレッサヨウキュウ信号
|
S(2)
| :コンプレッサーON信号
|

機能別初期点検表
部位
| CONSULT‐II
| オートアクティブテスト
| 自己診断機能 (CAN診断以外)
|
BCM
| ECM
| IPDM E/R
|
データモニタ
| データモニタ
| データモニタ
|
A
|
|
|
|
| 有
|
B
| 有
|
|
| 有
|
C
| 有
|
|
|
|
D
|
| 有
|
|
|
E
|
| 有
| 有
|
|
|
F
|
|
| 有
|
|