ВИЗАТОР
Новости японской автоиндустрии
Главная
Новости
FAQ
Аукционы
Руководства по ремонту
Nissan Wingroad Y12: полное руководство по ремонту и обслуживанию на русском языке
Вы здесь:
Главная
Руководства по ремонту
Nissan Wingroad Y12: полное руководство по ремонту и обслуживанию на русском языке
Электрооборудование
Система управления кузовом
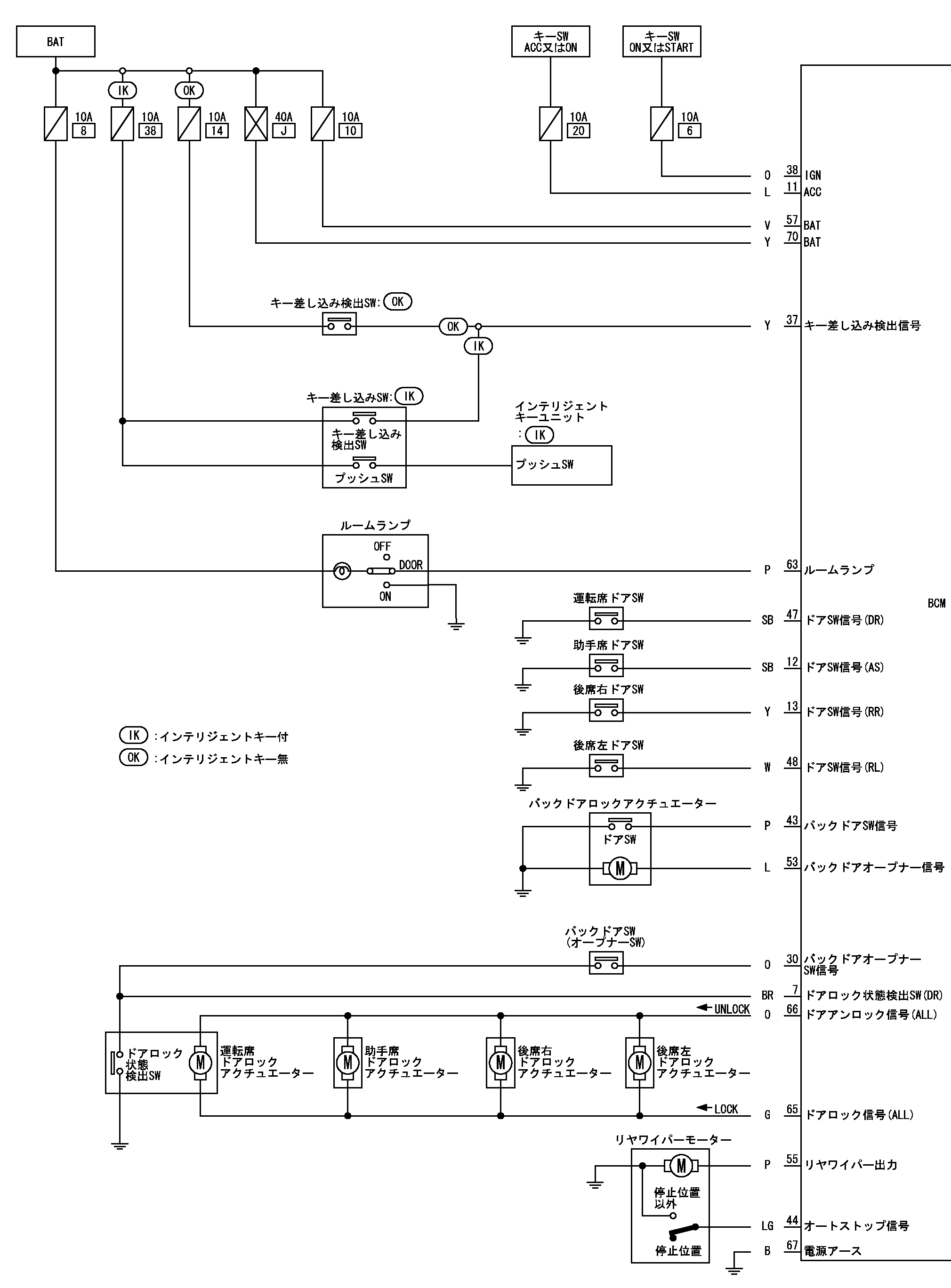
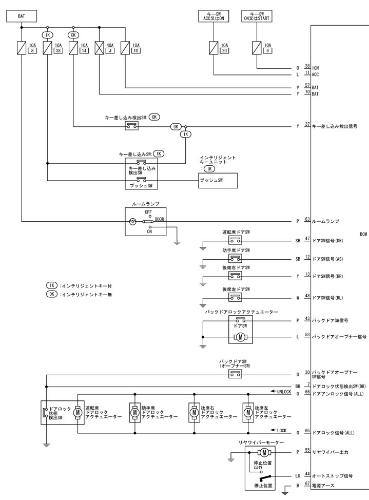
Принципиальная схема bcm (блок управления кузовным оборудованием)
Принципиальная схема bcm (блок управления кузовным оборудованием)
принципиальная схема
📄
Открыть схему TKWB4973J.PDF
📄
Открыть схему TKWB2857J.PDF
Предыдущий: Обзор системы bcm (модуль управления кузовным оборудованием)
Назад
Следующий: функции консультации-iii (bcm) bcm (модуль управления кузовным оборудованием)
Вперед