ВИЗАТОР
Новости японской автоиндустрии
Главная
Новости
FAQ
Аукционы
Руководства по ремонту
Nissan Wingroad Y12: полное руководство по ремонту и обслуживанию на русском языке
Вы здесь:
Главная
Руководства по ремонту
Nissan Wingroad Y12: полное руководство по ремонту и обслуживанию на русском языке
Электрооборудование
Система освещения
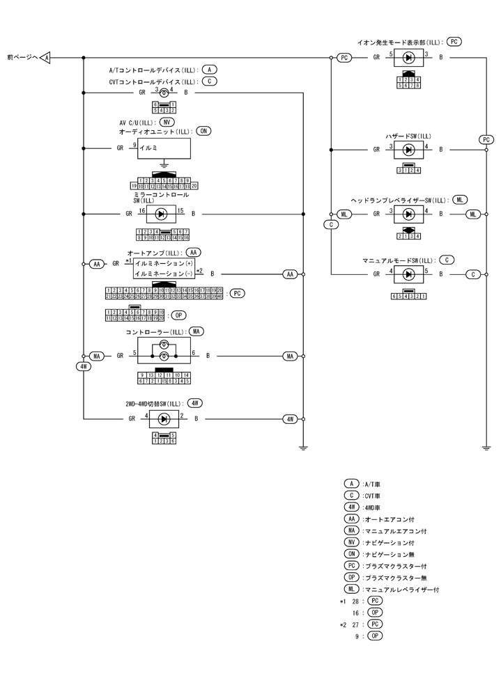
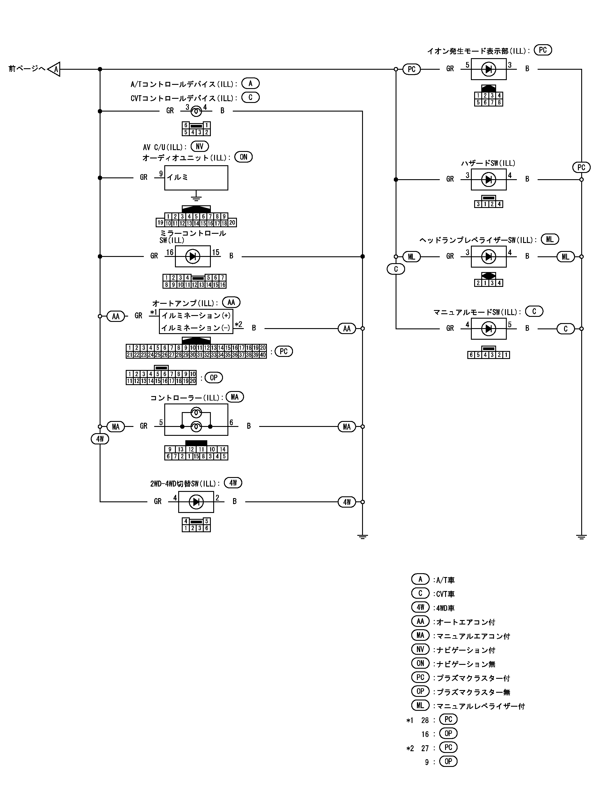
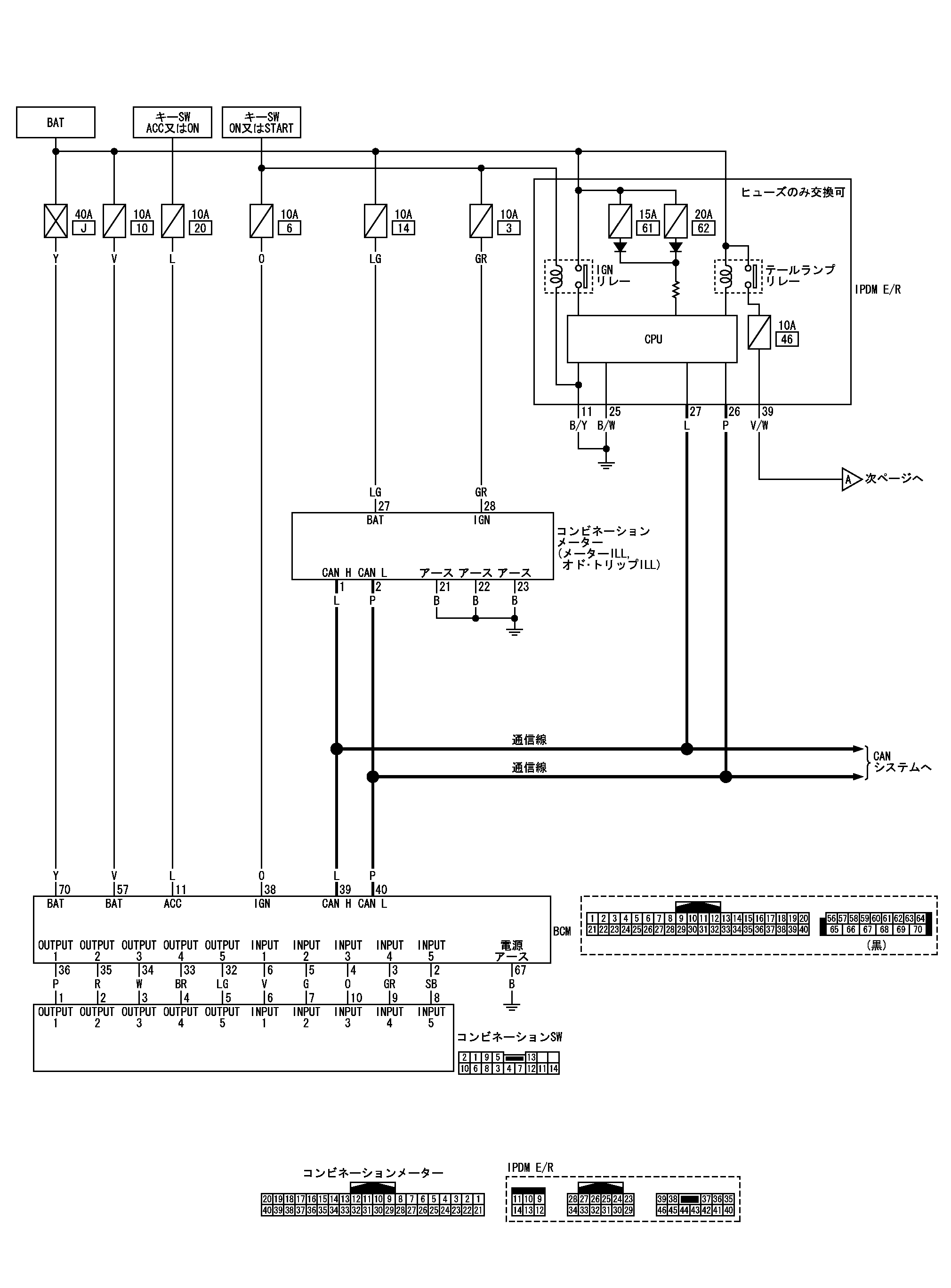
Схематическое освещение
Схематическое освещение
принципиальная схема
📄
Открыть схему TKWB4390J.PDF
📄
Открыть схему TKWB4391J.PDF
Предыдущий: Лампа в багажном отделении, лампа в салоне
Назад
Следующий: Схема подключения - иллюстрация - освещение
Вперед