ВИЗАТОР
Новости японской автоиндустрии
Главная
Новости
FAQ
Аукционы
Руководства по ремонту
Nissan Wingroad Y12: полное руководство по ремонту и обслуживанию на русском языке
Вы здесь:
Главная
Руководства по ремонту
Nissan Wingroad Y12: полное руководство по ремонту и обслуживанию на русском языке
Электрооборудование
Система освещения
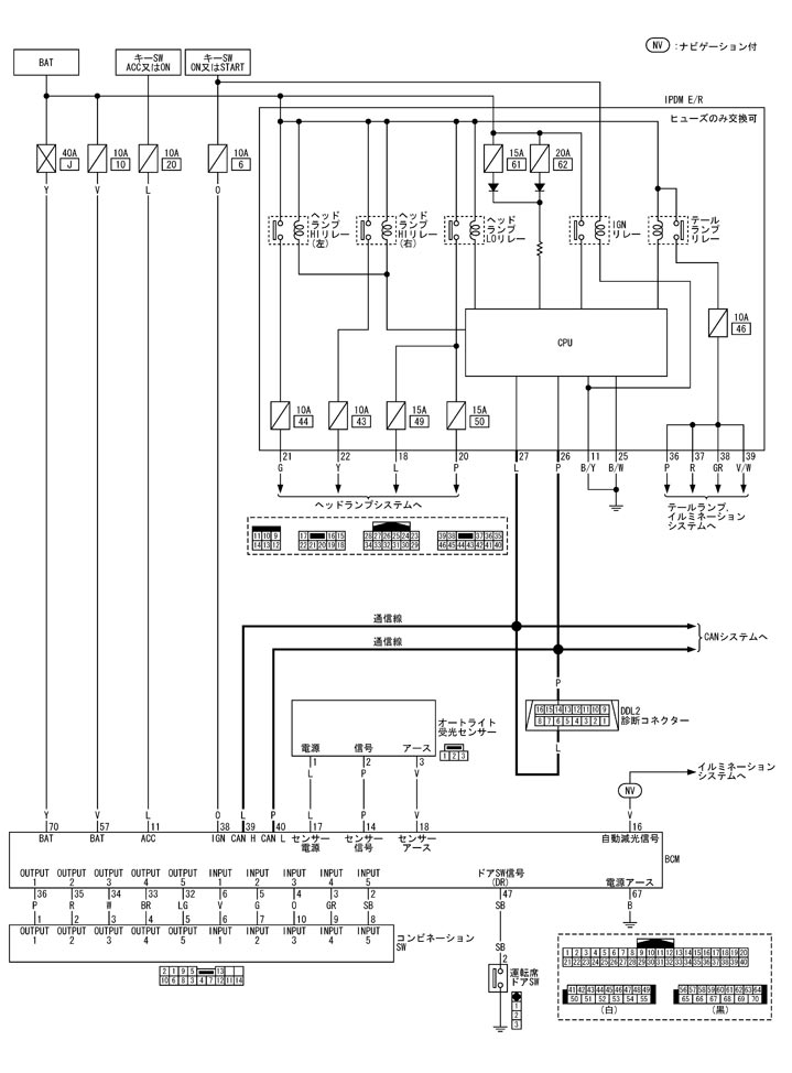
Схема системы автоматического освещения
Схема системы автоматического освещения
принципиальная схема
Предыдущий: Обзор системы Система автоматического освещения
Назад
Следующий: Обзор системы активных AFS
Вперед