ВИЗАТОР
Новости японской автоиндустрии
Главная
Новости
FAQ
Аукционы
Руководства по ремонту
Nissan Wingroad Y12: полное руководство по ремонту и обслуживанию на русском языке
Вы здесь:
Главная
Руководства по ремонту
Nissan Wingroad Y12: полное руководство по ремонту и обслуживанию на русском языке
Электрооборудование
Система освещения
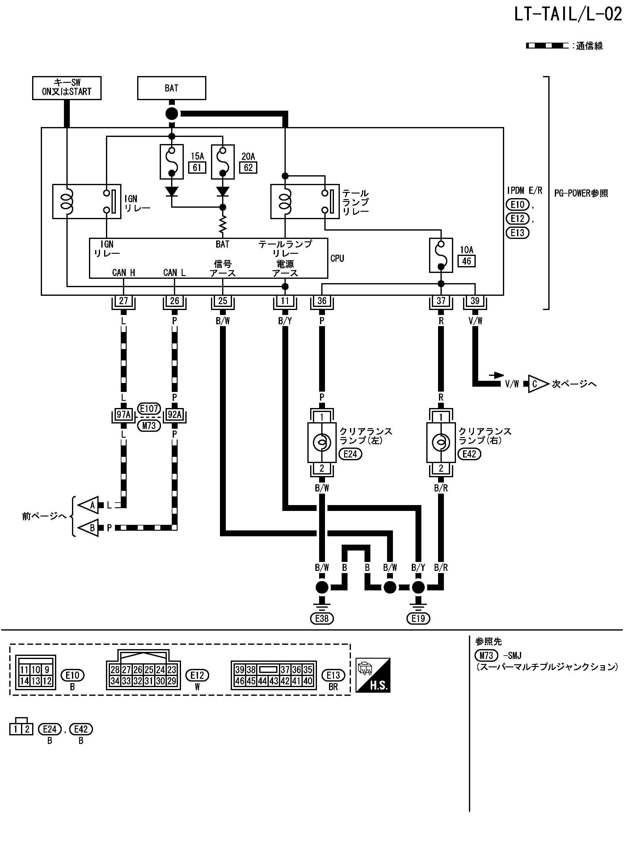
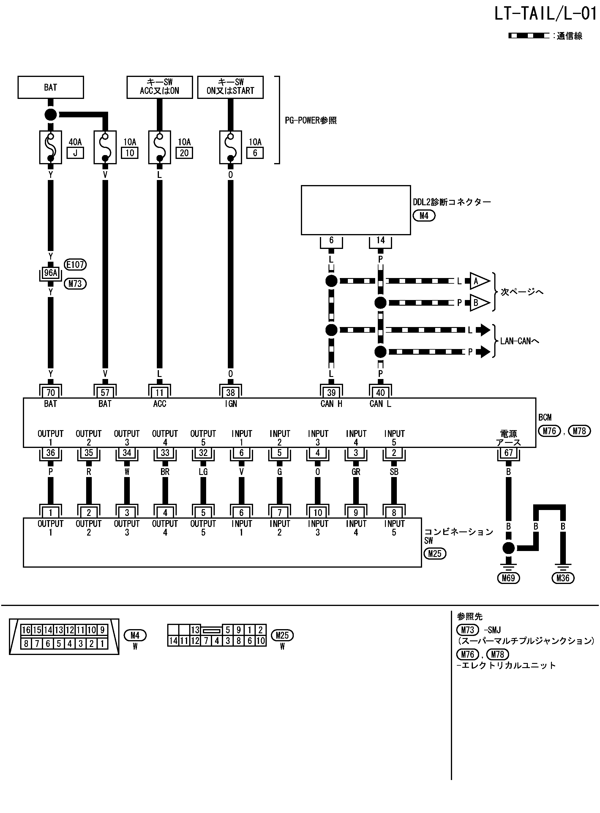
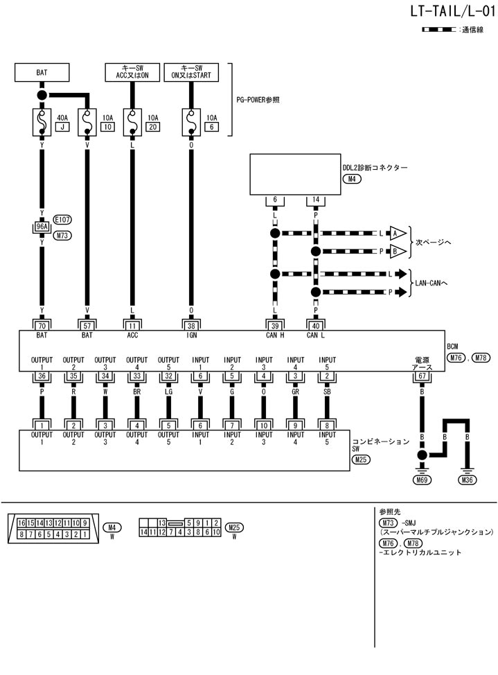
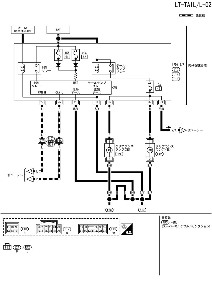
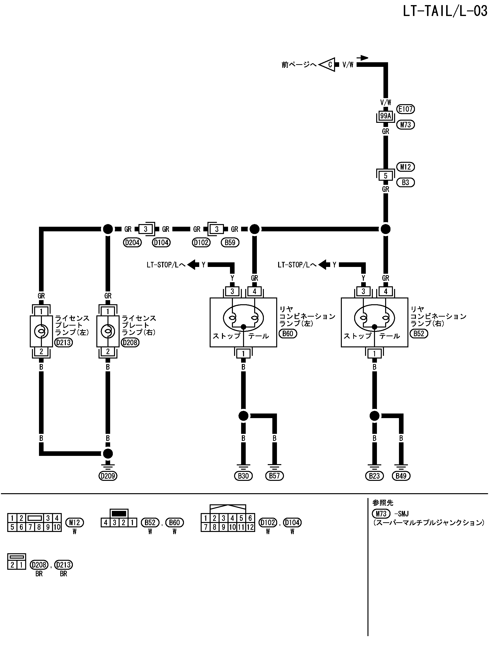
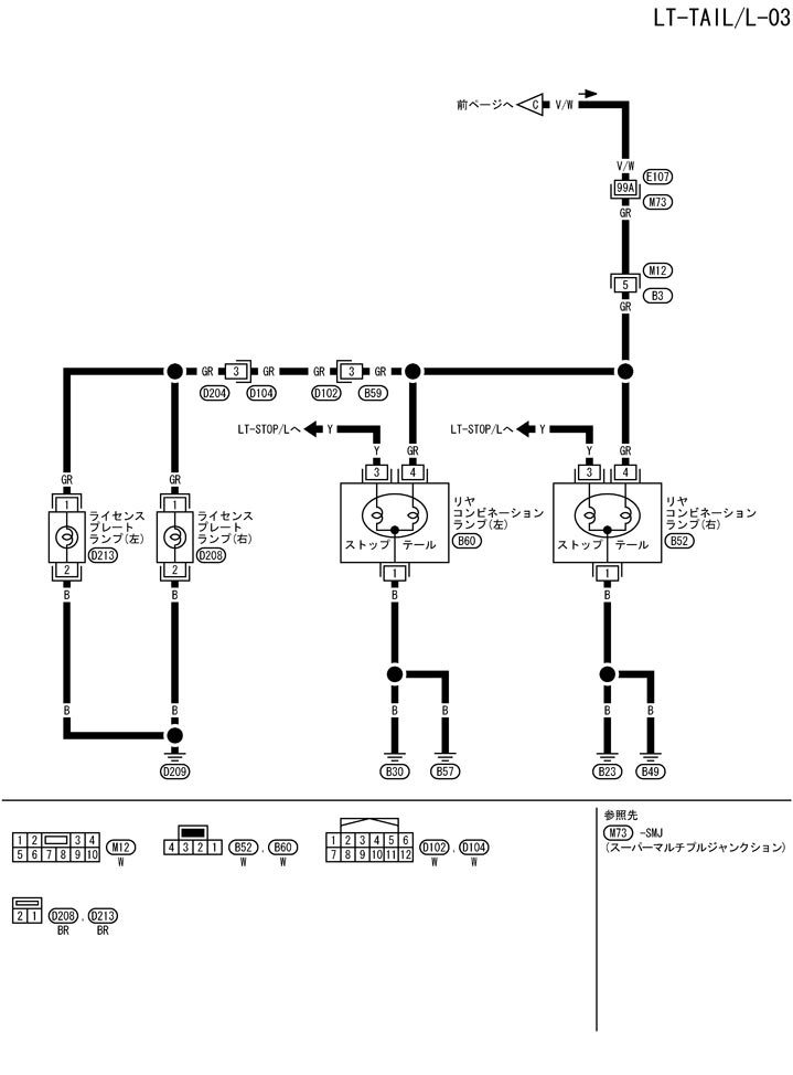
Схема подключения — задний/л — габаритный фонарь/задний фонарь
Схема подключения — задний/л — габаритный фонарь/задний фонарь
配線図 - TAIL/L -
📄
Открыть схему TKWB4370J.PDF
📄
Открыть схему TKWB4371J.PDF
📄
Открыть схему TKWB4372J.PDF
Предыдущий: Схема габаритного фонаря/заднего фонаря
Назад
Следующий: Опорное значение входного/выходного сигнала bcm габаритный фонарь/задний фонарь
Вперед