ВИЗАТОР
Новости японской автоиндустрии
Главная
Новости
FAQ
Аукционы
Руководства по ремонту
Nissan Wingroad Y12: полное руководство по ремонту и обслуживанию на русском языке
Вы здесь:
Главная
Руководства по ремонту
Nissan Wingroad Y12: полное руководство по ремонту и обслуживанию на русском языке
Электрооборудование
Система освещения
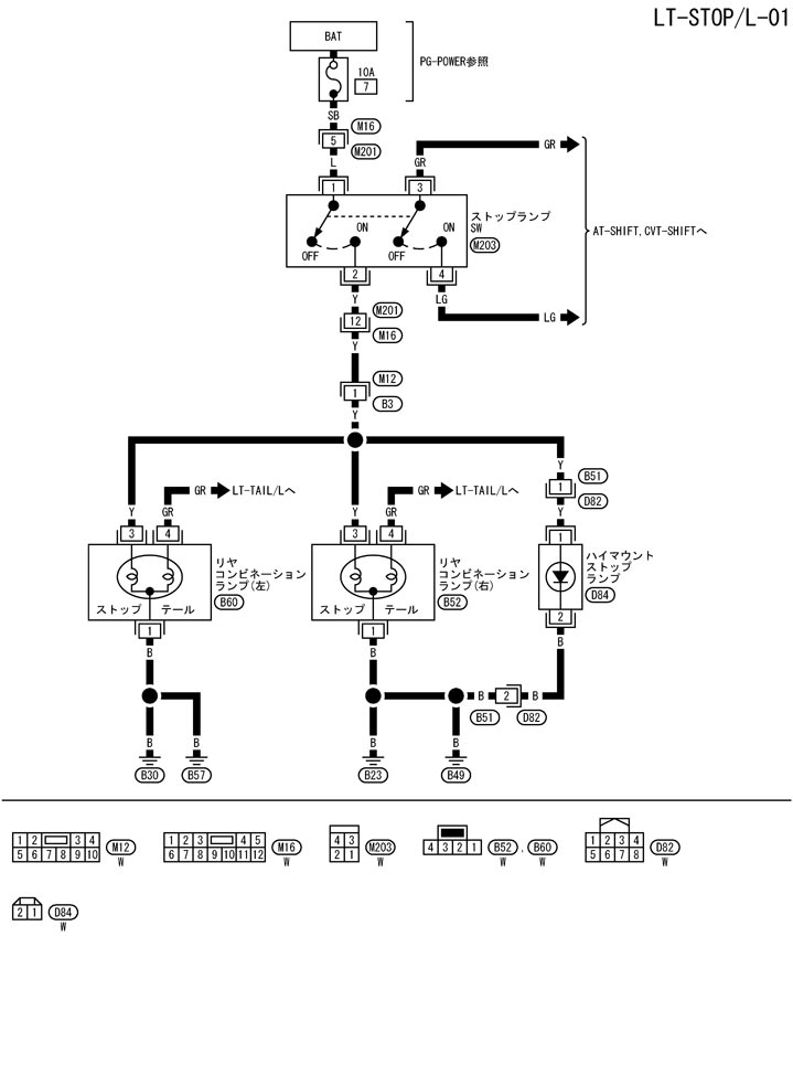
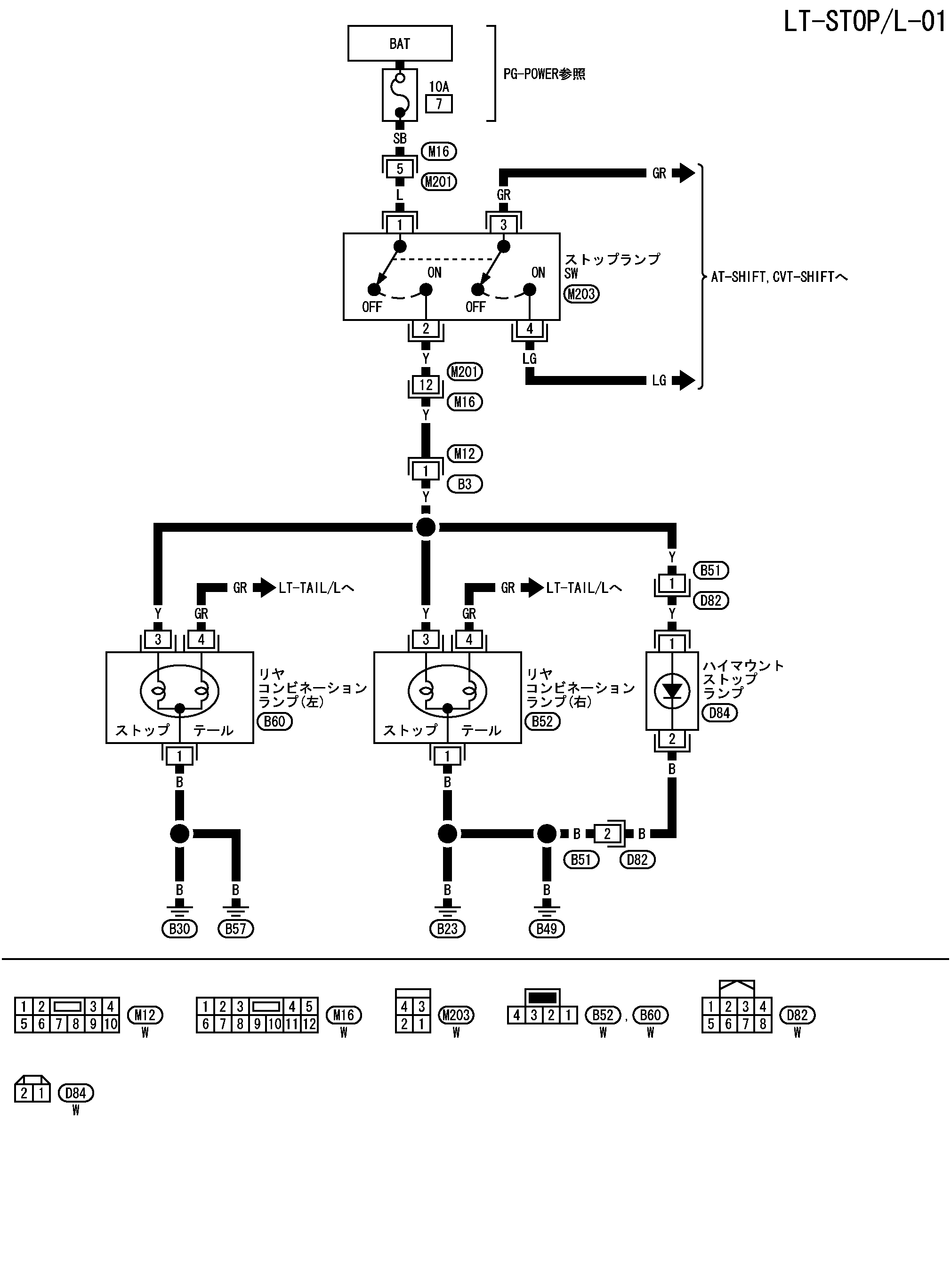
Схема подключения - стоп/л - стоп-сигнал
Схема подключения - стоп/л - стоп-сигнал
配線図 - STOP/L -
📄
Открыть схему TKWB4374J.PDF
Предыдущий: Схема стоп-сигнала
Назад
Следующий: Замена лампы стоп-сигнала
Вперед