ВИЗАТОР
Новости японской автоиндустрии
Главная
Новости
FAQ
Аукционы
Руководства по ремонту
Nissan Wingroad Y12: полное руководство по ремонту и обслуживанию на русском языке
Вы здесь:
Главная
Руководства по ремонту
Nissan Wingroad Y12: полное руководство по ремонту и обслуживанию на русском языке
Электрооборудование
Система освещения
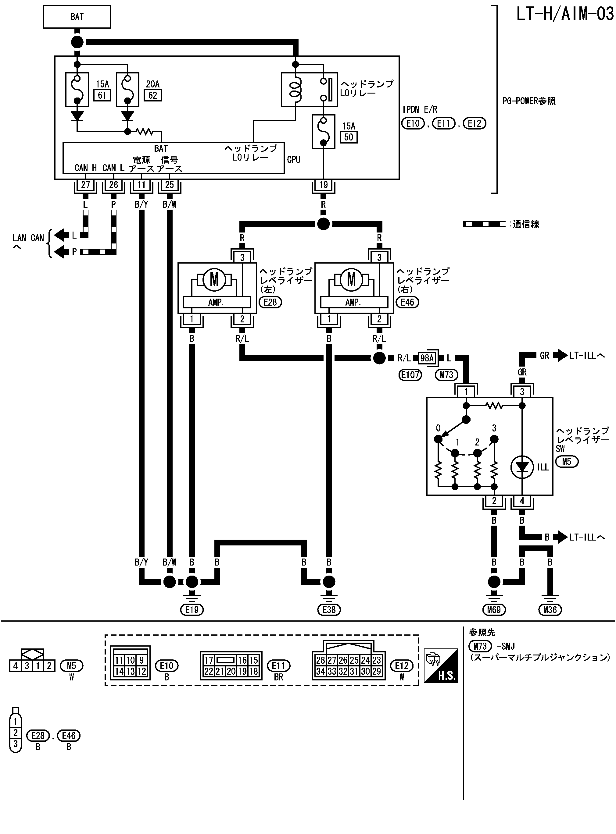
Схема подключения — h/aim — корректор фар
Схема подключения — h/aim — корректор фар
配線図 - H/AIM -
📄
Открыть схему TKWB4382J.PDF
Предыдущий: Схема корректора фар
Назад
Следующий: Проверка цепи переключателя корректора фар
Вперед