ВИЗАТОР
Новости японской автоиндустрии
Главная
Новости
FAQ
Аукционы
Руководства по ремонту
Nissan Wingroad Y12: полное руководство по ремонту и обслуживанию на русском языке
Вы здесь:
Главная
Руководства по ремонту
Nissan Wingroad Y12: полное руководство по ремонту и обслуживанию на русском языке
Электрооборудование
Система освещения
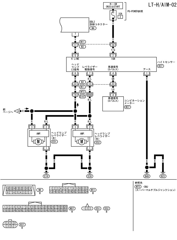
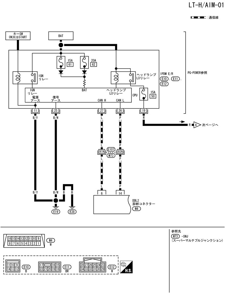
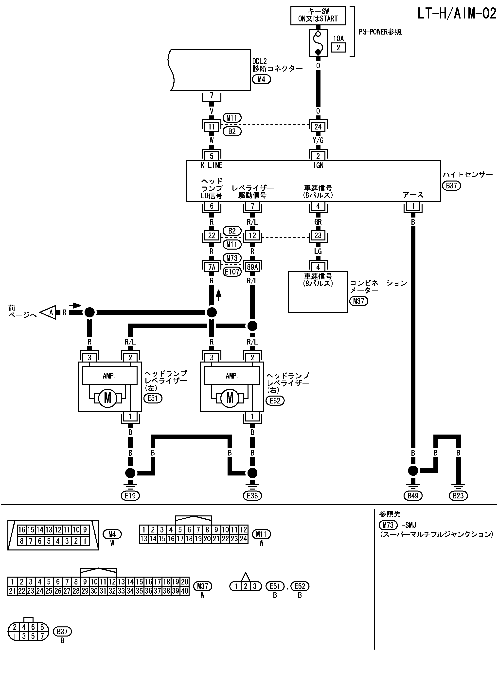
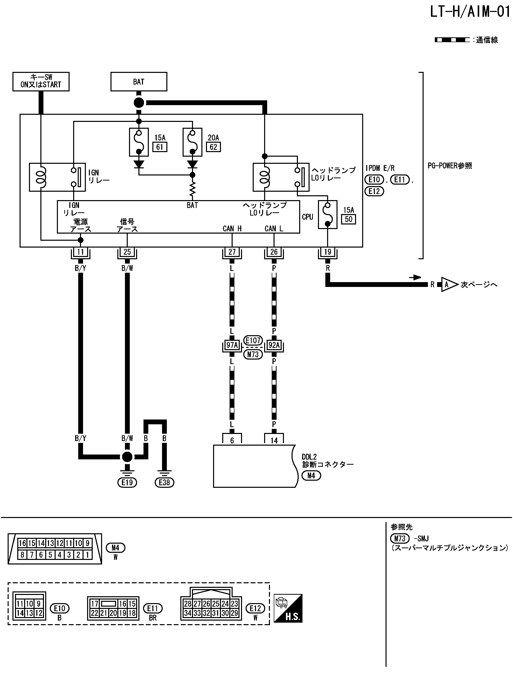
Схема подключения — h/aim — автоматический корректор фар
Схема подключения — h/aim — автоматический корректор фар
配線図 - H/AIM -
📄
Открыть схему TKWB4380J.PDF
📄
Открыть схему TKWB4961J.PDF
Предыдущий: Схема автокорректора фар
Назад
Следующий: Опорное значение входного/выходного сигнала датчика высоты Автоматический корректор фар
Вперед