ВИЗАТОР
Новости японской автоиндустрии
Главная
Новости
FAQ
Аукционы
Руководства по ремонту
Nissan Wingroad Y12: полное руководство по ремонту и обслуживанию на русском языке
Вы здесь:
Главная
Руководства по ремонту
Nissan Wingroad Y12: полное руководство по ремонту и обслуживанию на русском языке
Электрооборудование
Система освещения
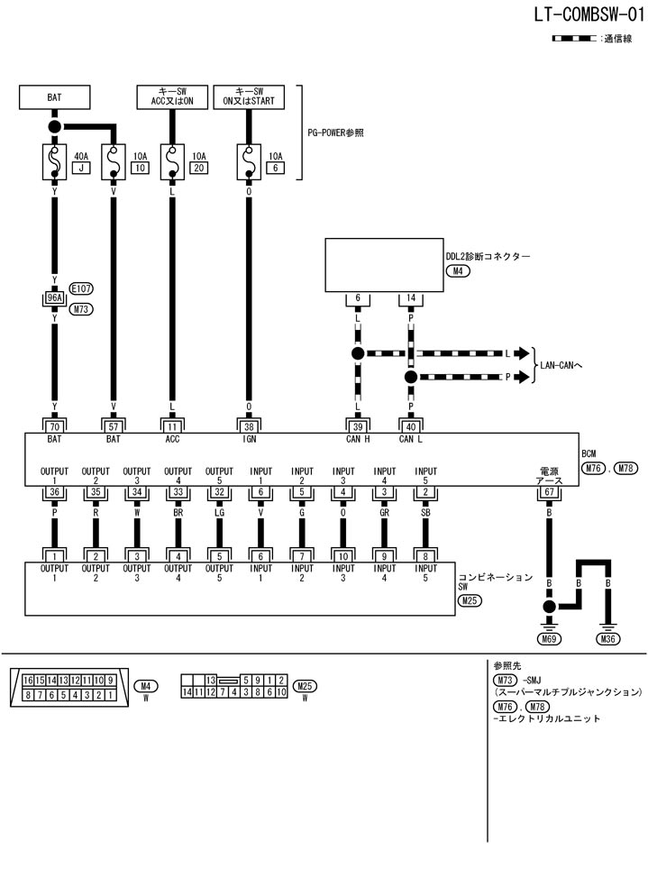
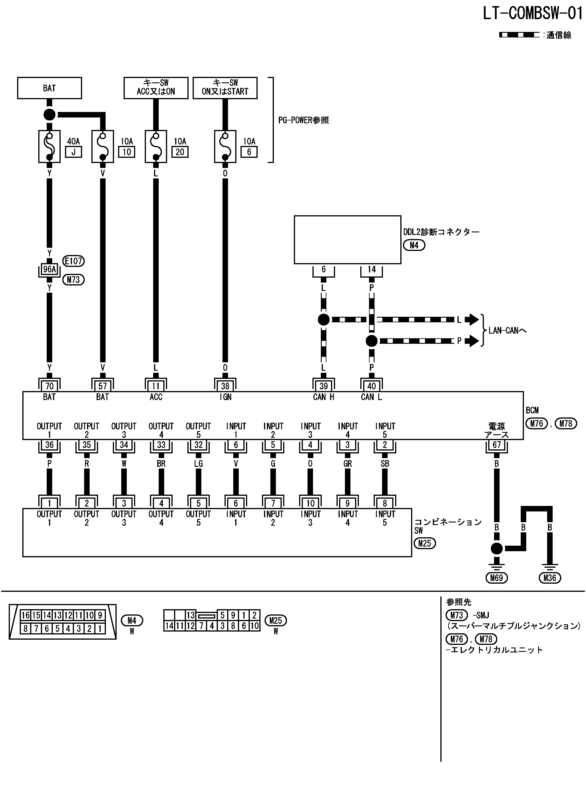
Схема подключения – гребенчатый переключатель – комбинированный переключатель
Схема подключения – гребенчатый переключатель – комбинированный переключатель
配線図 - COMB SW -
📄
Открыть схему TKWB4383J.PDF
Предыдущий: Схема комбинированного переключателя
Назад
Следующий: Переключатель эталонного значения входного/выходного сигнала bcm
Вперед