ВИЗАТОР
Новости японской автоиндустрии
Главная
Новости
FAQ
Аукционы
Руководства по ремонту
Nissan Wingroad Y12: полное руководство по ремонту и обслуживанию на русском языке
Вы здесь:
Главная
Руководства по ремонту
Nissan Wingroad Y12: полное руководство по ремонту и обслуживанию на русском языке
Электрооборудование
Система освещения
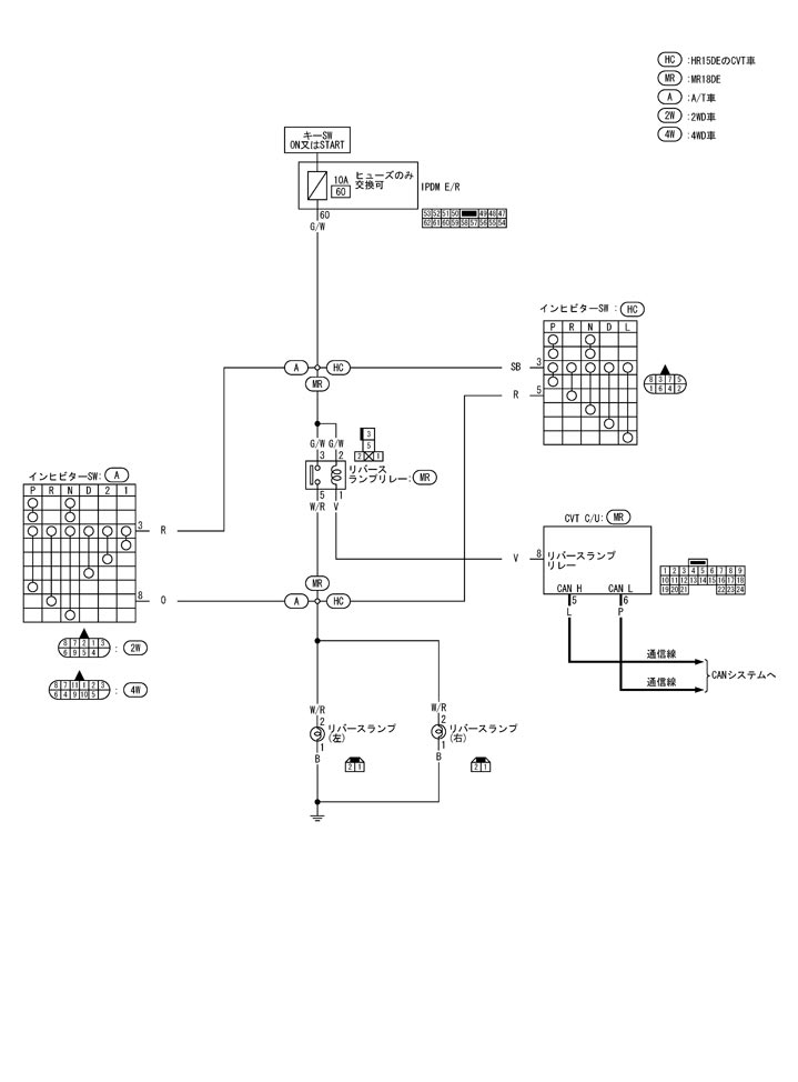
Схема лампы заднего хода
Схема лампы заднего хода
принципиальная схема
📄
Открыть схему TKWB4375J.PDF
Предыдущий: Снятие и установка стоп-сигнала
Назад
Следующий: Схема подключения — зад/л — фонарь заднего хода
Вперед