ВИЗАТОР
Новости японской автоиндустрии
Главная
Новости
FAQ
Аукционы
Руководства по ремонту
Nissan Wingroad Y12: полное руководство по ремонту и обслуживанию на русском языке
Вы здесь:
Главная
Руководства по ремонту
Nissan Wingroad Y12: полное руководство по ремонту и обслуживанию на русском языке
Электрооборудование
Система освещения
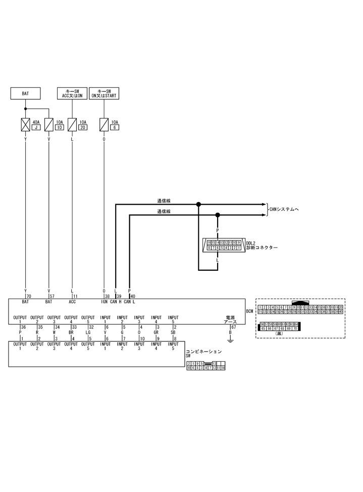
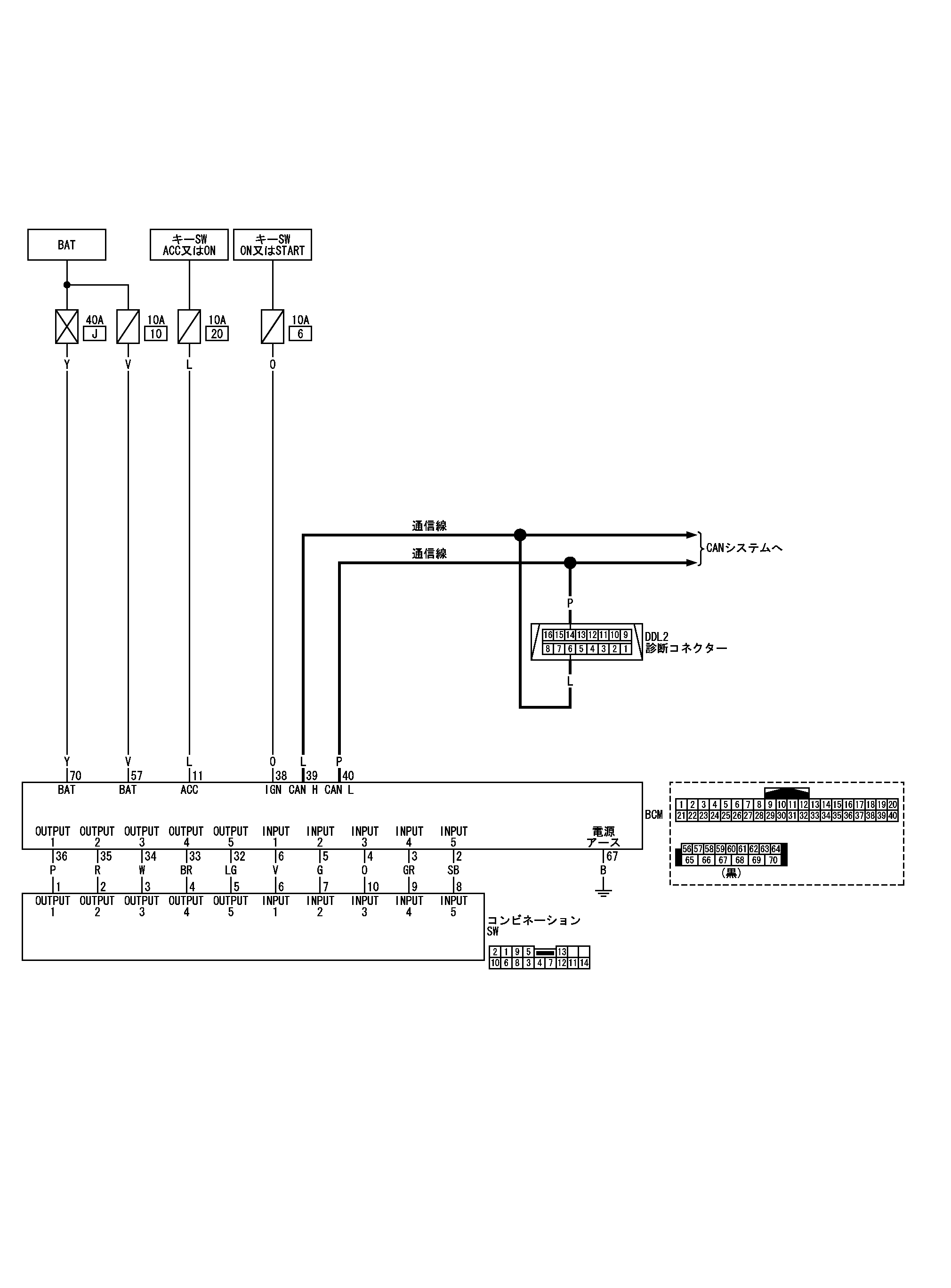
Схема комбинированного переключателя
Схема комбинированного переключателя
принципиальная схема
📄
Открыть схему TKWB2898J.PDF
Предыдущий: Комбинированный переключатель схемы системы
Назад
Следующий: Обзор комнатных светильников и освещения
Вперед