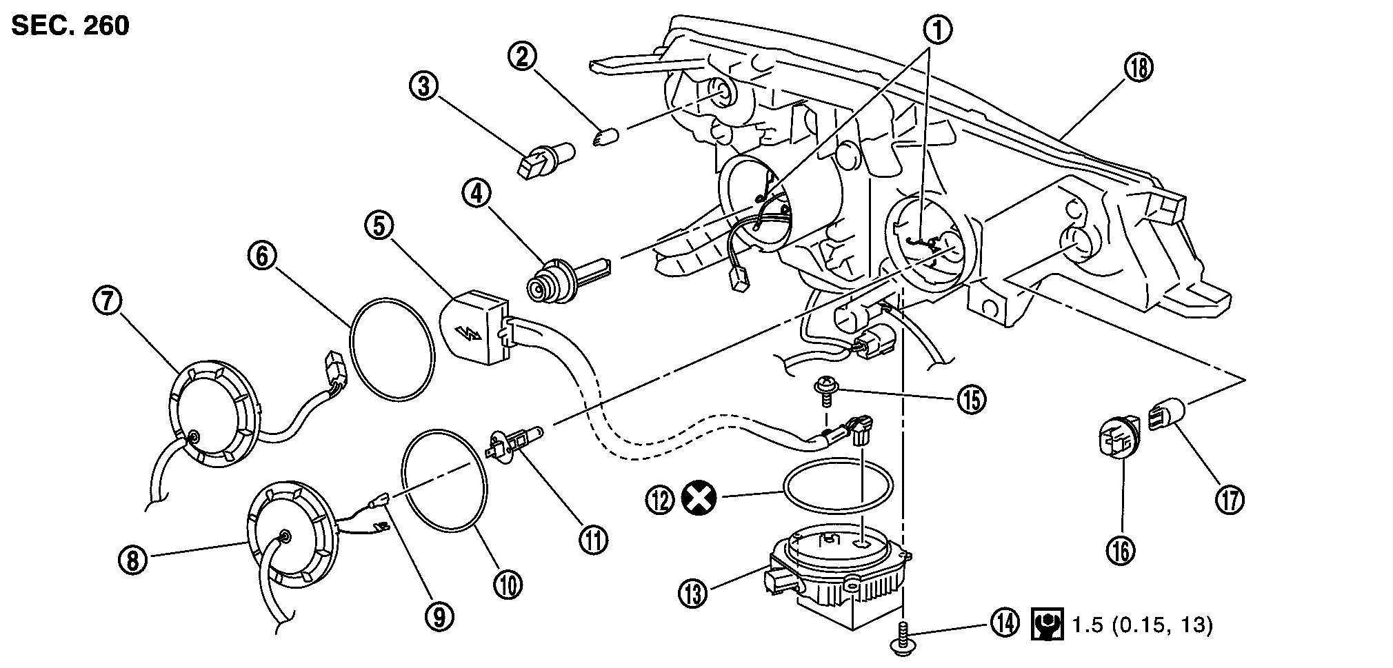
Разборка, сборка
|
1. |
リテーニングスプリング |
2. |
クリアランスランプバルブ |
3. |
クリアランスランプバルブソケット |
|
4. |
キセノンバルブ(ハイ/ロー) |
5. |
キセノンバルブソケット(ハイ/ロー) |
6. |
シールパッキン |
|
7. |
樹脂キャップ |
8. |
樹脂キャップ |
9. |
バルブ端子 |
|
10. |
シールパッキン |
11. |
ベンディングランプバルブ |
12. |
シールパッキン |
|
13. |
HID C/U |
14. |
HID C/U取付スクリュー |
15. |
アーススクリュー |
|
16. |
フロントターンシグナルランプバルブソケット |
17. |
フロントターンシグナルランプバルブ |
18. |
ヘッドランプハウジングASSY |
|
イラスト内のシンボルマークについては、GIセクション構成図の見方を参照する。 |
|||||
分解- 1.樹脂キャップを反時計方向に回し、ロックを外す。
- 2.キセノンバルブソケットアース線を外す。
- 3.キセノンバルブソケットを反時計方向に回し、ロックを外す。
- 4.リテーニングスプリングのロックを外し、キセノンバルブ(ハイ/ロー)を取り外す。
- 5.HID C/U取付スクリューを外す。
- 6.HID C/Uからコネクターとアースを外す。
- 7.ヘッドランプハウジングASSYからキセノンバルブソケットを抜き取る。
- 8.ベンディングランプバルブに結線されている端子を外す。
- 9.リテーニングスプリングのロックを外し、ベンディングランプバルブを取り外す。
- 10.クリアランスランプバルブソケットを反時計方向に回し、ロックを外す。
- 11.クリアランスランプバルブソケットからクリアランスランプバルブを取り外す。
- 12.フロントターンシグナルランプバルブソケットを反時計方向に回し、ロックを外す。
- 13.フロントターンシグナルランプバルブソケットからフロントターンシグナルランプバルブを取り外す。
組み立て組み立ては、下記の作業に注意し取り外しの逆の手順で行う。
■ 注意 ■
- HID C/Uを取り外した際は、ガタツキがないよう確実に取り付けること。
- バルブ装着後は水密性確保のため、樹脂キャップ、及びバルブソケットを確実に取り付けること。