Обзор системы

 
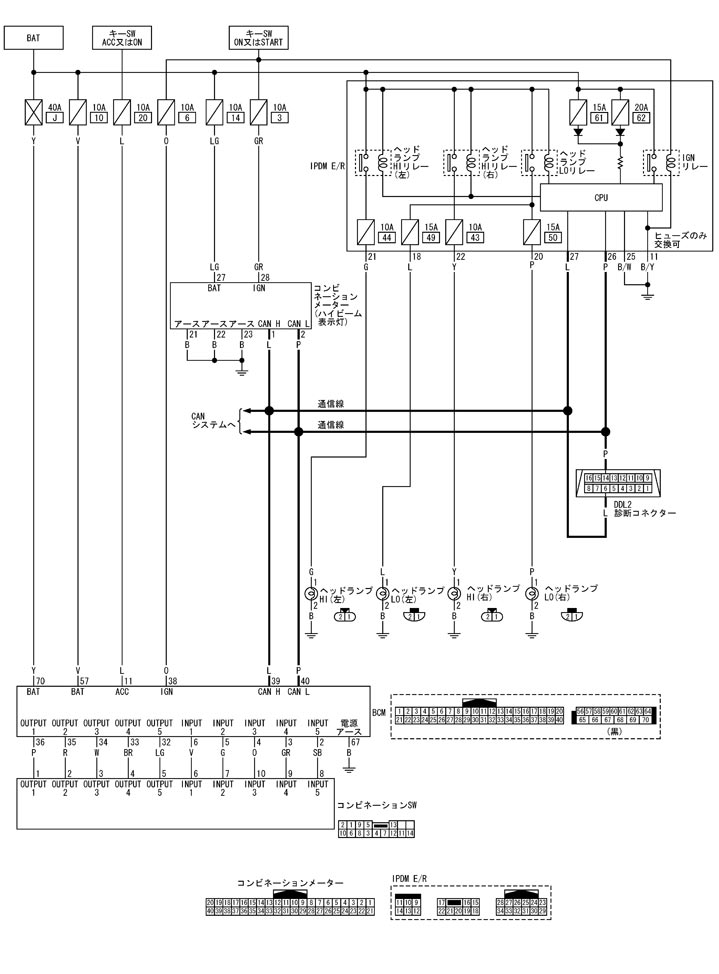
 システム図
 
 ヘッドランプLO作動

ライトスイッチを2段の位置にすると、ヘッドランプ1、ヘッドランプ2の接点がONになり、BCMのOUTPUT2からINPUT5、およびOUTPUT3からINPUT4の回路が成立する。
このときBCMは、コンビネーションスイッチ読み取り機能により、ヘッドランプLOスイッチONと判断し、CAN通信でIPDM E/Rに送信している、ヘッドランプリクエスト信号(LO)をOFFからONに切り替える。
ヘッドランプリクエスト信号(LO)を受信しているIPDM E/Rは、ヘッドランプLOリレーをONさせ、ヘッドランプLOを点灯させる。
 
 ヘッドランプHI作動

ライトスイッチをハイビームの位置にすると、ハイビームスイッチの接点がONになり、BCMのOUTPUT3からINPUT5の回路が成立する。
このときBCMは、コンビネーションスイッチ読み取り機能により、ハイビームスイッチONと判断し、ライトスイッチが2段であれば、CAN通信でIPDM E/R、およびコンビネーションメーターに送信している、ヘッドランプリクエスト信号(HI)をOFFからONに切り替える。また、ヘッドランプリクエスト信号(LO)はONのまま保持する。
ヘッドランプリクエスト信号(HI)、およびヘッドランプリクエスト信号(LO)を受信しているIPDM E/Rは、ヘッドランプHIリレー(左右)をONさせ、ヘッドランプHIを点灯させる。また、ヘッドランプLOリレーをONのまま保持して、ヘッドランプLOを点灯させる。
ヘッドランプリクエスト信号(HI)を受信しているコンビネーションメーターは、ハイビーム表示灯を点灯させる。
 
 パッシング作動

ライトスイッチをパッシングの位置にすると、パッシングスイッチの接点がONになり、BCMのOUTPUT2からINPUT4の回路が成立する。
このときBCMは、コンビネーションスイッチ読み取り機能により、パッシングスイッチONと判断し、CAN通信でIPDM E/R、およびコンビネーションメーターに送信している、ヘッドランプリクエスト信号(HI)をOFFからONに切り替える。
ヘッドランプリクエスト信号(HI)を受信しているIPDM E/Rは、ヘッドランプHIリレー(左右)をONさせ、ヘッドランプHIを点灯させる。
ヘッドランプリクエスト信号(HI)を受信しているコンビネーションメーターは、ハイビーム表示灯を点灯させる。
 
 コンビネーションスイッチ読み取り機能
 
 ヘッドランプバッテリーセーバー作動

ライトスイッチ1段、2段、フロントフォグランプのいずれかがON位置で、ランプが点灯したままのときに、キースイッチをOFFにし、キーを抜き(インテリジェントキー車はイグニッションスイッチOFF)、ドアを開いて降車し(ライト消し忘れ警告ON)、ドアを閉じたとき、ランプ消し忘れによるバッテリーあがりを防止するため、リモートコントロールエントリーシステム、またはインテリジェントキーシステムのドアロック操作と連動し、BCMがランプを消灯させる。
次回運転席ドアを開いたとき、イグニッションキーシリンダーにキーを差し込んだとき(プッシュスイッチを押したとき)、またはライトスイッチを入れなおしたときに、ランプを再点灯させる。
(CONSULT‐IIで機能のON/OFFを設定できる。CONSULT‐IIの機能 を参照。)
 
 回路図