一つの機能を複数のコントロールユニットで制御しているシステムの理解を深める為に、下記の内容を説明する。
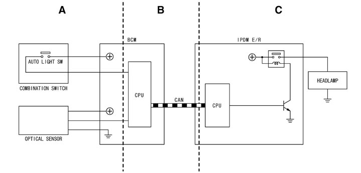
機能別回路図:制御に関する、各コントロールユニットの入出力信号及び作動回路を示す。
機能別初期点検表:各コントロールユニットの入出力信号及び作動について、素早い点検方法を示す。

オートライト制御機能情報(ヘッドランプが点灯しない)

機能別回路図

機能別初期点検表
エリア
| CONSULT-II
| オートアクティブテスト
|
BCM
| IPDM E/R
|
データモニタ
| アクティブテスト
| データモニタ
| アクティブテスト
|
A
| 有
|
|
|
|
|
B
|
| 有
| 有
| 有
| 有
|
C
|
|
|
| 有
| 有
|