ВИЗАТОР
Новости японской автоиндустрии
Главная
Новости
FAQ
Аукционы
Руководства по ремонту
Nissan Wingroad Y12: полное руководство по ремонту и обслуживанию на русском языке
Вы здесь:
Главная
Руководства по ремонту
Nissan Wingroad Y12: полное руководство по ремонту и обслуживанию на русском языке
Электрооборудование
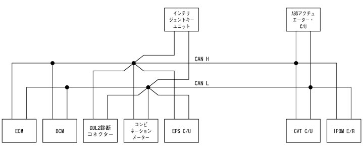
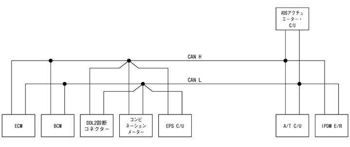
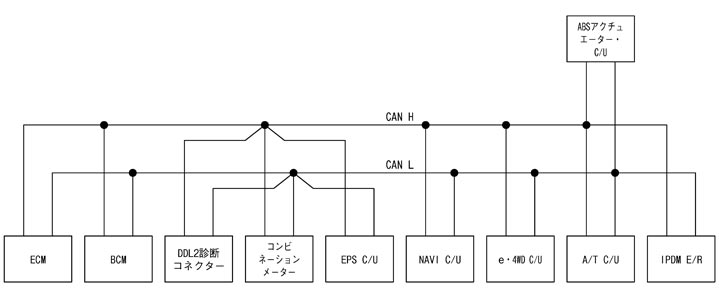
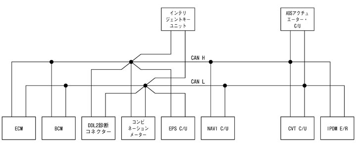
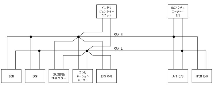
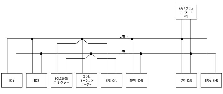
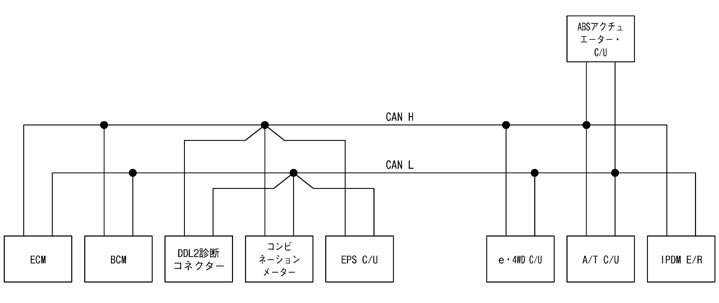
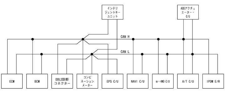
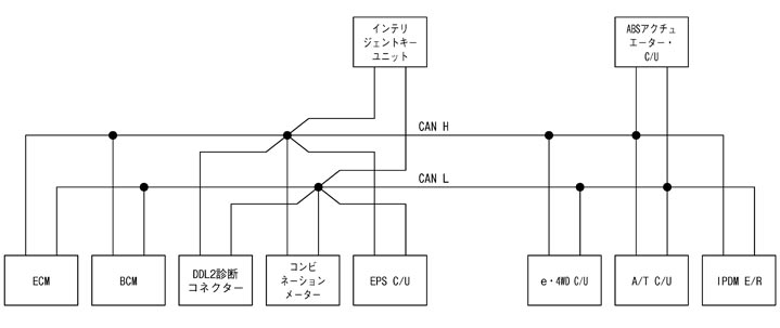
Сеть LAN (CAN)
Схема подключения устройства может обеспечить связь
Схема подключения устройства может обеспечить связь
Схема подключения агрегата
タイプ1
タイプ2
タイプ3
タイプ4
タイプ5
タイプ6
タイプ7
タイプ8
タイプ9
タイプ10
タイプ11
タイプ12
タイプ13
タイプ14
タイプ15
タイプ16
タイプ17
タイプ18
タイプ19
タイプ20
Предыдущий: блок связи может связь может связь
Назад
Следующий: список сигналов связи может связь
Вперед