ВИЗАТОР
Новости японской автоиндустрии
Главная
Новости
FAQ
Аукционы
Руководства по ремонту
Nissan Wingroad Y12: полное руководство по ремонту и обслуживанию на русском языке
Вы здесь:
Главная
Руководства по ремонту
Nissan Wingroad Y12: полное руководство по ремонту и обслуживанию на русском языке
Электрооборудование
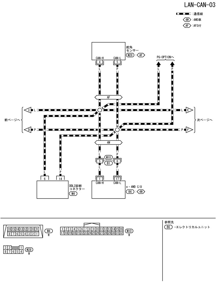
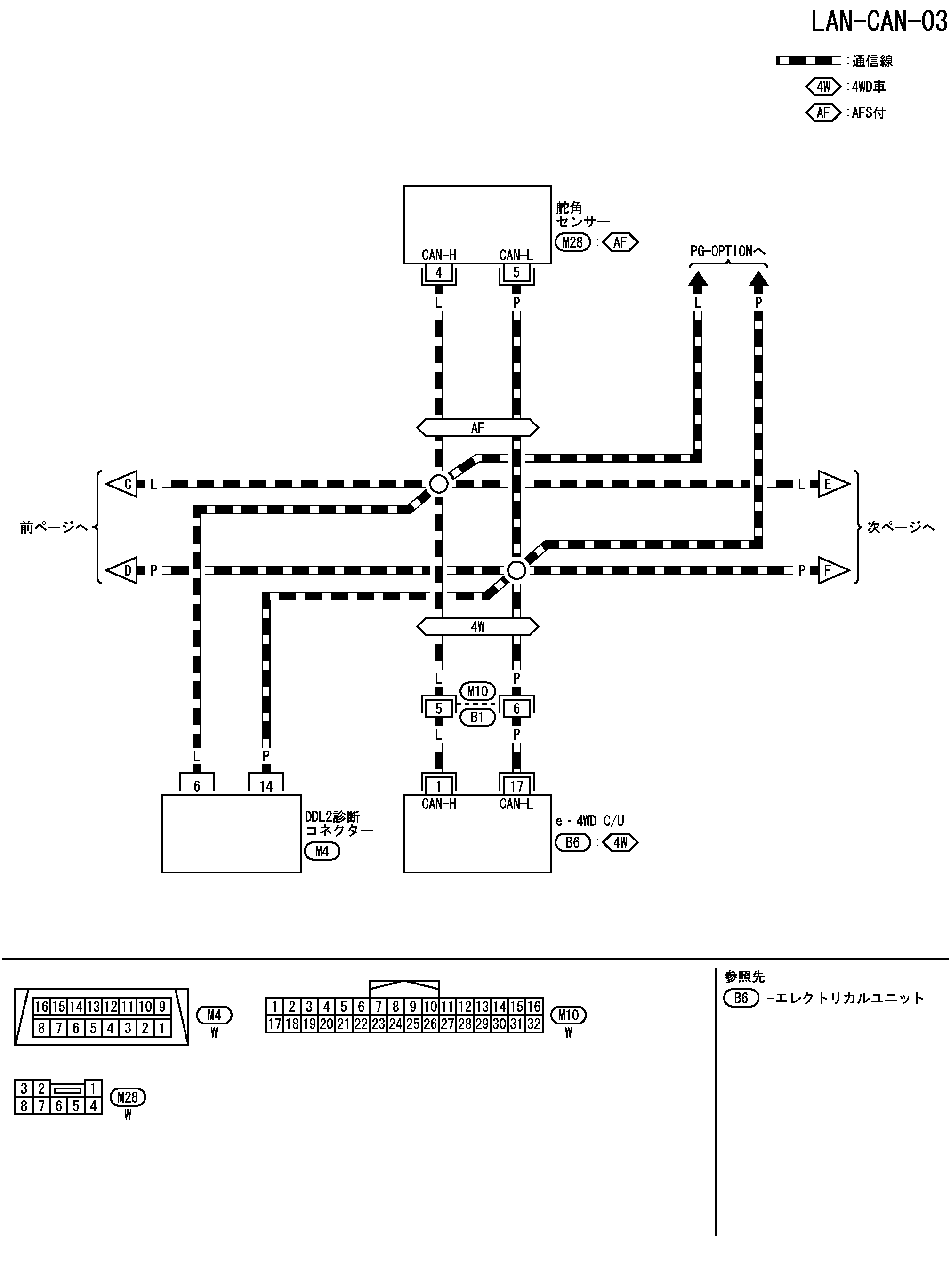
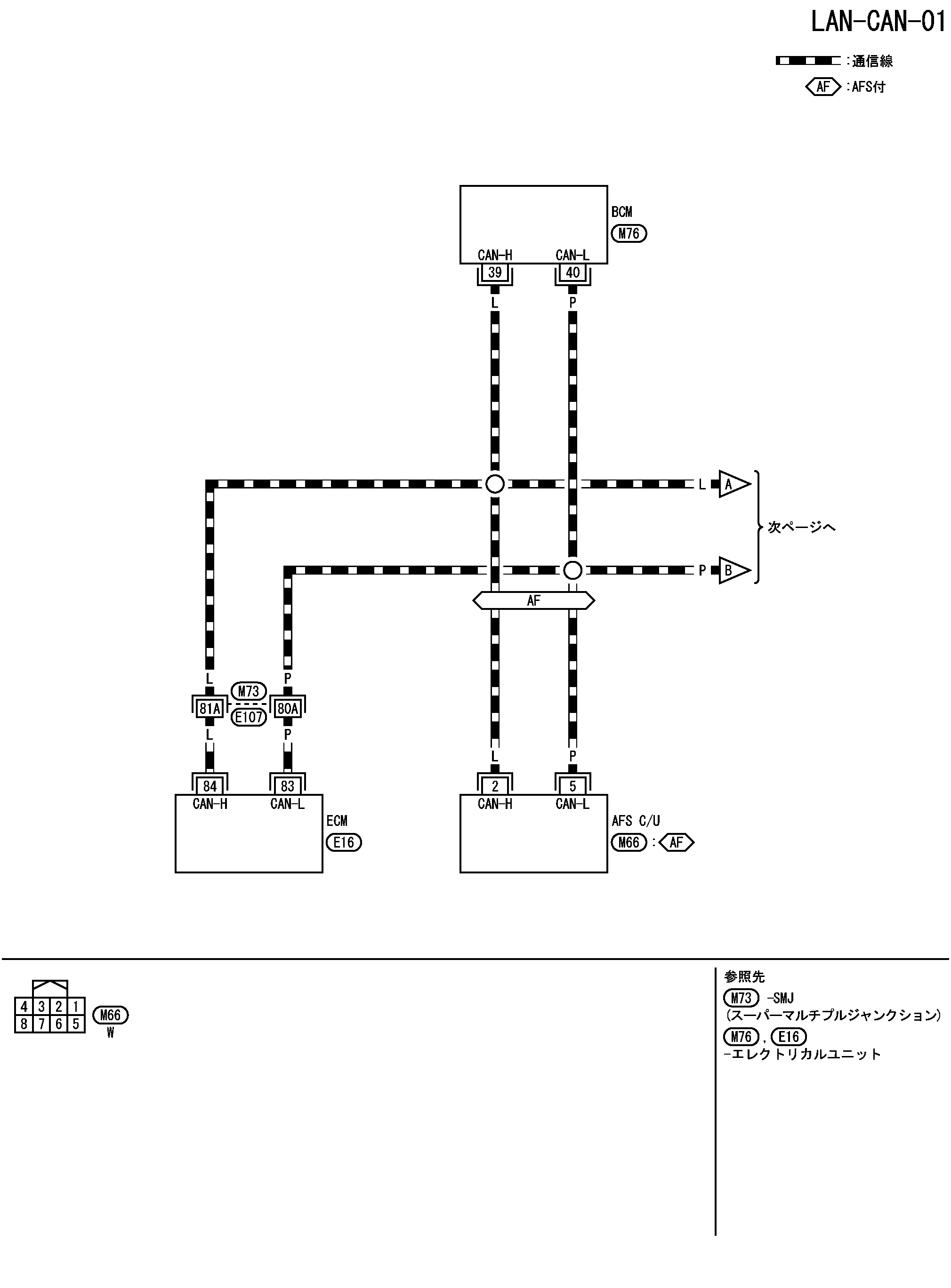
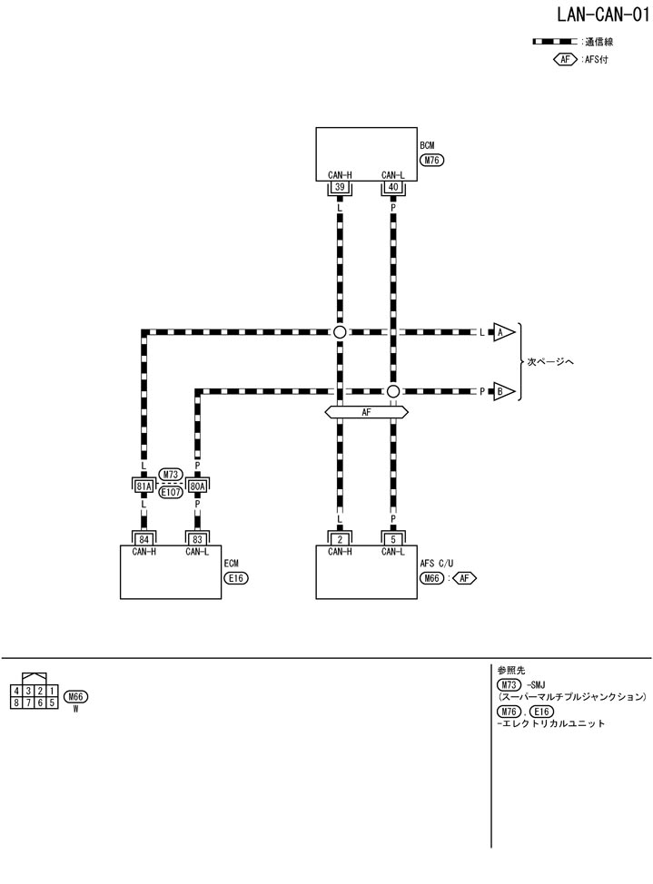
Сеть LAN (CAN)
Схема подключения системы связи can-can
Схема подключения системы связи can-can
配線図 ― CAN ―
📄
Открыть схему TKWB4415J.PDF
📄
Открыть схему TKWB4416J.PDF
📄
Открыть схему TKWB4417J.PDF
📄
Открыть схему TKWB4418J.PDF
Предыдущий: Принципиальная схема может система связи
Назад
Следующий: Список мест отказа основной линии
Вперед