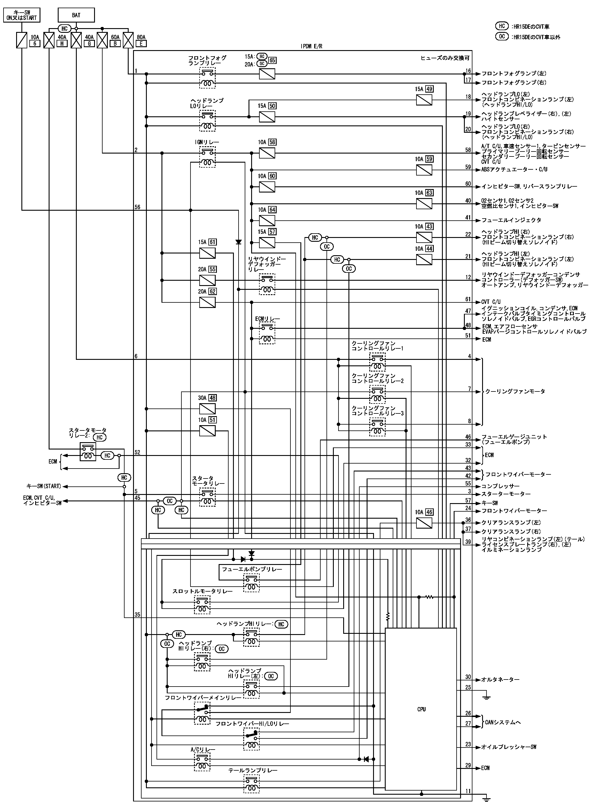
принципиальная схема


TKWB4981J.JPG
■ 注意 ■
接続部品の詳細は各制御システムを参照