ВИЗАТОР
Новости японской автоиндустрии
Главная
Новости
FAQ
Аукционы
Руководства по ремонту
Nissan Wingroad Y12: полное руководство по ремонту и обслуживанию на русском языке
Вы здесь:
Главная
Руководства по ремонту
Nissan Wingroad Y12: полное руководство по ремонту и обслуживанию на русском языке
Электрооборудование
Информационная система водителя
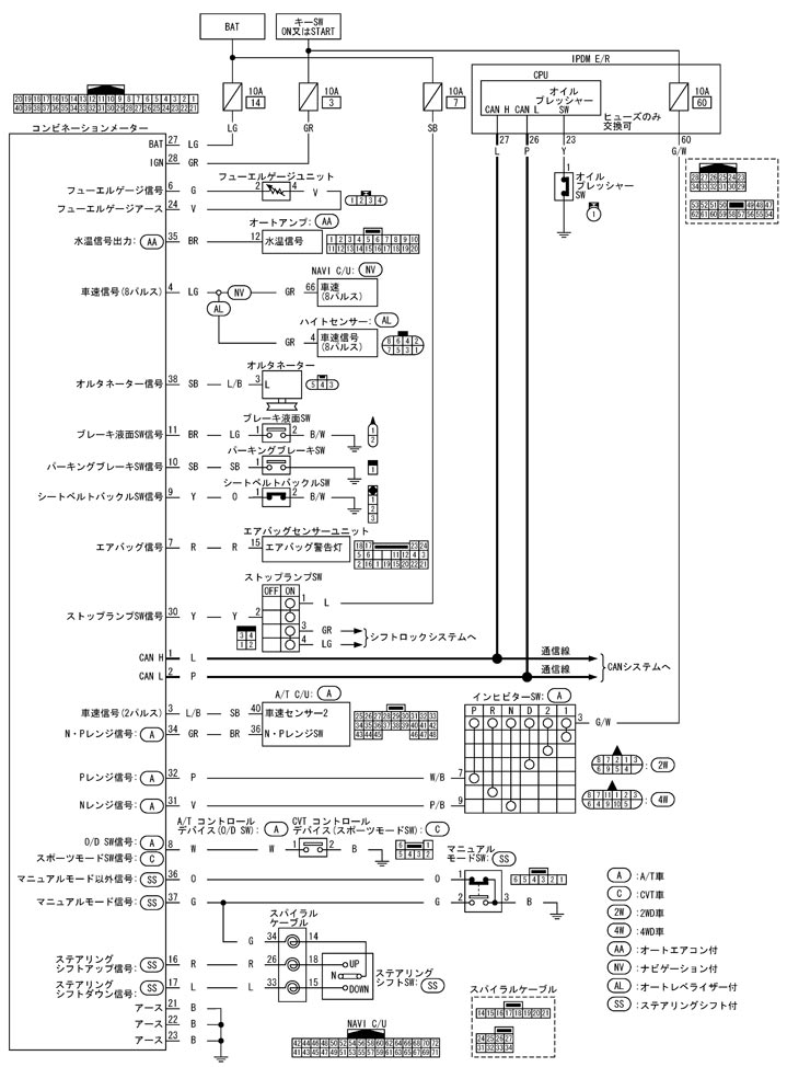
Принципиальная схема – счетчик – обзор системы
Принципиальная схема – счетчик – обзор системы
Схема подключения - счетчик -
Предыдущий: Обзор системы проектирования
Назад
Следующий: Список функций Обзор системы
Вперед