ВИЗАТОР
Новости японской автоиндустрии
Главная
Новости
FAQ
Аукционы
Руководства по ремонту
Nissan Wingroad Y12: полное руководство по ремонту и обслуживанию на русском языке
Вы здесь:
Главная
Руководства по ремонту
Nissan Wingroad Y12: полное руководство по ремонту и обслуживанию на русском языке
Электрооборудование
Аудио-визуальная система
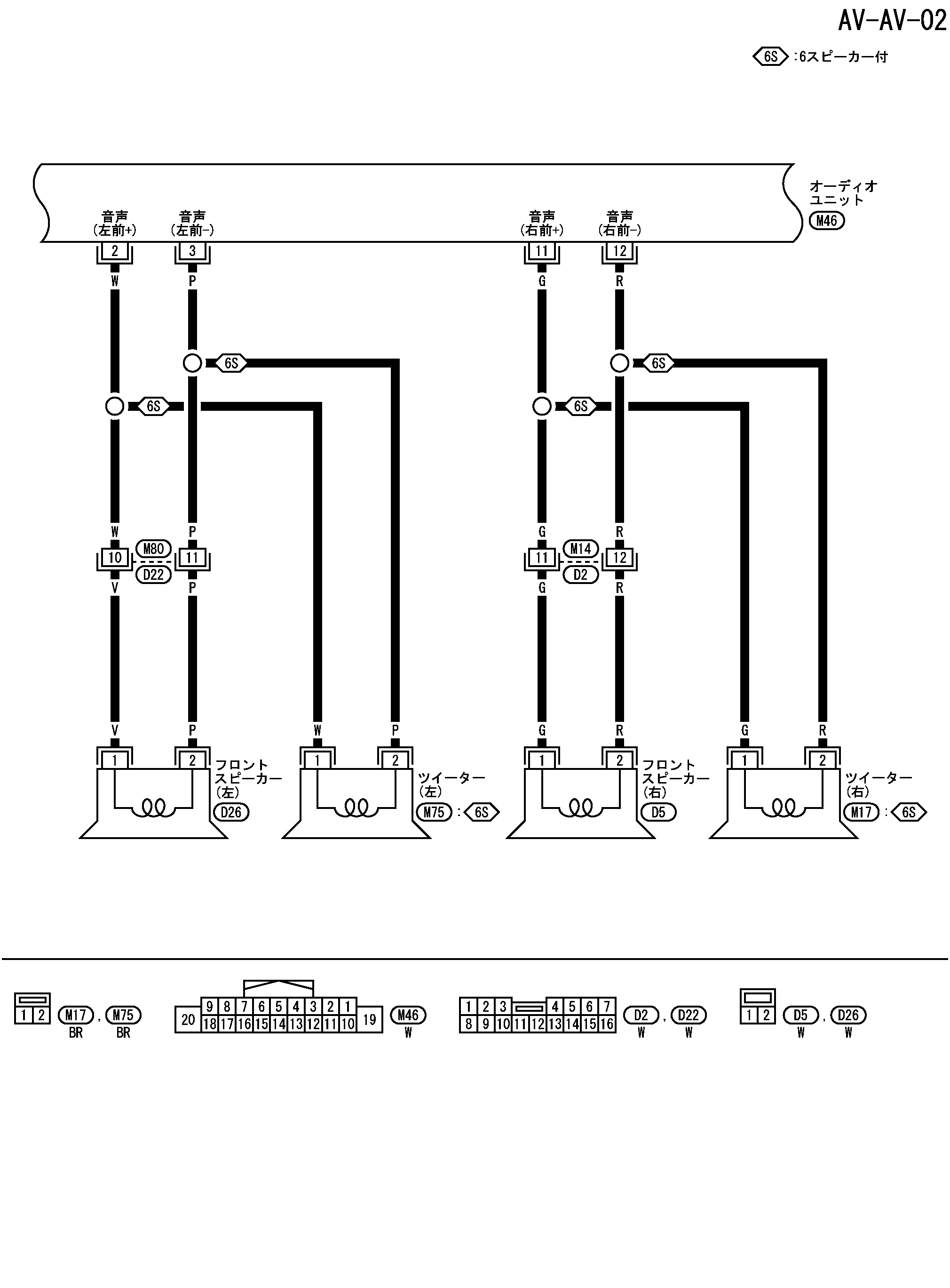
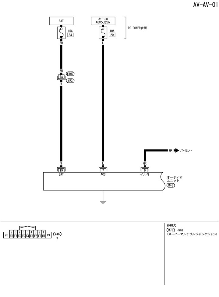
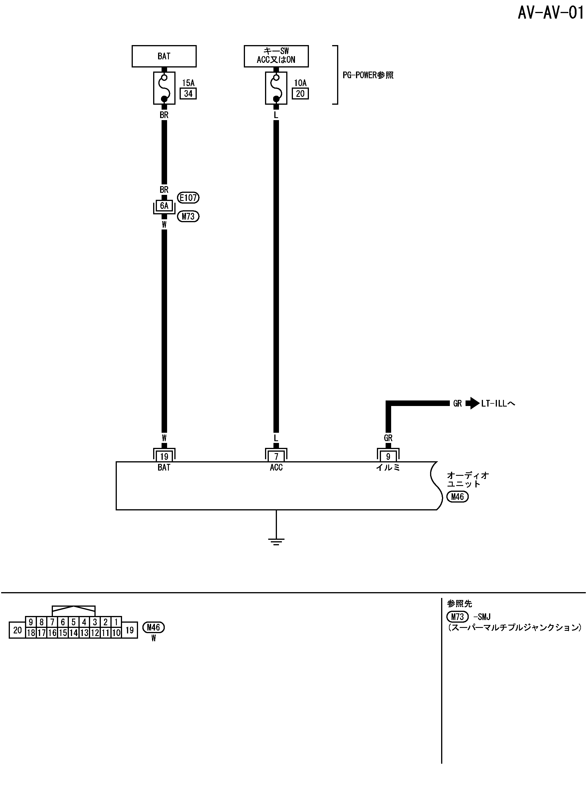
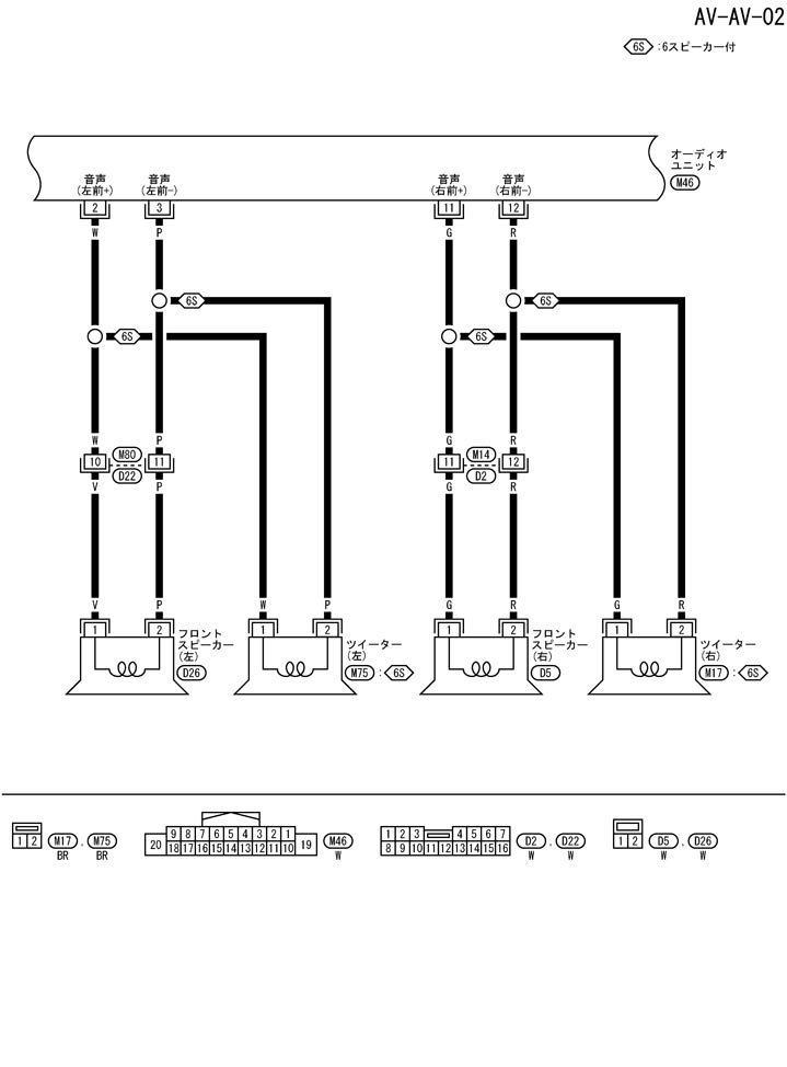
Схема подключения - av - (без навигационной системы) электрическая схема
Схема подключения - av - (без навигационной системы) электрическая схема
配線図 - AV - (ナビゲーションシステム無)
📄
Открыть схему TKWB4420J.PDF
📄
Открыть схему TKWB4421J.PDF
📄
Открыть схему TKWB4974J.PDF
Предыдущий: Принципиальная схема - без навигационной системы - принципиальная схема
Назад
Следующий: Опорное значение входного/выходного сигнала блока управления аудиосистемой
Вперед