Диагностика с помощью CONSULT-III

 
 CONSULT‐IIIの機能

CONSULT‐IIIは、AV C/Uとの通信により下記の診断機能を実行する。

診断モード
内容
C/U識別情報
AV C/Uの部品番号を確認できる
自己診断読み出し
AV C/U、ETCユニットの診断、及びナビゲーションシステムの通信系統接続診断を実施し、現在、及び過去異常を一括して表示する
データモニタ
AV C/Uに入力される車両信号の診断ができる
特殊機能
ETCエラー履歴を選択すると、ETCユニットで検出したエラー履歴の確認、エラー履歴の消去、ETCユニットの接続履歴の消去ができる
参考:
履歴を消去せずに、ETCユニットを取り外したままキースイッチをACCにすると、「ETCユニットエラー」表示が出る

 
 AVコミュニケーション
AVコミュニケーション
AV&NAVI C/U
AV C/Uから各ユニットに対しての通信状態とエラーカウンタを表示する
AUDIO
AV C/Uの通信状態とエラーカウンタを表示する

 
 C/U識別情報

AV C/Uの部品番号を表示する。
 
 自己診断読み出し

  • CONSULT‐IIIの自己診断では、自己診断結果とエラー履歴を一括して表示する。
  • エラーコード[U1000]、[U1300]を検出したとき、時期を“0”と表示し、次回キースイッチON時に正常であれば1加算される。
 
 自己診断の検出範囲
 
 自己診断結果の表示項目

自己診断結果は、原因によって複数同時に表示されることがあり、複数同時に表示されたときは、表示項目の組み合わせによって絞込みを行うことができる。

表示項目
診断内容
推定不具合部位/対処方法
CAN通信系[U1000]
CAN通信送受信エラーを検出した
診断結果をプリントアウトし
CANシステムタイプ仕様表を参照
コントロールユニット(CAN)[U1010]
CAN初期診断エラーを検出した
AV C/Uを交換する
コントロールユニット(AV)[U1310]
AV通信回路初期診断エラーを検出した
コントロールユニットFLASH – ROM[U1200]
AV C/U に異常を検出した
ジャイロ未接続[U1201]
加速度センサ未接続[U1202]
CANコントローラメモリ[U1216]
Bluetooth module接続[U1217」
HDD – 接続[U1218]
HDD – リード[U1219]
HDD – ライト[U121A]
HDD – 通信[U121B]
HDD – アクセス[U121C]
DSP接続[U121D]
DSP通信[U121E]
内部通信[U121F]
AV C/U電源及びアース回路に異常を検出した
AV C/U電源及びアース回路を点検し、異常がなければAV C/Uを交換する
GPS通信[U1204]
GPS に異常を検出した
  • GPS 受信不良などの不具合現象が発生していなければ、強度の電波障害による一時的な異常を検出した可能性がある
  • 常時異常が発生している場合は、AV C/U を交換する
GPS ROM[U1205]
GPS RAM[U1206]
GPS RTC[U1207]
ETC 自己診断[U1230]
ETCユニットに異常を検出した
ETCユニットを交換する
前席ディスプレイ接続[U1243]
  • ディスプレイ電源及びアース回路に異常がある
  • AV C/U〜ディスプレイ 間通信回路に異常がある
  • AV C/U〜ディスプレイ間通信信号に異常を検出した
  • ディスプレイ電源及びアース回路
  • AV C/U〜 ディスプレイ間通信回路
  • ディスプレイ
  • AV C/U
GPS アンテナ接続[U1244]
GPS アンテナ接続異常を検出した
  • GPS アンテナ
  • AV C/U
カメラコントローラ接続[U1250]
  • バックビューカメラ接続認識信号回路に異常がある
  • バックビューカメラ接続認識信号に異常を検出した
  • バックビューカメラ接続認識信号回路
  • カメラ C/U
  • AV C/U
  • AV 通信系[U1300]
  • 内部通信[U121F]
AV C/U電源及びアース回路に異常がある
AV C/U電源及びアース回路を点検し、異常がなければAV C/Uを交換する
  • AV 通信系[U1300]
  • TV チューナ接続[U1242]
  • TVチューナー電源及びアース回路に異常がある
  • AV C/U 〜 TVチューナー間AV通信信号に異常を検出した
  • TVチューナー電源及びアース回路
  • TVチューナー
  • AV C/U
  • AV 通信系[U1300]
  • サイドビューカメラ[U1251]
サイドブラインドカメラ接続認識回路に異常がある
  • サイドブラインドカメラ接続認識回路
  • カメラC/U
  • AV 通信系[U1300]
  • ETC接続[U1241]
  • ETCユニット電源及びアース回路に異常がある
  • ETCユニット〜 TVチューナー間AV通信回路に異常がある
  • AV C/U〜ETCユニット間AV通信信号に異常を検出した
  • ETCユニット電源及びアース回路
  • ETCユニット〜 TVチューナー間AV通信回路
  • ETCユニット
  • AV C/U
  • AV 通信系[U1300]
  • サイドビューカメラ[U1251]
  • リヤビューカメラ[U1252]
  • カメラC/U電源及びアース回路に異常がある
  • AV C/U〜カメラC/U間AV通信信号に異常を検出した
  • TVチューナー〜カメラC/U間AV通信回路に異常がある
  • カメラC/U電源及びアース回路
  • TVチューナー〜カメラC/U間AV通信回路
  • カメラC/U
  • AV C/U
  • AV 通信系[U1300]
  • ETC接続[U1241]*
  • サイドビューカメラ[U1251]
  • リヤビューカメラ[U1252]
TVチューナー 〜カメラC/U間AV通信回路に異常がある
  • TVチューナー 〜 カメラC/U間AV通信回路
  • TVチューナー
  • AV通信系[U1300]
  • ETC接続[U1241]*
  • TV チューナ接続[U1242]
  • サイドビューカメラ[U1251]*
  • リヤビューカメラ[U1252]*
AV C/U〜TVチューナー間AV通信回路に異常がある
  • AV C/U〜TVチューナー間AV通信回路
  • TVチューナー
  • AV C/U

*:車両への接続履歴が無いユニットの場合、表示されない。また、ハーネスの不具合部位によっては表示しないことがある。
 
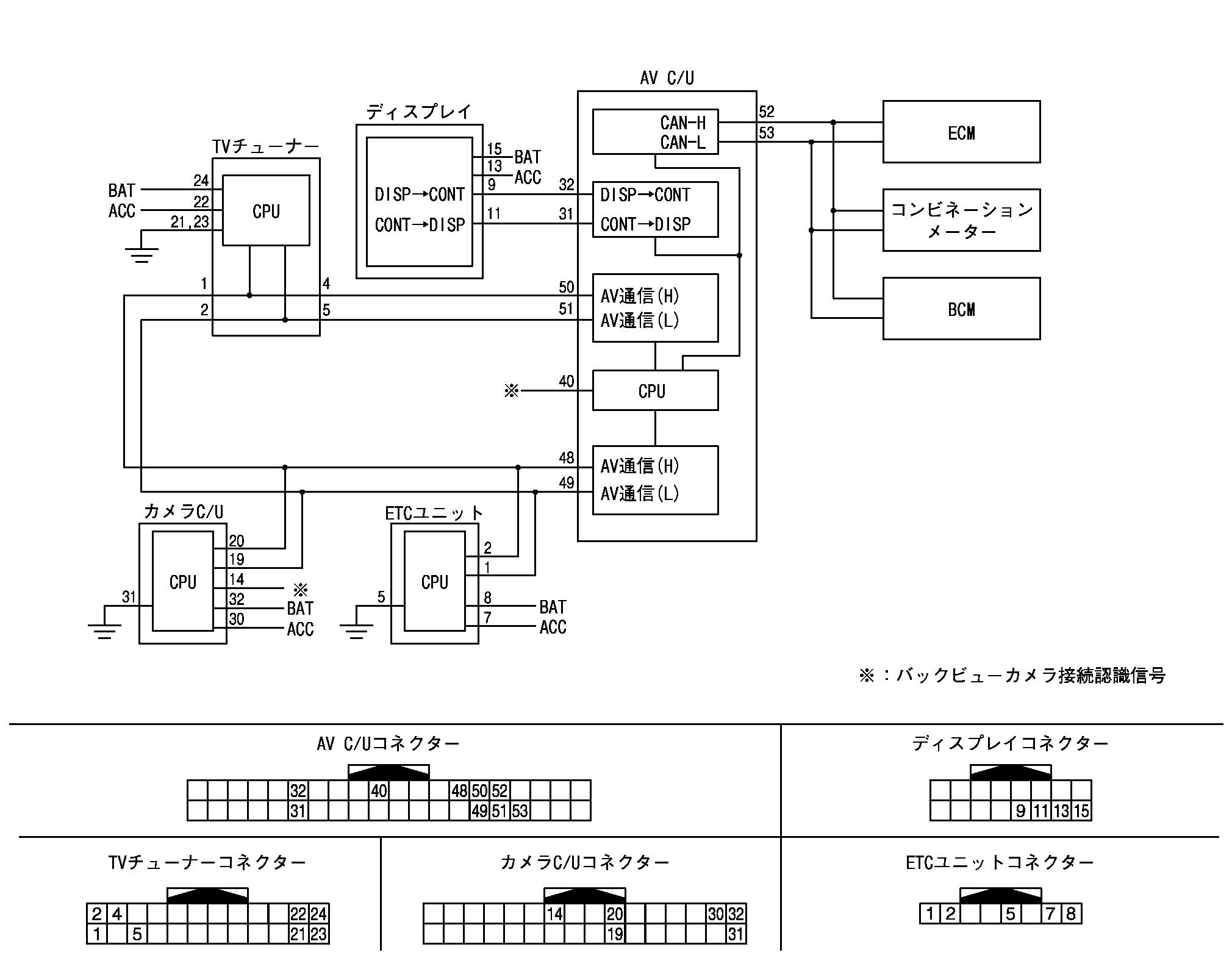
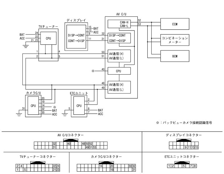
 通信系統回路図
 
 データモニタ

“データモニタ”を選択すると、“全項目”と“項目メニュー選択”が表示される。
 
 全項目
  • “全項目”を選択し、“開始”をタッチするとAV C/Uに入力している下記の車両信号の状態を表示する。
  • 各信号については、実際の作業状況とシステム側で認識している状態の比較確認ができる。
    表示条件
    表示項目
    表示
    車両状態
    備考
    シャソクシンゴウ
    On
    車速> 0 km/h時
    表示切り替えが遅れることがあるが故障ではない
    Off
    車速=0 km/h
    PKBシンゴウ
    On
    パーキングブレーキをかける
    Off
    パーキングブレーキを戻す
    イルミネーションシンゴウ
    On
    ライトSW 1段時

    Off
    ライトSW OFF時
    IGNシンゴウ
    On
    キーSW ON時

    Off
    キーSW ACC時
    リバースシンゴウ
    On
    リバース時
    表示の切り替えが遅れることがあるが故障ではない
    Off
    リバース以外

 
 項目メニュー選択
“項目メニュー選択”を選択すると車両信号の表示を任意に選択することができ、選択後“開始”をタッチすると選択された車両信号の状態を表示する。

選択項目
内容
シャソクシンゴウ
“全項目”選択時と同様
PKBシンゴウ
イルミネーションシンゴウ
IGNシンゴウ
リバースシンゴウ

 
 特殊機能(ETCエラー履歴)

  • “ETCエラー履歴”を選択すると、ETCユニットからエラー履歴の情報を受信し、過去10件分まで表示する。
  • “エラー履歴消去”をタッチするとエラー履歴が消去される。
  • “接続履歴消去”をタッチするとETCの接続履歴を消去することができる。
 
 エラーコード一覧

エラーコード一覧については、ETCエラー履歴を参照。
 
 ETCユニット異常時

  • ETCユニットが接続されていなかったり、AV通信回路に異常があった場合は、ETCエラー履歴情報を取得できず、“ETCエラー履歴を取得できませんでした”が表示される。
  • ETCユニットに異常があり、“ETCエラー履歴を取得できませんでした”が表示された場合でも、接続履歴の消去を行うことができる。
    参考:
    ETCユニットを故障などにより、取り外す(使用しない)ときは、必ず接続履歴の消去を行う。ETCユニットの接続履歴消去を参照。