ВИЗАТОР
Новости японской автоиндустрии
Главная
Новости
FAQ
Аукционы
Руководства по ремонту
Nissan Wingroad Y12: полное руководство по ремонту и обслуживанию на русском языке
Вы здесь:
Главная
Руководства по ремонту
Nissan Wingroad Y12: полное руководство по ремонту и обслуживанию на русском языке
Электрооборудование
Аудио-визуальная система
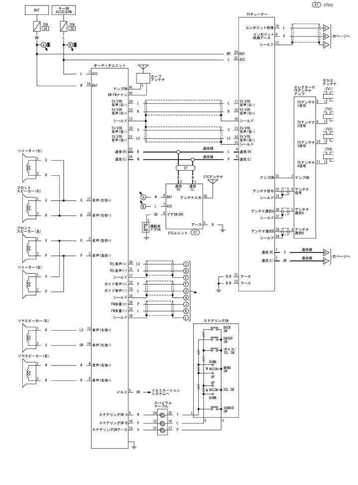
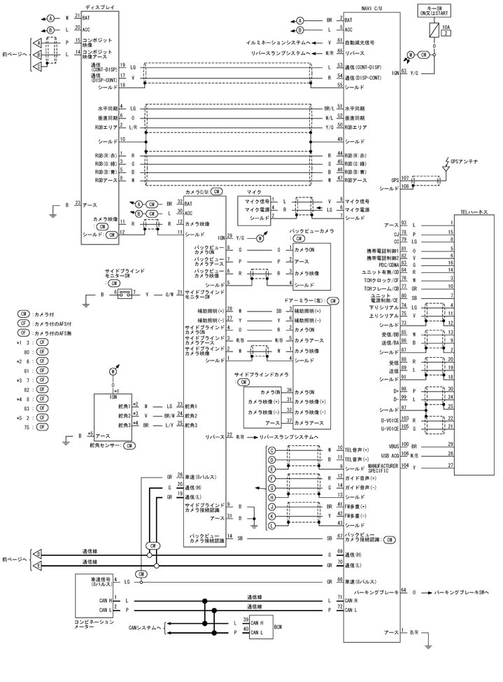
Принципиальная схема — с навигационной системой Carwings — Обзор системы
Принципиальная схема — с навигационной системой Carwings — Обзор системы
回路図 - カーウイングスナビゲーションシステム付 -
Предыдущий: Компоненты системы соединителей жгута проводов тел.
Назад
Следующий: Схема системы Обзор системы
Вперед