ВИЗАТОР
Новости японской автоиндустрии
Главная
Новости
FAQ
Аукционы
Руководства по ремонту
Nissan Wingroad Y12: полное руководство по ремонту и обслуживанию на русском языке
Вы здесь:
Главная
Руководства по ремонту
Nissan Wingroad Y12: полное руководство по ремонту и обслуживанию на русском языке
Двигатель
Система управления двигателем
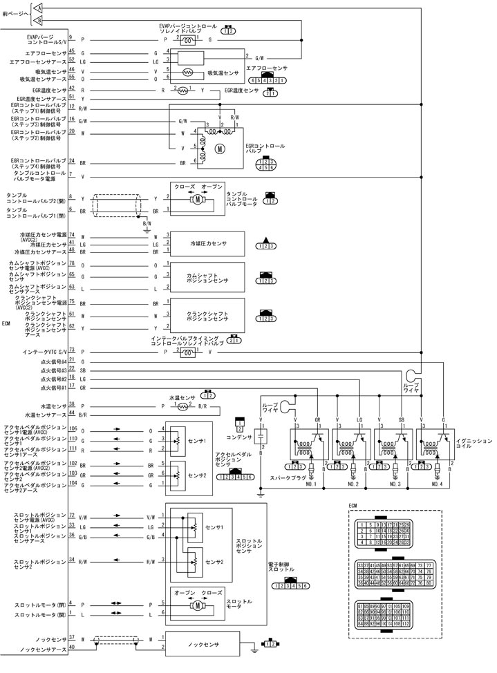
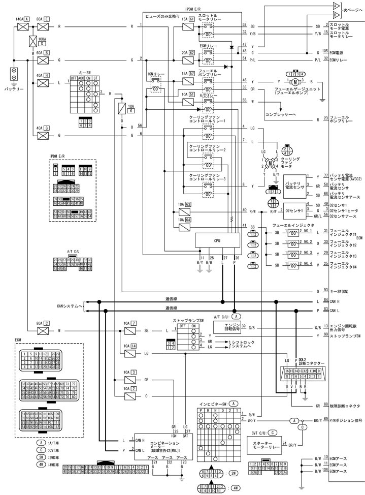
Схематический обзор системы управления двигателем
Схематический обзор системы управления двигателем
принципиальная схема
Предыдущий: Схема системы Обзор системы управления двигателем
Назад
Следующий: Список сигналов связи, обзор системы управления двигателем
Вперед