ВИЗАТОР
Новости японской автоиндустрии
Главная
Новости
FAQ
Аукционы
Руководства по ремонту
Nissan Wingroad Y12: полное руководство по ремонту и обслуживанию на русском языке
Вы здесь:
Главная
Руководства по ремонту
Nissan Wingroad Y12: полное руководство по ремонту и обслуживанию на русском языке
Двигатель
Система управления двигателем
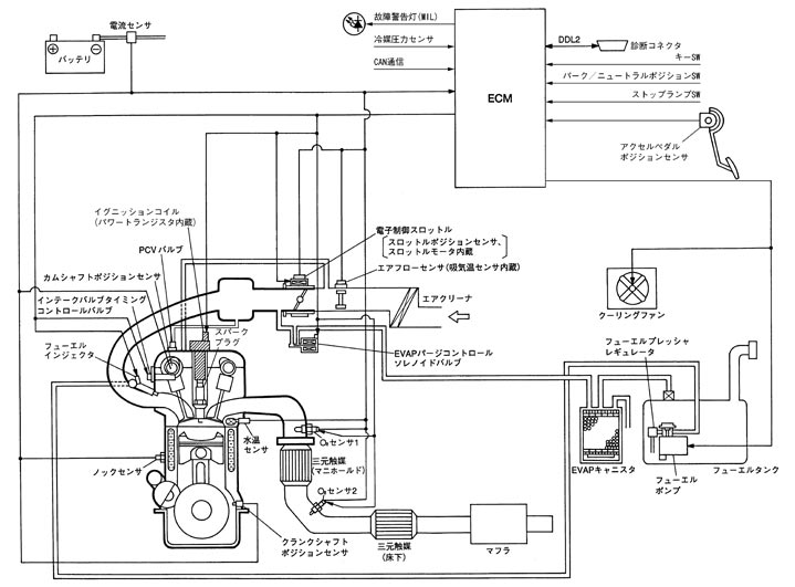
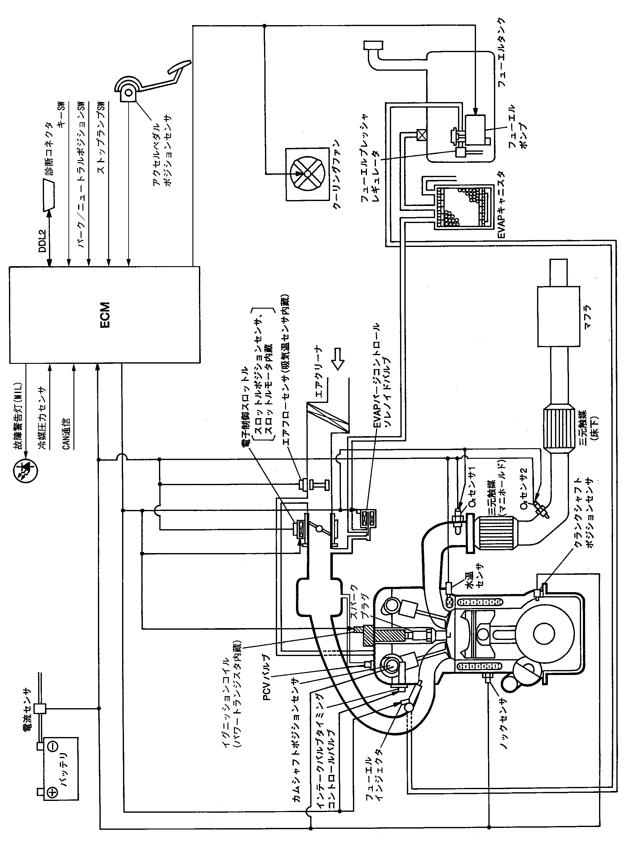
Схема системы управления двигателем
Схема системы управления двигателем
Схема системы
📄
Открыть схему JMBIA1310JP.PDF
Предыдущий: Специальные предметы для подготовки инструмента
Назад
Следующий: Система многоточечного впрыска топлива (mfi) система управления двигателем
Вперед